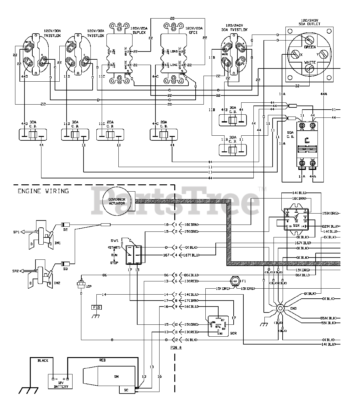
0049872 - Generac Centurian Portable Generator (SN: 5150586 - 5265073) (2009) Wiring Diagram (0G2892-A) Parts Diagram

Centurian Portable Generator

Wiring Diagram (0G2892-A) Parts Diagram

  • Title