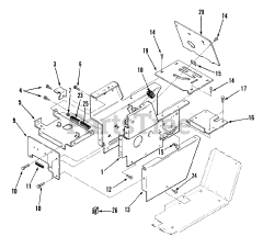
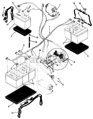
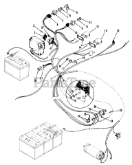
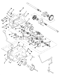
01-14E801 (E-141) - Toro Garden Tractor (1982) Parts & Diagrams Parts Lists & Diagrams

Garden Tractor