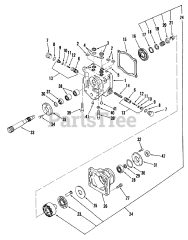
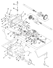
01-14KS01 (C-145) - Toro Garden Tractor (1980) Parts & Diagrams Parts Lists & Diagrams

Garden Tractor