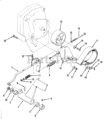
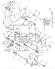
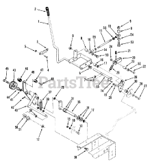
01-19KE02 (C-195) - Toro Garden Tractor (1984) Parts & Diagrams Parts Lists & Diagrams

Garden Tractor