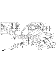
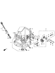
02601 - Toro HoverPro 450 Walk-Behind Mower (SN: 312000001 - 312999999) (2012) Parts & Diagrams Parts Lists & Diagrams

HoverPro 450 Walk-Behind Mower