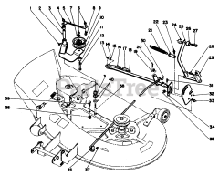
05-38SL02 - Toro 38" Side-Discharge Mower Deck (SN: 020000001 - 029999999) (1992) Parts & Diagrams Parts Lists & Diagrams

38" Side-Discharge Mower Deck

05-38SL02 - Toro 38" Side-Discharge Mower Deck (SN: 020000001 - 029999999) (1992) > Parts Diagrams (3)