06-42ST03 - Toro 42" Snow Thrower Attachment (1983) Snowthrower-42 In. (107 Cm) Vehicle Identification Number 06-42st03 Parts Diagram

42" Snow Thrower Attachment

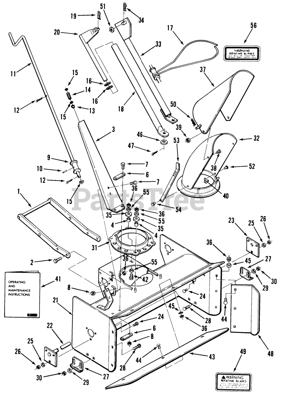
Snowthrower-42 In. (107 Cm) Vehicle Identification Number 06-42st03 Parts Diagram

  • Title
1

Toro 104604

See Supercession: 104604-01
(Superseded to 104604-01)

$

$

Not available

2

Toro 908033

See Supercession: 110242
(Superseded to 110242)

Note: Indicates Part of Loose Parts Package 807007 (06-42SY01).

$2.49

$

In Stock, Qty 5

0

3

Toro 107524

DISCONTINUE

$

$

Not available

4

Toro 104525

See Supercession: 93-3658
(Superseded to 93-3658)

$10.99

$

Usually ships in 3-6 days

0

6

Toro 7494

DISCONTINUE

Note: Indicates Part of Loose Parts Package 807007 (06-42SY01).

$

$

Not available

7

Toro 908032

See Supercession: 323-4
(Superseded to 323-4)

Note: Indicates Part of Loose Parts Package 807007 (06-42SY01).

$4.49

$

In Stock, Qty 20+

0

8

Toro 915113

See Supercession: 32153-2
(Superseded to 32153-2)

Note: Indicates Part of Loose Parts Package 807007 (06-42SY01).

$

$

Not available

9

Toro 105048

ASSY TUBE CRANK *R

$104.99

$

Usually ships in 3-6 days

0

10

Toro 933215

ROLL PIN 1/4 X 1-1/4

$2.49

$

Usually ships in 3-6 days

0

11

Toro 110041

DISCONTINUED

$

$

Not available

12

Toro 932016

See Supercession: 3272-10
(Superseded to 3272-10)

Note: Indicates Part of Loose Parts Package 807007 (06-42SY01).

$1.49

$

In Stock, Qty 12

0

13

Toro 5982

NYLINER BUSHING

Note: Indicates Part of Loose Parts Package 807007 (06-42SY01).

$

$

Not available

14

Toro 2354

SPRING-COMPRESSION

Note: Indicates Part of Loose Parts Package 807007 (06-42SY01).

$

$

Not available

15

Toro 920011

See Supercession: 3256-26
(Superseded to 3256-26)

Note: Indicates Part of Loose Parts Package 807007 (06-42SY01).

$0.99

$

In Stock, Qty 20+

0

17

Toro 104460

CABLE

Note: Indicates Part of Loose Parts Package 807007 (06-42SY01).

$22.99

$

In Stock, only 1 left!

0

21

Toro 110027

DISCONTINUED
(Superseded to 114043)

$

$

Not available

22

Toro 109245

DISCONTINUED

$

$

Not available

23

Toro 109201

See Supercession: 93-1618-01
(Superseded to 93-1618-01)

$55.99

$

In Stock, only 2 left!

0

24

Toro 900036

CARRIAGE BOLT -4

$2.49

$

Usually ships in 3-6 days

0

25

Toro 920015

See Supercession: 3256-28
(Superseded to 3256-28)

$3.99

$

In Stock, Qty 20+

0

26

Toro 915112

See Supercession: 3217-6
(Superseded to 3217-6)

$1.49

$

In Stock, only 4 left!

0

27

Toro 108705

See Supercession: 93-1620-01
(Superseded to 93-1620-01)

$55.99

$

In Stock, only 1 left!

0

28

Toro 900063

See Supercession: 3231-2
(Superseded to 323-12)

$2.99

$

In Stock, Qty 20+

0

29

Toro 920009

See Supercession: 3256-24
(Superseded to 3256-24)

$0.99

$

In Stock, Qty 20+

0

30

Toro 915113

See Supercession: 32153-2
(Superseded to 32153-2)

$

$

Not available

31

Toro 108719

DISCONTINUE

$

$

Not available

32

Toro 5220

DISCONTINUED

$

$

Not available

33

Toro 110033

ASSY LIFT TUBE

$687.99

$

Usually ships in 3-6 days

0

34

Toro 933505

Hairpin Cotter
(Superseded to 9335054)

Note: Indicates Part of Loose Parts Package 807007 (06-42SY01).

$1.99

$

In Stock, Qty 20+

0

35

Toro 107675

WASHER

$3.49

$

In Stock, Qty 20+

0

36

Toro 915663

See Supercession: 3296-39
(Superseded to 3296-39)

Note: Indicates Part of Loose Parts Package 807007 (06-42SY01).

$2.99

$

In Stock, Qty 20+

0

37

Toro 2165

DISCONTINUED
(Superseded to 110978)

$

$

Not available

38

Toro 910836

DISCONTINUED

$

$

Not available

39

Toro 915661

See Supercession: 3296-42
(Superseded to 3296-42)

$0.99

$

In Stock, Qty 20+

0

40

Toro 101447

CLAMP

$36.99

$

Usually ships in 3-6 days

0

41

Toro 810264

INST SHEET

$3.49

$

Usually ships in 3-6 days

0

42

Toro 908035

See Supercession: 323-7
(Superseded to 323-7)

$3.49

$

In Stock, Qty 20+

0

43

Toro 7495

See Supercession: 93-1616-01
(Superseded to 93-1616-01)

$

$

Not available

44

Toro 900063

See Supercession: 3231-2
(Superseded to 323-12)

Note: Indicates Part of Loose Parts Package 807007 (06-42SY01).

$2.99

$

In Stock, Qty 20+

0

45

Toro 920009

See Supercession: 3256-24
(Superseded to 3256-24)

Note: Indicates Part of Loose Parts Package 807007 (06-42SY01).

$0.99

$

In Stock, Qty 20+

0

46

Toro 920013

See Supercession: 3256-27
(Superseded to 3256-27)

Note: Indicates Part of Loose Parts Package 807007 (06-42SY01).

$2.99

$

In Stock, only 2 left!

0

47

Toro 932034

See Supercession: 3272-21
(Superseded to 3272-21)

Note: Indicates Part of Loose Parts Package 807007 (06-42SY01).

$3.99

$

In Stock, only 3 left!

0

48

Toro 103552

See Supercession: 93-1617-01
(Superseded to 93-1617-01)

$

$

Not available

49

Toro 108708

DISCONTINUED

$

$

Not available

50

Toro 933504

Hairpin
(Superseded to 9335044)

Note: Indicates Part of Loose Parts Package 807007 (06-42SY01).

$1.49

$

In Stock, Qty 5

0

51

Toro 920011

See Supercession: 3256-26
(Superseded to 3256-26)

Note: Indicates Part of Loose Parts Package 807007 (06-42SY01).

$0.99

$

In Stock, Qty 20+

0

52

Toro 923795

RIVET-4

$0.99

$

Usually ships in 3-6 days

0

53

Toro 2078

DISCONTINUED

$

$

Not available

54

Toro 923005

RIVET

$

$

Not available

55

Toro 920009

See Supercession: 3256-24
(Superseded to 3256-24)

$0.99

$

In Stock, Qty 20+

0

56

Toro 108707

DECAL-WARNING

$21.99

$

Usually ships in 3-6 days

0

11

Toro 108721

DISCONTINUED

$

$

Not available

16

Toro 920015

See Supercession: 3256-28
(Superseded to 3256-28)

Note: Indicates Part of Loose Parts Package 803372 (06-42ST03)

$3.99

$

In Stock, Qty 20+

0

18

Toro 107403

ASSY LIFT TUBE *R

$

$

Not available

19

Toro 933504

Hairpin
(Superseded to 9335044)

Note: Indicates Part of Loose Parts Package 803372 (06-42ST03)

$1.49

$

In Stock, Qty 5

0

20

Toro 1986

See Supercession: 101461-03
(Superseded to 101461-03)

$

$

Not available

21

Toro 109248

Wrapper Assembly

$

$

Currently unavailable

23

Toro 109202

See Supercession: 93-1618-01
(Superseded to 93-1618-01)

$55.99

$

In Stock, only 2 left!

0