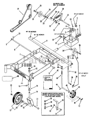
07-01MC01 - Toro Front Mower Carrier (1987) Parts & Diagrams Parts Lists & Diagrams

Front Mower Carrier

07-01MC01 - Toro Front Mower Carrier (1987) > Parts Diagrams (1)