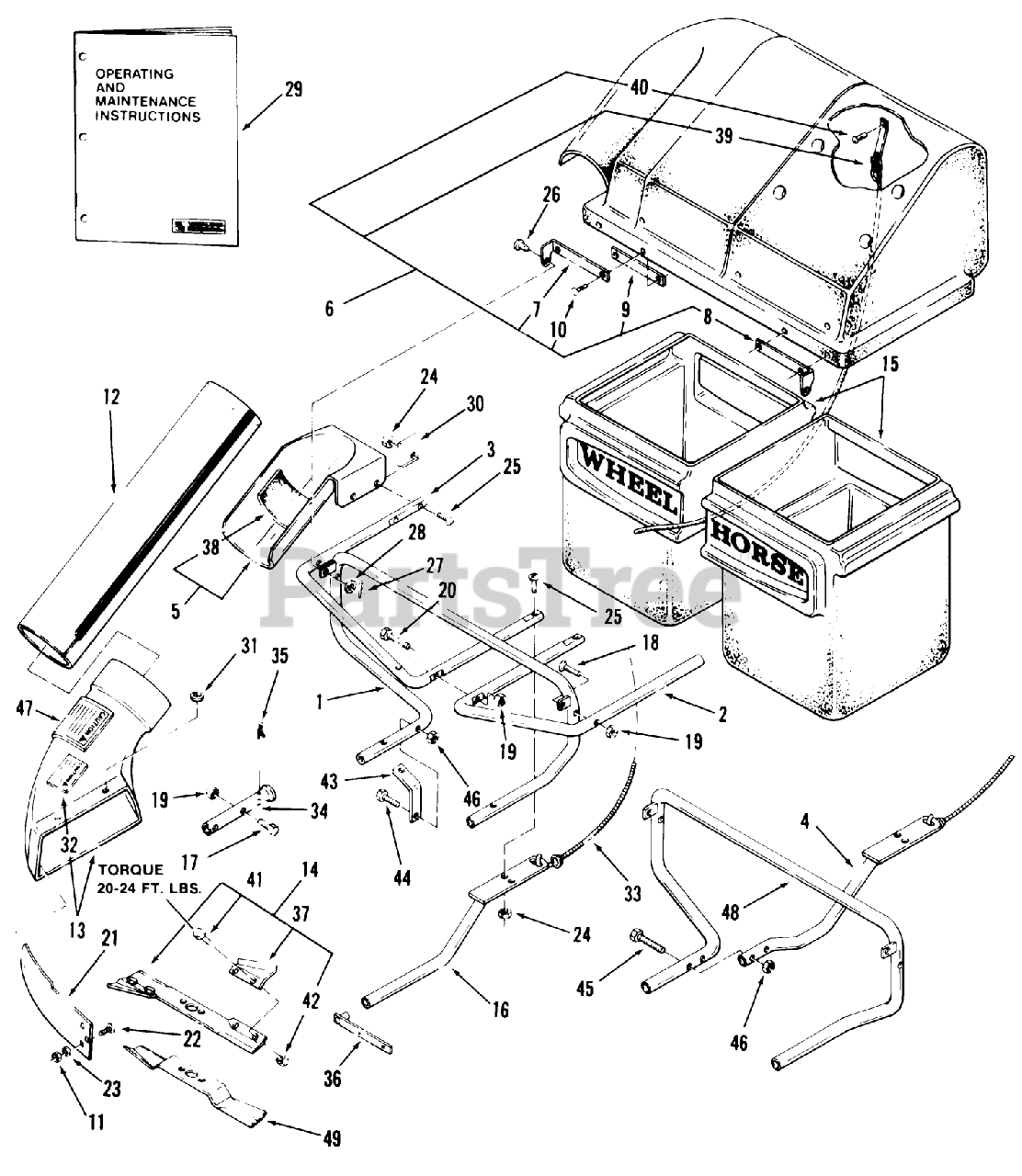
07-06BA02 - Toro 32" Rear Bagger (1983) B-Series Rear Grass Baggers-5 Bushel (.2 Cu. M) Vehicle Identification Numbers 07-06cx01 37 In. (94 Cm) Mower Parts Diagram

32" Rear Bagger

B-Series Rear Grass Baggers-5 Bushel (.2 Cu. M) Vehicle Identification Numbers 07-06cx01 37 In. (94 Cm) Mower Parts Diagram

  • Title
2

Toro 107565

DISCONTINUED

$

$

Not available

3

Toro 108812

DISCONTINUED

$

$

Not available

4

Toro 108659

DISCONTINUED

$

$

Not available

5

Toro 108634

See Supercession: 107571
(Superseded to 107571)

$

$

Not available

6

Toro 108594

DISCONTINUED

Note: Non-Serviced Parts of this Assembly are Secured with 923792 Poprivets (5/32 Dia. x 3/8 Long) and one 923793 Poprivet (5/32 Dia. x 1/2 Long); 920004 Backup Washers ( Num 8 SAE) are used on Rivets Securing Screen in Place.

$

$

Not available

7

Toro 107706

DISCONTINUED

$

$

Not available

8

Toro 107707

DISCONTINUED

$

$

Not available

9

Toro 107708

DISCONTINUED

$

$

Not available

10

Toro 923793

Poprivet 5/32 x 1/2 Long

$

$

Currently unavailable

11

Toro 915112

See Supercession: 3217-6
(Superseded to 3217-6)

Note: Indicates Part of Loose Parts Package 803320 (07-06CY01) or 803347 (07-06CX01).

$1.49

$

In Stock, only 4 left!

0

12

Toro 108647

DISCONTINUED

$

$

Not available

13

Toro 108305

ASSY-ELBOW

$362.99

$

Usually ships in 3-6 days

0

14

Toro 108684

DISCONTINUE

$

$

Not available

15

Toro 107590

DISCONTINUED

$

$

Not available

17

Toro 908022

See Supercession: 322-9
(Superseded to 322-9)

Note: Indicates Part of Loose Parts Package 803320 (07-06CY01) or 803347 (07-06CX01).

$3.99

$

In Stock, Qty 20+

0

18

Toro 908843

Screw Flat Hd. Mach. 5/16 x 2 1/2

Note: Indicates Part of Loose Parts Package 803320 (07-06CY01) or 803347 (07-06CX01).

$

$

Currently unavailable

19

Toro 915112

See Supercession: 3217-6
(Superseded to 3217-6)

Note: Indicates Part of Loose Parts Package 803320 (07-06CY01) or 803347 (07-06CX01).

$1.49

$

In Stock, only 4 left!

0

20

Toro 908025

See Supercession: 322-12
(Superseded to 322-12)

Note: Indicates Part of Loose Parts Package 803320 (07-06CY01) or 803347 (07-06CX01).

$2.49

$

In Stock, Qty 13

0

21

Toro 109105

BAFFLE-DEFLECTOR *B

$

$

Not available

22

Toro 900285

See Supercession: 3230-18
(Superseded to 3230-18)

Note: Indicates Part of Loose Parts Package 803320 (07-06CY01) or 803347 (07-06CX01).

$5.49

$

In Stock, only 4 left!

0

23

Toro 920082

See Supercession: 3253-4
(Superseded to 325-34)

Note: Indicates Part of Loose Parts Package 803320 (07-06CY01) or 803347 (07-06CX01).

$3.99

$

In Stock, only 2 left!

0

24

Toro 915111

See Supercession: 3217-5
(Superseded to 3217-5)

Note: Indicates Part of Loose Parts Package 803320 (07-06CY01) or 803347 (07-06CX01).

$0.99

$

In Stock, only 3 left!

0

25

Toro 908826

DISCONTINUED

Note: Indicates Part of Loose Parts Package 803320 (07-06CY01) or 803347 (07-06CX01).

$

$

Not available

26

Toro 932960

PIN

Note: Indicates Part of Loose Parts Package 803320 (07-06CY01) or 803347 (07-06CX01).

$

$

Not available

27

Toro 933505

Hairpin Cotter
(Superseded to 9335054)

Note: Indicates Part of Loose Parts Package 803320 (07-06CY01) or 803347 (07-06CX01).

$1.99

$

In Stock, Qty 20+

0

28

Toro 920009

See Supercession: 3256-24
(Superseded to 3256-24)

Note: Indicates Part of Loose Parts Package 803320 (07-06CY01) or 803347 (07-06CX01).

$0.99

$

In Stock, Qty 20+

0

29

Toro 810200R1

Operating and Maintenance Instructions

Note: Indicates Part of Loose Parts Package 803320 (07-06CY01) or 803347 (07-06CX01).

$

$

Currently unavailable

30

Toro 109157

PLATE-BACKUP

Note: Indicates Part of Loose Parts Package 803320 (07-06CY01) or 803347 (07-06CX01).

$

$

Not available

31

Toro 920038

See Supercession: 3256-3
(Superseded to 3-2563)

Note: Indicates Part of Loose Parts Package 803320 (07-06CY01) or 803347 (07-06CX01).

$0.99

$

In Stock, Qty 16

0

32

Toro 108304

DISCONTINUED

$

$

Not available

33

Toro 108574

DISCONTINUED

Note: Indicates Part of Loose Parts Package 803320 (07-06CY01) or 803347 (07-06CX01).

$

$

Not available

34

Toro 108639

DISCONTINUED

$

$

Not available

35

Toro 933507

Pin-Cotter
(Superseded to 9335074)

Note: Indicates Part of Loose Parts Package 803320 (07-06CY01) or 803347 (07-06CX01).

$5.99

$

In Stock, only 4 left!

0

37

Toro 108006

DISCONTINUE

$

$

Not available

38

Toro 101444

DISCONTINUED

$

$

Not available

39

Toro 108572

DISCONTINUED

$

$

Not available

40

Toro 923792

DISCONTINUED

$

$

Not available

41

Toro 108686

BOLT 5/16-18X5/8

$9.49

$

Usually ships in 3-6 days

0

42

Toro 108687

NUT-HEX

$1.49

$

Usually ships in 3-6 days

0

45

Toro 908025

See Supercession: 322-12
(Superseded to 322-12)

Note: Indicates Part of Loose Parts Package 803320 (07-06CY01) or 803347 (07-06CX01).

$2.49

$

In Stock, Qty 13

0

46

Toro 915112

See Supercession: 3217-6
(Superseded to 3217-6)

Note: Indicates Part of Loose Parts Package 803320 (07-06CY01) or 803347 (07-06CX01).

$1.49

$

In Stock, only 4 left!

0

48

Toro 108650

DISCONTINUED

$

$

Not available

49

Toro 109106

BLADE 16.50

$117.99

$

Usually ships in 3-6 days

0

1

Toro 108661

DISCONTINUED

$

$

Not available

12

Toro 107582

See Supercession: 110150
(Superseded to 110150)

$

$

Not available

13

Toro 108666

DISCONTINUED

$

$

Not available

14

Toro 108846

ASSY-HI LIFT BLADE

$

$

Not available

16

Toro 108663

DISCONTINUED

$

$

Not available

36

Toro 108844

DISCONTINUED

$

$

Not available

37

Toro 105194

S/A 37 LIFT TAB KIT

$

$

Not available

43

Toro 108819

DISCONTINUED

Note: Indicates Part of Loose Parts Package 803320 (07-06CY01) or 803347 (07-06CX01).

$

$

Not available

44

Toro 908021

See Supercession: 322-7
(Superseded to 322-7)

Note: Indicates Part of Loose Parts Package 803320 (07-06CY01) or 803347 (07-06CX01).

$1.49

$

In Stock, Qty 20+

0

47

Toro 108629

DISCONTINUED

$

$

Not available