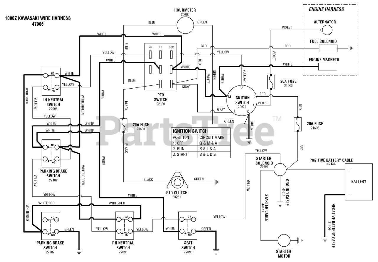
1000Z (5901004) - Ferris 1000Z Series 48" Zero-Turn Mower, 21hp Kawasaki Electrical Schematic - Ignition Grounding Circuit/Operator Presence (KAV21/48, S/N: 1311-1425, KAV23/52, S/N: 921-995, KAV23/61, S Parts Diagram

1000Z Series 48" Zero-Turn Mower, 21hp Kawasaki

Electrical Schematic - Ignition Grounding Circuit/Operator Presence (KAV21/48, S/N: 1311-1425, KAV23/52, S/N: 921-995, KAV23/61, S Parts Diagram

  • Title