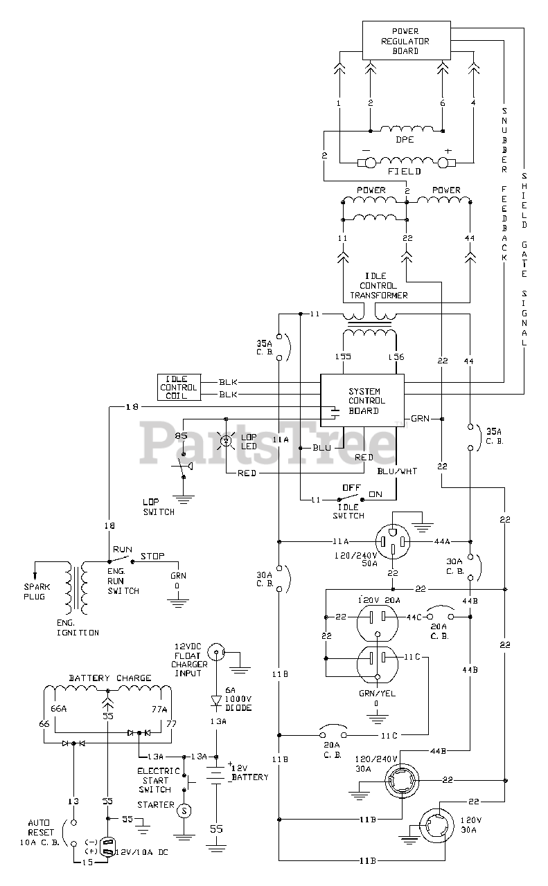
1019-3 - Generac EXL 7,500 Watt Portable Generator Wiring Schematic Parts Diagram

EXL 7,500 Watt Portable Generator

Wiring Schematic Parts Diagram

  • Title