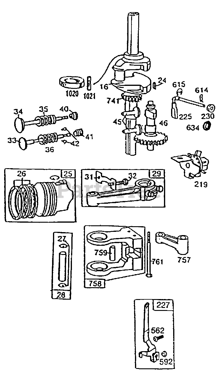
1030 (132-522B100) - Cub Cadet Rear-Engine Riding Mower Engine (1992) B&S 10 HP Piston Assembly Parts Diagram

Rear-Engine Riding Mower Engine

B&S 10 HP Piston Assembly Parts Diagram

  • Title
16

Cub Cadet BS-491647

Crankshaft

Note: (Order BS-94196 for Timing Gear Key.)

$

$

Not available

24

Cub Cadet BS-222698

Key-Flywheel
(Superseded to BS-222698S)

$2.99

$

In Stock, Qty 20+

0

25

Cub Cadet BS-394661

Piston Assy. (Standard)
(Superseded to BS-499284)

$

$

Not available

Cub Cadet BS-394662

Piston Assembly (.010" O.S.)
(Superseded to BS-499288)

$

$

Not available

Cub Cadet BS-394663

Piston Assembly (.020" O.S.)

$

$

Not available

Cub Cadet BS-394664

Piston Assembly (.030" O.S.)

$

$

Not available

26

Cub Cadet BS-391780

Ring Set-Piston (Std.)
(Superseded to BS-499996)

Note: (For Chrome Ring Set (Standard Size) Order No. BS-392331.)

$64.99

$

In Stock, only 2 left!

0

Cub Cadet BS-391781

Ring Set-Piston (.010" O.S.)

Note: (For Chrome Ring Set (Standard Size) Order No. BS-392331.)

$

$

Not available

Cub Cadet BS-391782

Ring Set-Piston (.020" O.S.)

Note: (For Chrome Ring Set (Standard Size) Order No. BS-392331.)

$

$

Not available

Cub Cadet BS-391783

Ring Set-Piston (.030" O.S.)

Note: (For Chrome Ring Set (Standard Size) Order No. BS-392331.)

$

$

Not available

27

Cub Cadet BS-260924

Lock-Piston Pin

$

$

Not available

28

Cub Cadet BS-299691

Pin Assy.-Piston (Standard)

$19.99

$

Usually ships in 2-12 days

0

Cub Cadet BS-391286

Pin Assembly-Piston (.005" O.S.)

$

$

Currently unavailable

29

Cub Cadet BS-490348

Rod Assy.- Conn.

Note: (For Connecting Rod With .020" Undersize Crankpin Bore Order No. BS-490469.

$55.99

$

Usually ships in 2-12 days

0

31

Cub Cadet BS-222299

Lock-Connecting Rod Screw

$

$

Not available

32

Cub Cadet BS-92909

Screw-Conn. Rod

$

$

Not available

33

Cub Cadet BS-261185

Valve-Exhaust

$

$

Not available

34

Cub Cadet BS-261462

Valve-Intake

$

$

Not available

35

Cub Cadet BS-65906

Spring-Intake Valve

$

$

Not available

36

Cub Cadet BS-26828

Spring-Exhaust Valve

$

$

Not available

40

Cub Cadet BS-221596

Retainer-Intake Valve
(Superseded to BS-690656)

$

$

Not available

41

Cub Cadet BS-292260

Rotocoil-Ex. Valve
(Superseded to BS-691939)

$29.99

$

In Stock, only 3 left!

0

42

Cub Cadet BS-93630

Retainer-Exhaust Valve Rotocoil (2)
(Superseded to BS-494553)

$8.49

$

Usually ships in 2-12 days

0

45

Cub Cadet BS-262248

Tappet-Valve

$

$

Not available

46

$

$

Not available

219

Cub Cadet BS-490815

Oil Slinger, Governor Gear and Bracket Assembly
(Superseded to BS-691968)

$41.99

$

In Stock, Qty 20+

0

225

Cub Cadet BS-231058

Crank-Governor
(Superseded to BS-692012)

$15.99

$

In Stock, only 1 left!

0

227

Cub Cadet BS-493935

Lever Assy.-Governor

$

$

Not available

230

Cub Cadet BS-222450

Washer-Governor Crank
(Superseded to BS-691691)

$4.49

$

In Stock, only 4 left!

0

562

Cub Cadet BS-92613

Bolt-Governor Lever

$

$

Not available

592

$

$

Not available

614

Cub Cadet BS-93306

Cotter-Pin

$

$

Not available

615

Cub Cadet BS-93307

Retainer-E-Ring

$6.49

$

In Stock, only 3 left!

0

634

Cub Cadet BS-491323

Seal-Oil
(Superseded to BS-692407)

$8.49

$

In Stock, only 2 left!

0

741

Cub Cadet BS-262135

Gear-Timing
(Superseded to BS-691284)

$

$

Not available

757

Cub Cadet BS-212359

Link-Counterweight

$

$

Not available

758

Cub Cadet BS-391373

Counterweight Assembly

$

$

Not available

759

Cub Cadet BS-298909

Pin-Counterweight

$9.99

$

In Stock, only 2 left!

0

761

Cub Cadet BS-93875

Screw-Counterweight

$

$

Currently unavailable

1020

$

$

Not available

1021

Cub Cadet BS-94160

Pin-Eccentric

$

$

Not available

Cub Cadet BS-392331

Chrome Ring Set (Standard Size)

$

$

Not available

Cub Cadet BS-490469

.020" Undersize Crankpin Bore

$

$

Not available

Cub Cadet BS-393411

Gasket Set

$63.99

$

In Stock, only 2 left!

0