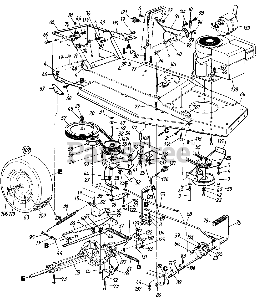
1058C (850-0274) - Grass Handler Lawn Tractor (1990) (J.C. Penney) Parts Parts Diagram

Lawn Tractor

Parts Parts Diagram

  • Title
1

MTD 16670

Engine Pulley Belt Guard Ass'y.
(Superseded to 783-0265A-0637)

$

$

Not available

2

MTD 710-0776A

Hex AB-Tap Scr. 1/4 x .62"
(Superseded to 710-0896)

$4.49

$

In Stock, only 3 left!

0

3

MTD 710-0833

Hex Bolt 5/16-18 x 5-1/4" Lg.

$10.99

$

In Stock, only 1 left!

0

4

MTD 712-0267

Hex Nut 5/16-18 Thd.
(Superseded to 912-3010)

$4.99

$

In Stock, Qty 20+

0

5

MTD 736-0242

Bell-Wash. .345" I.D. x .88

$4.99

$

In Stock, Qty 20+

0

6

MTD 710-0286

Truss-Mach. Scr. 1/4-20 x .50" Lg.*

$4.99

$

In Stock, only 4 left!

0

8

MTD 736-0270

Bell-Wash. .265" I.D. x .75

$4.49

$

In Stock, Qty 20+

0

10

MTD 749-0820

Speed Selector Brace

$

$

Not available

11

MTD 712-0138

Hex Nut 1/4-28 Thd.

$7.49

$

Usually ships in 3-6 days

0

12

MTD 17128

Spring Retainer Brkt.
(Superseded to 17128A-0637)

$17.99

$

Usually ships in 3-6 days

0

14

MTD 710-0559

Hex Bolt 1/4-28 x 1.75 Lg.

$

$

Not available

15

MTD 15891C

Idler Bracket
(Superseded to 15891C-0637)

Variations

15891C-0637

MTD 15891C-0637

BRACKET-IDLER - POWDER BLACK (0637)

$

$

Not available

$

$

16

MTD 16554A

Variable Speed Torque Brkt. Ass'y.
(Superseded to 16554A-0637)

Variations

16554A-0637

MTD 16554A-0637

Torque Bracket Assembly - POWDER BLACK (0637)

$21.99

$

Usually ships in 3-6 days

0

$21.99

$

Usually ships in 3-6 days

0

17

MTD 16676A

Variable Speed Brkt. Ass'y.

$

$

Not available

19

MTD 710-0118

Hex Bolt 5/16-18 x .75" Lg.
(Superseded to 710-3008)

$4.49

$

In Stock, Qty 20+

0

20

MTD 710-0151

Hex Bolt 3/8-24 x 2.011 Lg. Grade 5

$7.99

$

In Stock, only 2 left!

0

22

MTD 710-0757

Hex Bolt 7/16-20 x 1.5" Lg.

$10.99

$

In Stock, only 2 left!

0

MTD 710-0704

Hex Bolt 3/8-24 x 4.0" Lg.

$

$

Not available

24

MTD 711-0768

Belt Guard Pin
(Superseded to 911-1000)

$11.99

$

In Stock, Qty 8

0

25

MTD 712-0241

Hex Nut 3/8-24 Thd.

$4.99

$

In Stock, only 2 left!

0

27

MTD 712-0287

Hex Nut 1/4-20 Thd.
(Superseded to 912-0287)

$4.99

$

Usually ships in 3-6 days

0

29

MTD 712-0922

Hex Jam Nut 1/2-20 Thd.
(Superseded to 712-3029)

$7.49

$

In Stock, Qty 10

0

30

MTD 710-0902

Hex Bolt 3/8-24 x 3.751' Lg.

$8.49

$

Usually ships in 3-6 days

0

31

MTD 716-0114

Snap Ring
(Superseded to 916-0114)

$7.49

$

In Stock, Qty 8

0

32

MTD 717-0800

Variable Speed Pulley Ass'y.
(Superseded to 917-0800A)

$260.99

$

In Stock, only 1 left!

0

33

MTD 717-0775

Transaxle Complete
(Superseded to 753-0537)

$

$

Not available

34

MTD 736-0607

Ext. L-Wash. 5/16" I.D.

$4.49

$

In Stock, Qty 20+

0

35

MTD 736-0258

Fl-Wash. 3/8" I.D. x 1.0" O.D.

$4.99

$

In Stock, Qty 14

0

36

MTD 732-0384

Extension Spring 6.12" Lg.
(Superseded to 932-0384)

$14.99

$

In Stock, only 4 left!

0

37

MTD 732-0459

Extension Spring 7.5" Lg.
(Superseded to 732-0459C)

$19.99

$

In Stock, Qty 20+

0

38

MTD 732-0568

Extension Spring 2.59" Lg.
(Superseded to 932-0568)

$

$

Not available

39

MTD 736-0117

Fl-Wash. .385" I.D. x .620"
(Superseded to 936-0117)

$7.49

$

In Stock, only 1 left!

0

40

MTD 736-0119

L-Wash. 5/16" I.D.
(Superseded to 936-0119)

$4.99

$

In Stock, Qty 20+

0

41

MTD 736-0169

L-Wash. 3/8" I.D.

$3.99

$

In Stock, Qty 14

0

42

MTD 736-0171

L-Wash. 7/16" I.D.

$4.99

$

In Stock, only 2 left!

0

43

MTD 736-0322

Fl-Wash. .450" I.D. x 1.25"

$9.99

$

In Stock, Qty 8

0

44

MTD 736-0329

L-Wash. 1/4" I.D.
(Superseded to 936-0329)

$4.99

$

In Stock, Qty 12

0

45

MTD 736-0331

Bell-Wash. .39" I.D. x 1.13"

$3.99

$

In Stock, Qty 8

0

46

MTD 736-0355

Fl-Wash. .56" I.D. x 1.0" O.D.

$4.49

$

In Stock, Qty 18

0

47

MTD 736-0414

Washer "Teflon" .565 I.D.

$4.49

$

In Stock, Qty 8

0

48

MTD 736-0253

Bell-Wash. 1/2" I.D. x 1.0" O.D.

$4.49

$

In Stock, Qty 20+

0

49

MTD 738-0569

Shaft .56n Dia. x 3.875" Lg.
(Superseded to 938-0569)

$35.99

$

In Stock, only 2 left!

0

50

MTD 741-0405

Thrust Brg. 1.25 O.D.
(Superseded to 941-0405)

$

$

Not available

51

MTD 741-0419

Flanged Nyliner Brg.

$5.49

$

Usually ships in 3-6 days

0

52

MTD 741-0495

Nyliner Flanged Brg.

$4.99

$

In Stock, Qty 10

0

53

MTD 747-0599

Speed Control Rod
(Superseded to 747-0599B)

$

$

Not available

54

MTD 750-0703

Spacer

$

$

Not available

55

MTD 754-0280

V-Belt
(Superseded to 954-0280A)

$48.99

$

In Stock, only 2 left!

0

56

MTD 754-0281

V-Belt
(Superseded to 954-0281)

$43.99

$

In Stock, only 2 left!

0

57

MTD 756-0559

1/2 V-Pulley .501" I.D. x 8.00"

$

$

Not available

58

MTD 756-0437

Idler Pulley 3-1/8" Dia.
(Superseded to 756-0643A)

$43.99

$

In Stock, only 2 left!

0

59

MTD 756-0508

Dbl. Pulley 6.0" Dia. x 3.56"

$

$

Not available

60

MTD 732-0303

Extension Spring 3.18" Lg.
(Superseded to 932-0303)

$10.99

$

In Stock, Qty 6

0

61

MTD 732-0413

Extension Spring 7.08" Lg.
(Superseded to 932-0413)

$12.99

$

In Stock, only 2 left!

0

62

MTD 748-0234

Shld. Spacer .500" Dia.

$4.99

$

In Stock, only 3 left!

0

63

MTD 734-0255

Air Valve
(Superseded to 934-0255)

$4.49

$

In Stock, Qty 20+

0

64

MTD 17588

Front Frame

$

$

Currently unavailable

65

MTD 17589

Rear Frame
(Superseded to 753-0597)

$

$

Not available

66

MTD 16654

Transaxle Support Brkt.
(Superseded to 16654A-0637)

$

$

Not available

67

MTD 16659

Transaxle Brkt. Reinforcement
(Superseded to 16659-0637)

Variations

16659-0637

MTD 16659-0637

BRACKET-TRANS REIN - POWDER BLACK (0637)

$

$

Not available

$

$

68

MTD 710-0726

Hex Wash. AB-Tap Scr. 5/16 x.75" Lg.

$4.49

$

In Stock, Qty 11

0

69

MTD 710-0258

Hex Bolt 1/4-20 x .62" Lg.
(Superseded to 710-0751)

$4.49

$

In Stock, Qty 20+

0

70

MTD 725-1426

Solenoid
(Superseded to 925-1426A)

$28.99

$

In Stock, Qty 20+

0

71

MTD 725-0459

Circuit Breaker
(Superseded to 753-0685)

$

$

Not available

73

MTD 710-0176

Hex Bolt 5/16-18 x 2.75" Lg.

$4.99

$

Usually ships in 3-6 days

0

74

MTD 710-0351

Truss Mach. B-Tap Scr. #10 x.50" Lg.

$4.99

$

In Stock, Qty 20+

0

75

MTD 17594

Foot Pedal Rod Ass'y.

$

$

Not available

76

MTD 735-0239

Foot Pad
(Superseded to 735-0239A)

$12.99

$

In Stock, Qty 9

0

77

MTD 710-1012

Ribbed Neck Bolt 5/16-24 x .34" Lg.

$4.99

$

Usually ships in 3-6 days

0

80

MTD 711-0198

Ferrule
(Superseded to 911-0198)

$14.99

$

In Stock, only 2 left!

0

81

MTD 712-0271

Hex Sems Nut 1/4-20 Thd.

$4.99

$

In Stock, Qty 13

0

82

MTD 714-0470

Cot-Pin 1/8" Dia. x 1.25" Lg.

$4.49

$

In Stock, Qty 7

0

83

MTD 714-0507

Cot-Pin 3/32" Dia. x .75" Lg.

$4.99

$

In Stock, only 2 left!

0

85

MTD 714-0114

Sq. Key 1/4 x 2.0 Lg.
(Superseded to 914-0114)

$4.49

$

In Stock, only 2 left!

0

86

MTD 736-0256

Fl-Wash. .635" I.D. x 1.0"
(Superseded to 936-0256)

$7.99

$

Usually ships in 3-6 days

0

88

MTD 747-0593

Brake Rod

$

$

Not available

89

MTD 750-0800

Spacer 5/8" I.D. x 1.2" Lg.

$

$

Not available

90

MTD 725-0976A

Ground Wire 7.25" Lg.

$

$

Not available

91

MTD 17457

Speed Selector Lever
(Superseded to 17457B)

$

$

Not available

92

MTD 16693A

5 Speed Selector Brkt.

$

$

Not available

MTD 16694A

7 Speed Selector Brkt.

$

$

Not available

93

MTD 738-0138

Shld. Bolt .437" Dia. x .47" Lg.
(Superseded to 738-0138A)

$7.49

$

In Stock, Qty 14

0

94

MTD 711-0677

Ferrule
(Superseded to 911-0677)

$18.99

$

In Stock, only 3 left!

0

95

MTD 710-0428

Hex Bolt 1/4-28 x 1.25" Lg.

$2.49

$

In Stock, only 1 left!

0

96

MTD 714-0104

Intern. Cot-Pin 5/16" Dia.

$4.49

$

In Stock, Qty 11

0

97

MTD 750-0703

Spacer .375" I.D. x .625"

$

$

Not available

99

MTD 736-0264

Fl-Wash. .344" I.D. x .62"

$7.49

$

In Stock, Qty 8

0

100

MTD 736-0463

Fl-Wash. .25" I.D. x .62" O.D.

$4.99

$

In Stock, Qty 16

0

101

MTD 747-0675

Speed Control Rod
(Superseded to 747-0675A)

$

$

Not available

102

MTD 736-0101

Fl-Wash. 3/8" I.D. x .1"O.D.
(Superseded to 936-0101)

$4.99

$

Usually ships in 3-6 days

0

103

MTD 714-0115

Cot-Pin 1/8" Dia. x 1.0" Lg.

$4.49

$

Usually ships in 3-6 days

0

104

MTD 736-0275

Fl-Wash. .34" I.D. x .68"

$7.49

$

Usually ships in 3-6 days

0

105

MTD 736-0278

Fl-Wash. .34" I.D.

$6.49

$

Usually ships in 3-6 days

0

106

MTD 710-0627

Hex L-Bolt 5/16-24 x .75" Lg.

$4.49

$

In Stock, Qty 18

0

107

MTD 734-1424

Rear Wheel Ass'y. Comp.

$

$

Not available

108

MTD 734-1423

Tire Only

Variations

734-1423-0901

MTD 734-1423-0901

No Longer Available TIRE-16 X - Carlisle (0901)

$

$

Not available

734-1423-0902

MTD 734-1423-0902

No Longer Available TIRE-16 X - Dico (0902)

$

$

Not available

$

$

109

MTD 734-1450

Rim Ass'y. Only

$

$

Not available

110

MTD 736-0242

Bell-Wash. .345" I.D. x .88"

$4.99

$

In Stock, Qty 20+

0

113

MTD 712-0298

Hex Jam Nut 1/4-20 Thd.
(Superseded to 912-0298)

$6.99

$

Usually ships in 3-6 days

0

114

MTD 17178A

Shift Lever Adjusting Link

$

$

Not available

115

MTD 16482

Shift Lever Spring Brkt.

$

$

Not available

116

MTD 17597

Brake Rod Guide Brkt.

Variations

17597-0637

MTD 17597-0637

No Longer Available BRACKET-BR - POWDER BLACK (0637)

$

$

Not available

$

$

117

MTD 710-0289

Hex Bolt 1/4-20 x .50 Lg.
(Superseded to 910-0289)

$3.99

$

In Stock, only 3 left!

0

118

MTD 710-1066

Hex B-Tap Scr. #10 x .38" Lg.
(Superseded to 910-0224)

$3.99

$

In Stock, Qty 10

0

119

MTD 714-0149B

Intern. Cotter Pin

$4.99

$

In Stock, only 2 left!

0

120

MTD 725-3169

Safety Switch
(Superseded to 925-04039)

Note: (Clutch)

$25.99

$

In Stock, Qty 15

0

121

MTD 720-0232

Knob
(Superseded to 920-0232)

$11.99

$

In Stock, Qty 6

0

122

MTD 726-0231

Retaining Ring
(Superseded to 926-0106)

$

$

Not available

123

MTD 732-0499

Compression Spring 1.6" Lg.

$9.99

$

In Stock, Qty 7

0

124

MTD 710-0604

Hex Wash. Hd. Scr. 5/16-18 x .62" Lg.
(Superseded to 710-0604A)

$4.99

$

In Stock, Qty 8

0

125

MTD 736-0226

Fl-Wash. .469" I.D. x .88"
(Superseded to 936-0226)

$4.49

$

In Stock, only 2 left!

0

126

MTD 747-0694A

Shift Rod Ass'y.

Variations

747-0694A-0637

MTD 747-0694A-0637

No Longer Available ROD ASSY-SHIFT - POWDER BLACK (0637)

$

$

Not available

$

$

127

MTD 747-0685

Shift Rod

$

$

Not available

130

MTD 17179

Shift Lever Support

$

$

Not available

131

MTD 710-0227

Hex Wash. Hd. #8 x .50" Lg.

$4.49

$

In Stock, Qty 20+

0

132

MTD 726-0222

Insulator Nut Plate
(Superseded to 926-0320)

$7.49

$

In Stock, Qty 9

0

133

MTD 725-0758

Spring Switch
(Superseded to 753-0580)

$

$

Not available

134

MTD 710-0502A

Hex Wash. Hd. Tap Scr. 3/8-16 x 1.25" Lg.

$6.99

$

In Stock, Qty 8

0

135

MTD 710-0672

Hex Bolt 5/16-24 x 1-1/4" Lg. Grade 5

$4.99

$

In Stock, Qty 9

0

137

MTD 712-0123

Hex Nut 5/16-24 Thd.
(Superseded to 912-3057)

$7.49

$

In Stock, Qty 8

0

138

Engine

$

$

Not available

139

Muffler

$

$

Not available

MTD 751-0157

8 HP B&S

$

$

Currently unavailable

MTD 751-0157

10 HP Tec.

$

$

Currently unavailable

MTD 751-0450

10 & 11 HP B&S

$

$

Not available

MTD 751-0443A

12 HP Tec.
(Superseded to 951-0443A)

$

$

Not available

141

MTD 736-0141

Wave Wash. .445" I.D.
(Superseded to 936-0141)

$7.49

$

In Stock, only 2 left!

0

143

MTD 741-0404

Needle Brg.

$42.99

$

In Stock, only 2 left!

0