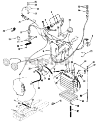
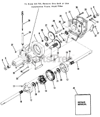
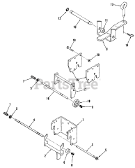
11-12K801 (C-125) - Toro Lawn Tractor (1983) Parts & Diagrams Parts Lists & Diagrams

Lawn Tractor