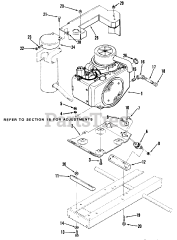
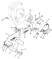
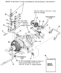
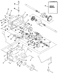
11-12K802 (C-125) - Toro Lawn Tractor (1984) Parts & Diagrams Parts Lists & Diagrams

Lawn Tractor