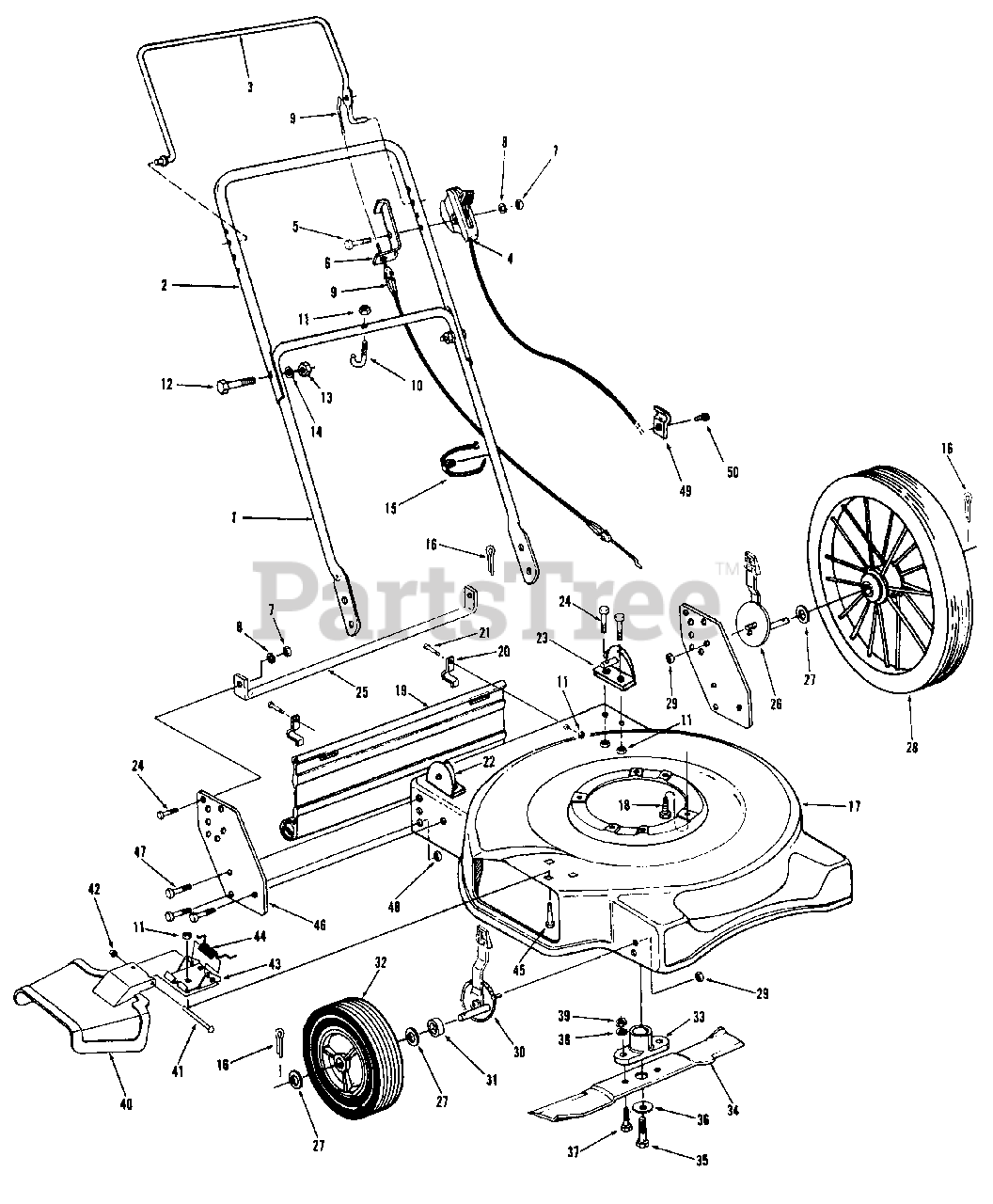
110-508R131 - Huskee Walk-Behind Mower (1990) (Tractor Supply) Parts Parts Diagram

Walk-Behind Mower

Parts Parts Diagram

  • Title
1

MTD 749-0806

Lower Handle

$

$

Not available

2

MTD 749-0756

Upper Handle
(Superseded to 749-0756A)

$

$

Not available

3

MTD 747-0748

Engine Control Lever

$

$

Not available

4

MTD 746-0820

Throttle Control
(Superseded to 946-0821A)

$

$

Not available

5

MTD 710-0501

Hex Bolt 1/4-20 x 2.00" Lg.

$7.99

$

In Stock, only 2 left!

0

6

MTD 17174

Cable Mounting Bracket

$

$

Not available

7

MTD 712-0287

Hex Nut 1/4-20 Thd
(Superseded to 912-0287)

$4.99

$

Usually ships in 3-6 days

0

8

MTD 736-0329

L-Wash. 1/4" I.D.
(Superseded to 936-0329)

$4.99

$

In Stock, Qty 12

0

9

MTD 746-0553

Control Cable - 36"
(Superseded to 946-0553)

$25.99

$

In Stock, only 2 left!

0

10

MTD 747-0779

Rope Guide

Note: (J-Bolt)

$

$

Not available

11

MTD 712-0324

Hex L-Nut 1/4-20 Thd

$3.99

$

In Stock, only 2 left!

0

12

MTD 710-0442

Hex Bolt 5/16-18 x 1.50 Lg.
(Superseded to 710-0805A)

$4.99

$

In Stock, Qty 10

0

13

MTD 712-0267

Hex Nut 5/16-18 Thd
(Superseded to 912-3010)

$4.99

$

In Stock, Qty 20+

0

14

MTD 736-0119

L-Wash. 5/16 I.D.
(Superseded to 936-0119)

$4.99

$

In Stock, Qty 20+

0

15

MTD 726-0240

CableTie
(Superseded to 725-0157)

$3.99

$

In Stock, Qty 20+

0

16

MTD 714-0474

Cotter Pin 1/8 x 3/4" Lg.

$4.99

$

In Stock, Qty 11

0

17

MTD 706-14267-01-10

22"Deck Ass'y

$

$

Not available

18

MTD 706-10605-16

Engine Mtg. Bolt
(Superseded to 710-0654A)

Note: (Special)

$4.99

$

In Stock, Qty 20+

0

19

MTD 731-1179

Rear Flap

$

$

Currently unavailable

20

MTD 706-10698-00-05

Hinge Bracket

$

$

Currently unavailable

21

MTD 710-0258

Hex Bolt 1/4-20 x .62" Lg.
(Superseded to 710-0751)

$4.49

$

In Stock, Qty 20+

0

22

MTD 706-10961-00-09

Handle Bracket - RH

$

$

Not available

23

MTD 706-10960-00-09

Handle Bracket - LH

$

$

Not available

24

MTD 710-0258

Hex Bolt 1/4-20 x .62" Lg.
(Superseded to 710-0751)

$4.49

$

In Stock, Qty 20+

0

25

MTD 706-13798

Stabilizer Bar

$

$

Currently unavailable

26

MTD 706-15499

Adjustor Ass'y - Left Rear

$

$

Currently unavailable

MTD 706-15498

Adjustor Ass'y - Right Rear

$

$

Not available

27

MTD 706-10002

Fl-Wash. 1/2" I.D.
(Superseded to 736-3068)

$7.49

$

In Stock, only 2 left!

0

28

MTD 734-1661

16" Steel Spoke Wheel

$

$

Not available

29

MTD 712-0431

Hex L-Nut 3/8-16 Thd
(Superseded to 912-0431)

$5.49

$

In Stock, Qty 20+

0

30

MTD 706-10127-02

Adjustor Ass'y - Right Front

$

$

Not available

MTD 706-10128-02

Adjustor Ass'y - Left Front

$

$

Not available

31

MTD 750-0796

Wheel Spacer

$

$

Not available

32

MTD 734-1655

8" Wheel Ass'y

$

$

Not available

33

MTD 753-0485

Blade Adaptor Kit

Note: (Incl. 35,36,37, 38 and 39)

$46.99

$

Usually ships in 3-6 days

0

34

MTD 742-0522

22" Blade
(Superseded to 942-0622)

$

$

Not available

35

MTD 710-0757

Blade Bolt

Note: (Special)

$10.99

$

In Stock, only 2 left!

0

36

MTD 736-0439

Bell-Wash. .460 I.D.

$3.99

$

Usually ships in 3-6 days

0

37

MTD 710-1055

Hex Bolt 3/8-24 x 1.00 Lg.

$5.49

$

Usually ships in 3-6 days

0

38

MTD 736-0169

L-Wash. 3/8" I.D.

$3.99

$

In Stock, Qty 13

0

39

MTD 712-0241

Hex Nul 3/8-24 Thd.

$4.99

$

In Stock, only 2 left!

0

40

MTD 706-15492-01-90

Chute Deflector

$

$

Currently unavailable

41

$

$

Currently unavailable

42

MTD 706-10116

Retainer
(Superseded to 726-0111)

$

$

Not available

43

MTD 706-10113-00-90

Adaptor Plate

$

$

Not available

44

$

$

Not available

45

MTD 710-0167

Carriage Bolt 1/4-20 x .50 Lg.
(Superseded to 710-05177)

$5.49

$

In Stock, Qty 15

0

46

MTD 706-13797-01-10

Bracket

Note: (Right & Left)

$

$

Currently unavailable

47

MTD 710-0216

Hex Bolt 3/8-16 x 3/4" Lg.

$4.49

$

In Stock, only 4 left!

0

48

MTD 712-0430

Hex L-Nut 3/8-16 Thd.
(Superseded to 912-3000)

$4.49

$

In Stock, Qty 17

0

49

MTD 706-13913

Casing Clamp
(Superseded to BS-690798)

$5.49

$

In Stock, only 3 left!

0

50

MTD 706-14697-10

Scr. - Casing Clamp

$

$

Not available