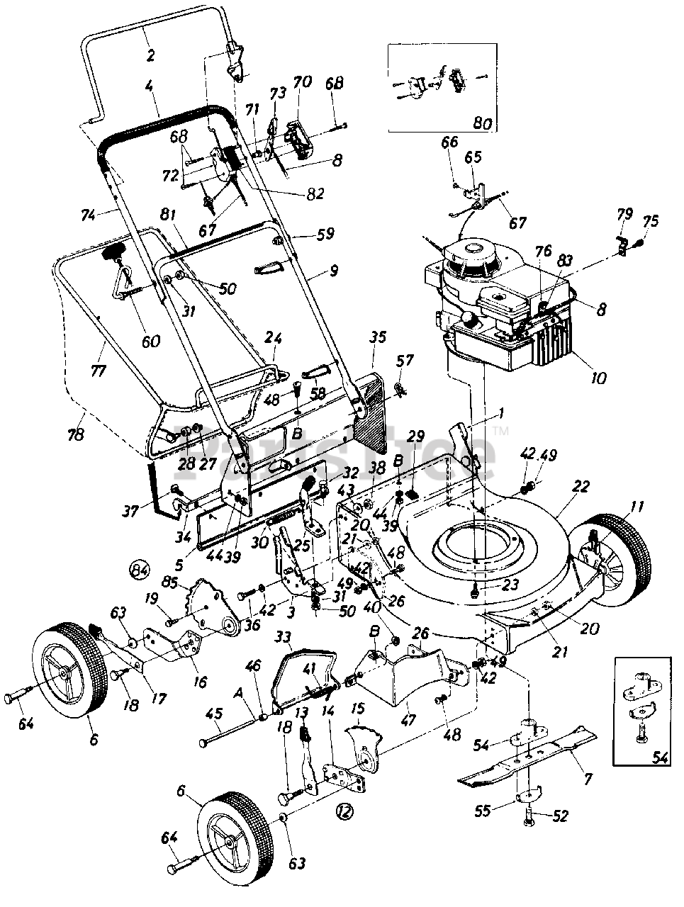
118-315R092 - MTD Walk-Behind Mower (1988) (Price Savers) Parts Parts Diagram

Walk-Behind Mower

Parts Parts Diagram

  • Title
1

MTD 12297

Handle Brkt. Ass'y.-L.H.

$

$

Not available

2

MTD 14321

Control Handle Ass'y.

$

$

Not available

3

MTD 14592

Handle Brkt. Ass'y.-R.H.

$

$

Currently unavailable

4

$

$

Currently unavailable

5

MTD 731-0665

Rear Flap Ass'y.

$

$

Not available

6

Wheel Ass'y.

$

$

Not available

MTD 734-0841

Plastic Rim

$

$

Not available

MTD 734-1162

Plastic Rim

$

$

Not available

MTD 734-0661

Twinline Tread

$

$

Not available

MTD 734-0812

Waffle Tread

$

$

Not available

MTD 734-0843

Smooth Tread

$

$

Not available

MTD 734-0643

Twinline Tread

$

$

Not available

MTD 734-0645

Waffle Tread

$

$

Not available

MTD 734-0845

Smooth Tread

$

$

Not available

7

MTD 742-0521

21 " Blade
(Superseded to 942-0621)

$31.99

$

In Stock, only 1 left!

0

8

MTD 746-0672

Throttle Wire-58"
(Superseded to 946-0674A)

Note: (312R)

$19.99

$

In Stock, only 2 left!

0

MTD 746-0640

Throttle Wire-45"
(Superseded to 946-1115)

Note: (313R)

$29.99

$

In Stock, only 2 left!

0

9

MTD 749-0505

Lower Handle
(Superseded to 749-0907B)

$53.99

$

In Stock, only 3 left!

0

10

Engine

$

$

Not available

11

MTD 14579

Front L.H. Height Adj. Ass'y.
(Superseded to 753-06761)

$69.99

$

In Stock, Qty 7

0

12

MTD 14578

Front R.H. Height Adj. Ass'y.
(Superseded to 753-06761)

$69.99

$

In Stock, Qty 7

0

13

MTD 14832

Spring Lever Ass'y. w/Knob
(Superseded to 94832)

$11.99

$

In Stock, only 2 left!

0

14

MTD 15262

Front Pivot Bar
(Superseded to 15262B)

$15.99

$

In Stock, only 1 left!

0

15

MTD 15261

Front Index Plate
(Superseded to 787-01290A)

$12.99

$

In Stock, only 2 left!

0

16

MTD 14765

Rear Pivot Bar-R.H.

$19.99

$

Usually ships in 3-6 days

0

MTD 14766

Rear Pivot Bar-L.H.

Note: (Not Shown)

$19.99

$

Usually ships in 3-6 days

0

17

MTD 732-0417

Spring Lever w/Knob
(Superseded to 732-0417A)

$

$

Not available

18

MTD 738-0507

Shld. Bolt .50" Dia. x .375
(Superseded to 938-0507B)

$4.99

$

In Stock, Qty 20+

0

19

MTD 710-0892

Hex Wash. Hd. Tap Scr. 1/4 x.62" Lg.
(Superseded to 910-0892)

$

$

Not available

20

MTD 712-0798

Hex Nut 3/8-16 Thd.

$4.49

$

In Stock, Qty 20+

0

21

MTD 736-0356

Bell-Wash. .39" I.D. x .38"
(Superseded to 936-0356)

$

$

Not available

22

MTD 16241

20" Deck Ass'y.

Variations

16241-0638

MTD 16241-0638

No Longer Available DECK ASM - MTD/TROY-BILT RED (0638)

$

$

Not available

$

$

23

MTD 710-0654

Self-Tap Screw 3/8-16 x .88"
(Superseded to 710-0654A)

$4.99

$

In Stock, Qty 20+

0

24

MTD 14582

Catcher Lower Frame Ass'y.

Variations

14582-0637

MTD 14582-0637

No Longer Available FRAME-LOWE - POWDER BLACK (0637)

$

$

Not available

$

$

25

MTD 14845

Lock Lever w/Knob

$

$

Not available

26

MTD 16366

Baffle

$

$

Currently unavailable

27

MTD 726-0100

Push Nut 3/8" Rod

$4.99

$

In Stock, only 1 left!

0

28

MTD 731-0430

Plastic Roller

$

$

Not available

29

MTD 731-0564

Plastic Plug

$

$

Not available

30

MTD 732-0357

Tension Spring
(Superseded to 932-0357A)

$4.99

$

In Stock, only 3 left!

0

31

MTD 736-0119

L-Wash. 5/16" I.D.
(Superseded to 936-0119)

$4.99

$

In Stock, Qty 20+

0

32

MTD 738-0155

Shld. Bolt .437" Dia. x .162
(Superseded to 938-0155)

$7.49

$

Usually ships in 3-6 days

0

33

MTD 13407

Chute Door

$

$

Not available

34

MTD 14012

Grass Catcher Hitch Brkt.

$

$

Not available

35

MTD 16258

Rear Deck Section

$

$

Not available

36

MTD 710-0412

Hex Bolt 1/4-28 x .75" Lg.

$5.99

$

In Stock, Qty 6

0

37

MTD 710-0703

Carr. Bolt 1/4-20 x .75" Lg.

$4.49

$

In Stock, Qty 20+

0

38

MTD 712-0138

Hex Nut 1/4-28 Thd.

$7.49

$

Usually ships in 3-6 days

0

39

MTD 712-0271

Sems Nut 1/4-20 Thd.

$4.99

$

In Stock, Qty 13

0

40

MTD 726-0106

Push Nut 1/4" Rod

$4.49

$

Usually ships in 3-6 days

0

41

MTD 732-0346

Torsion Spring

$

$

Not available

42

MTD 736-0329

L-Wash. 1/4" I.D.
(Superseded to 936-0329)

$4.99

$

In Stock, Qty 7

0

43

MTD 736-0270

Bell-Wash. 1/4" I.D. x .88"

$4.49

$

In Stock, Qty 20+

0

44

MTD 736-0211

Fl-Wash. .385" I.D. x 1.25

$7.49

$

In Stock, only 3 left!

0

45

MTD 738-0386

Hinge Pin

$

$

Not available

46

MTD 750-0218

Spacer .262" I.D. x .58" Lg.
(Superseded to 950-0218)

$

$

Not available

47

MTD 16259

Rear Baffle

$

$

Not available

48

MTD 710-0167

Carriage Bolt 1/4-20 x .50"
(Superseded to 710-05177)

$5.49

$

Usually ships in 3-6 days

0

49

MTD 712-0287

Hex Nut 1/4-20 Thd.
(Superseded to 912-0287)

$4.99

$

Usually ships in 3-6 days

0

50

MTD 712-0267

Hex Nut 5/16-18 Thd.
(Superseded to 912-3010)

$4.99

$

In Stock, Qty 20+

0

52

MTD 710-0459

Hex Bolt 3/8-24 x 1.5" Lg. (Grade 5)
(Superseded to 710-0459A)

$7.49

$

In Stock, only 2 left!

0

54

MTD 753-0462

Blade Adapter Kit

$

$

Not available

55

MTD 736-0415

Blade Bell-Wash.
(Superseded to 753-0525)

$

$

Not available

56

MTD 735-0639

Spark Plug Boot

$

$

Not available

57

MTD 714-0104

Intern. Cot. Pin 5/16" Dia.

$4.49

$

In Stock, Qty 20+

0

58

MTD 726-0240

Cable Tie
(Superseded to 725-0157)

$3.99

$

In Stock, Qty 19

0

59

MTD 710-0671

Curved Carriage Bolt 5/16-18 x 1.38" Lg.

$

$

Not available

60

MTD 710-0842

Rope Guide Bolt

$

$

Not available

63

MTD 736-0105

Bell-Wash. .400" I.D. x .88" O.D. x .060

$4.99

$

In Stock, Qty 20+

0

64

MTD 738-0102

Axle Bolt

$10.99

$

In Stock, only 3 left!

0

65

MTD 14924

Cable Bracket

$

$

Not available

66

MTD 728-0171

Pop Rivet

$

$

Not available

67

MTD 746-0479

Brake Control Cable 43"
(Superseded to 946-0479A)

Note: (312R)

$

$

Not available

MTD 746-0555

Blade Control Cable 55"
(Superseded to 946-0555)

Note: (313R)

$26.99

$

In Stock, only 4 left!

0

68

MTD 710-0796

Truss Mach. Hd. "B" Tap Scr. #12 x 1.50" Lg.

$5.99

$

In Stock, only 4 left!

0

70

MTD 731-0523

Control Panel Half

$

$

Not available

71

MTD 731-0524

Control Disc Pin

$

$

Not available

72

MTD 731-0526

Clutch Panel Half

$

$

Not available

73

MTD 731-0528

Throttle Control Lever
(Superseded to 931-0972)

$10.99

$

In Stock, Qty 12

0

74

MTD 749-0436

Upper Handle
(Superseded to 749-0438D-0637)

$

$

Not available

75

MTD 710-0429

Hex B-Tap Scr. #10 x .38" Lg.
(Superseded to 910-0429)

$3.99

$

Usually ships in 3-6 days

0

76

MTD 751-0369

Casing Clampt

$

$

Not available

77

MTD 749-0278

Catcher Upper Frame

$

$

Not available

78

MTD 764-0171

Grass Bag (Without Flip Top)
(Superseded to 964-0171B)

$

$

Not available

MTD 764-0170

Grass Bag (With Flip Top)

$

$

Not available

79

MTD 12894

Casing Clamp

$

$

Not available

80

MTD 753-0430

Control Housing Comp.

$

$

Not available

81

MTD 777-5776

Instruction Label-Handle

$

$

Currently unavailable

82

MTD 777-5773

Control Label-Throttle

$

$

Currently unavailable

83

MTD 710-0227

Hex Wash. Hd. AB-Tap Scr. #8 x .38" Lg.

$4.49

$

In Stock, Qty 20+

0

84

MTD 16106

Rear Height Adj. Ass'y.-R.H.

$

$

Not available

MTD 16107

Rear Height Adj. Asg'y.-L.H.

$

$

Not available

85

MTD 14764

Rear Index Plate
(Superseded to 14764C)

$8.99

$

Usually ships in 3-6 days

0

MTD 8312-000-8

Hardware Pack

$

$

Currently unavailable