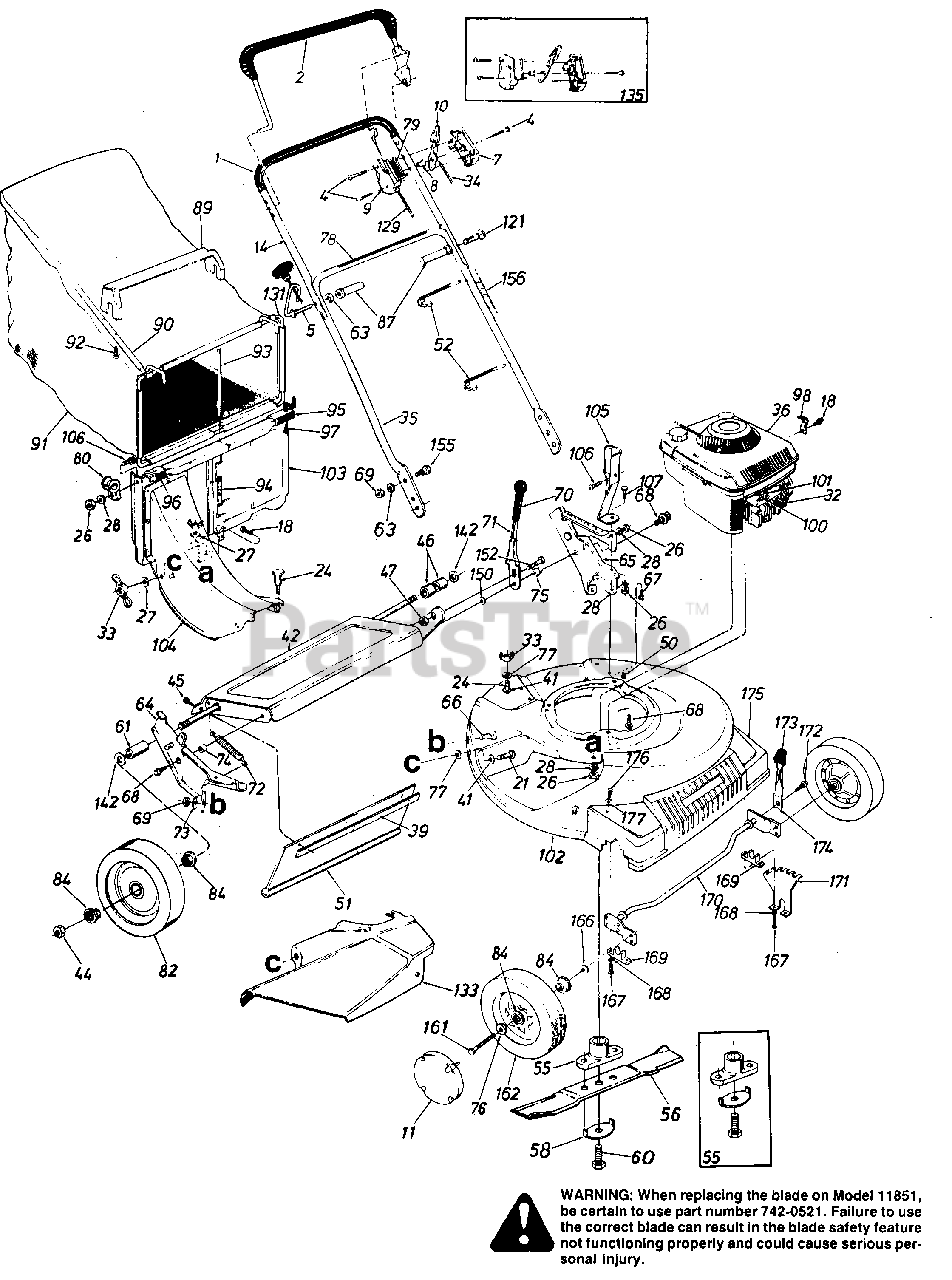
11852-8 - MTD Walk-Behind Mower (1988) 21" Parts Diagram

Walk-Behind Mower

21" Parts Diagram

  • Title
1

$

$

Currently unavailable

2

MTD 731-0609

Control Handle Ass'y. L.H.

$

$

Not available

4

MTD 710-0796

Truss Mach. Scr. #12 x 1.5"

$5.99

$

In Stock, Qty 6

0

5

MTD 710-0842

Rope Guide Bolt

$

$

Not available

7

MTD 731-0817

Control Panel Half

$

$

Not available

8

MTD 731-0524

Control Disc Pin

$

$

Not available

9

MTD 731-0816

Clutch Panel Half

$

$

Not available

10

MTD 731-0528

Throttle Control Lever
(Superseded to 931-0972)

$10.99

$

In Stock, Qty 13

0

11

MTD 731-0982

Hub Cap
(Superseded to 731-0982C)

$11.99

$

In Stock, Qty 6

0

14

MTD 749-0436

Upper Handle Chrome
(Superseded to 749-0438D-0637)

$

$

Not available

18

MTD 710-0429

Hex B-Tap Scr. #10 x .38"
(Superseded to 910-0429)

$3.99

$

Usually ships in 3-6 days

0

21

MTD 710-0134

Carriage Bolt 1/4-20 X .62"

$4.49

$

In Stock, only 4 left!

0

24

MTD 738-0704

Shoulder Bolt .312 Dia. x .18 Lg. Special

$18.99

$

Usually ships in 3-6 days

0

26

MTD 712-0287

Hex Nut 1/4-20 Thd.
(Superseded to 912-0287)

$4.99

$

Usually ships in 3-6 days

0

27

MTD 736-0270

Bell-Wash. 1/4" I.D.

$4.49

$

In Stock, Qty 20+

0

28

MTD 736-0329

L-Wash. 1/4" I.D.
(Superseded to 936-0329)

$4.99

$

In Stock, Qty 12

0

32

MTD 735-0639

Spark Plug Insulator

$

$

Not available

33

MTD 712-0109

Wing Nut

$

$

Not available

34

MTD 746-0672

Throttle Control Wire 58"
(Superseded to 946-0674A)

$19.99

$

In Stock, only 2 left!

0

35

MTD 749-0726

Lower Handle Chrome

$

$

Not available

36

Engine

$

$

Not available

39

MTD 14835

Retaining Strip

$

$

Not available

41

MTD 736-0204

Fl-Wash. .344" I.D. x .62"

$4.49

$

In Stock, Qty 14

0

42

MTD 16131

Rear Axle Ass'y.

$

$

Not available

44

MTD 712-0346

Hex L-Nut 1/2-20 Thd.

$4.99

$

In Stock, only 4 left!

0

45

MTD 710-0776

Hex AB-Tap Scr. 1/4 X .62"
(Superseded to 710-0896)

$4.49

$

In Stock, Qty 18

0

46

MTD 711-0500

Spacer.526" I.D.

$

$

Not available

47

MTD 712-0296

Hex Patch L-Nut 3/8-24 Thd.
(Superseded to 912-0296)

$2.99

$

Usually ships in 3-6 days

0

50

$

$

Not available

51

MTD 731-0671

Rear Flap

$

$

Currently unavailable

52

MTD 726-0240

Cable Tie
(Superseded to 725-0157)

$3.99

$

In Stock, Qty 20+

0

55

MTD 753-0463

Blade Adapter Kit
(Superseded to 753-0485)

$46.99

$

Usually ships in 3-6 days

0

56

MTD 742-0306

21" Blade
(Superseded to 942-0621)

Note: (11852)

$31.99

$

In Stock, only 3 left!

0

MTD 742-0521

21" Blade
(Superseded to 942-0621)

Note: (11851)

$31.99

$

In Stock, only 3 left!

0

58

MTD 736-0415

Blade Bell-Wash.
(Superseded to 753-0525)

$

$

Not available

60

MTD 710-0757

Hex Bolt 7/16-20 x 1.5" Grade 5*

$10.99

$

In Stock, only 2 left!

0

61

MTD 711-0313

Sleeve .526" I.D.

$

$

Not available

63

MTD 736-0119

L-Wash .5/16" I.D.
(Superseded to 936-0119)

$4.99

$

In Stock, Qty 20+

0

64

MTD 16136

R.H. Handle Wheel Brkt. Ass'y.
(Superseded to 16136C-0637)

$

$

Not available

65

MTD 16137

L.H. Handle Wheel Brkt. Ass'y.
(Superseded to 16137C-0637)

$

$

Not available

66

MTD 710-0260

Carriage Bolt 5/16-18 x .62"
(Superseded to 710-0260A)

$4.49

$

In Stock, Qty 20+

0

67

MTD 710-0603

Hex Wash. Hd. B-Tap Scr. 5/16-18

$5.49

$

Usually ships in 3-6 days

0

68

MTD 710-0654

Hex Wash. Hd. TT-Tap Scr. 3/8-16
(Superseded to 710-0654A)

$4.99

$

In Stock, Qty 20+

0

69

MTD 712-0267

Hex Nut 5/16-18 Thd.
(Superseded to 912-3010)

$4.99

$

In Stock, Qty 20+

0

70

$

$

Not available

71

MTD 732-0473

Height Adj. Lever
(Superseded to 732-0473B)

$

$

Not available

72

MTD 732-0481

Extension Spring 3.80" Lg.
(Superseded to 932-0481)

$

$

Not available

73

MTD 736-0242

Bell-Wash. 5/16" I.D.

$4.99

$

In Stock, Qty 20+

0

74

MTD 750-0526

Spacer.385" I.D.

$4.99

$

In Stock, Qty 10

0

75

MTD 750-0624

Shld. Spacer .5" Dia.

$

$

Not available

76

MTD 736-0160

Fl-Wash. .531" I.D.

$4.49

$

Usually ships in 3-6 days

0

77

MTD 726-0233

Bolt Retainer 1/4 X .50" O.D.

$4.49

$

In Stock, Qty 20+

0

78

MTD 777-5816

Instruction Label

$

$

Currently unavailable

79

MTD 777-5814

Control Label

$

$

Not available

80

MTD 719-0279

Rope Guide

$16.99

$

Usually ships in 3-6 days

0

82

MTD 734-1517

Wheel Ass'y. Comp.
(Superseded to 734-1517B)

$72.99

$

Usually ships in 3-6 days

0

84

MTD 741-0180

Flange Ball Bearing 1/2" I.D.
(Superseded to 941-0180)

$18.99

$

Usually ships in 3-6 days

0

87

MTD 711-0807

Catcher Support Pin

$

$

Not available

89

MTD 731-0801

Bag Handle

$

$

Not available

90

MTD 749-0723

Rear Catcher Frame

Variations

749-0723-0637

MTD 749-0723-0637

No Longer Available FRAME-CATC - POWDER BLACK (0637)

$

$

Not available

$

$

91

MTD 764-0259

Grass Bag

$

$

Not available

92

MTD 710-1025

Hex AB-Tap Scr. #12 x 1.25" Lg.

$6.99

$

Usually ships in 3-6 days

0

93

MTD 747-0547

Chute Rod .188" Dia.

$

$

Not available

94

MTD 732-0558

Torsion Spring

$

$

Currently unavailable

95

MTD 731-0882

Door Clip

$

$

Not available

96

MTD 731-0883

Panel Clip

$

$

Not available

97

MTD 710-0895

Hex AB-Tap Scr. 1/4" X .75"

$6.99

$

In Stock, Qty 20+

0

98

MTD 12894

Casing Clamp

$

$

Not available

100

MTD 710-0436

Hex B-Tap Scr. #10 x .62"
(Superseded to 710-0651)

$3.99

$

Usually ships in 3-6 days

0

101

MTD 751-0463

Casing Clamp

$

$

Not available

102

MTD 17050

21" Deck Ass'y.

Variations

17050-0638

MTD 17050-0638

No Longer Available DECK ASM - MTD/TROY-BILT RED (0638)

$

$

Not available

$

$

103

MTD 17062

Chute Door

$

$

Not available

104

MTD 731-0864

Top Discharge Chute Ass'y.

$

$

Not available

105

MTD 17061

Grass Catcher Bracket

$

$

Not available

106

MTD 710-0286

Truss Mach. Scr. 1/4-20 x .50" Lg.

$4.99

$

In Stock, only 4 left!

0

107

MTD 710-0289

Hex Bolt 1/4-20 X .50" Lg.
(Superseded to 910-0289)

$3.99

$

In Stock, only 3 left!

0

121

MTD 710-0405

Curved Carr. Bolt 5/16-18 x 1.75" Lg.
(Superseded to 710-1174)

$7.99

$

In Stock, Qty 10

0

MTD 712-0798

Hex Nut 3/8 x 16 Thd.

Note: (11851)

$4.49

$

In Stock, only 2 left!

0

129

MTD 746-0480

Control Cable 46"
(Superseded to 946-0478A)

Note: (11852)

$

$

Not available

MTD 746-0479

Control Cable 55 "
(Superseded to 946-0479A)

Note: (11851)

$

$

Not available

131

MTD 747-0707

Front Catcher Frame

$

$

Not available

133

MTD 731-0885

Side Chute Deflector Ass'y.

$

$

Not available

135

MTD 753-0430

Kit Control Housing Comp.

$

$

Not available

142

MTD 736-0108

Fl-Wash. .510" I.D. x .75"

$7.49

$

Usually ships in 3-6 days

0

150

MTD 736-0258

Fl-Wash. 3/8" I.D. x 1.0"

$4.99

$

In Stock, Qty 11

0

152

MTD 710-0180

Hex Bolt 3/8-24 x .75" Lg.

$7.49

$

In Stock, Qty 5

0

155

MTD 710-0323

Truss Mach. Scr. 5/16-18 x .75"

$4.99

$

In Stock, only 2 left!

0

156

MTD 731-0759

Plastic Tubing

$

$

Not available

161

MTD 738-0102

Front Axle Bolt

$10.99

$

In Stock, Qty 5

0

162

MTD 734-1517

Wheel Ass'y. Comp.
(Superseded to 734-1517B)

$72.99

$

Usually ships in 3-6 days

0

166

MTD 736-0105

Bell-Wash. .400" I.D. x .88

$4.99

$

In Stock, Qty 6

0

167

MTD 710-0588

Hex Wash. Hd. B-Tap Scr. 1/4-20
(Superseded to 710-0788)

$7.49

$

In Stock, only 2 left!

0

168

MTD 736-0329

L-Wash. 1/4" I.D.
(Superseded to 936-0329)

$4.99

$

In Stock, Qty 12

0

169

MTD 741-0492

Block Bushing
(Superseded to 741-0492A)

$6.99

$

In Stock, only 2 left!

0

170

MTD 17060

Axle Ass'y.

$

$

Not available

171

MTD 17059

Height Adj. Bracket

$

$

Not available

172

MTD 710-0642

Hex Wash. Hd. B-Tap Scr. 1/4-20 X .75" Lg.

$4.99

$

In Stock, Qty 20+

0

173

MTD 720-0190

Knob
(Superseded to 731-13116-1)

$14.99

$

Usually ships in 3-6 days

0

174

MTD 732-0553

Spring Lever

$

$

Currently unavailable

175

MTD 731-0865

Plastic Front End
(Superseded to 931-0865C)

$

$

Not available

176

MTD 710-1001

Truss B-Tap Scr. 5/16 x .75"
(Superseded to 710-1242)

$4.99

$

In Stock, Qty 15

0

177

MTD 736-0271

Bell-Wash. 5/16" I.D. x 5/8
(Superseded to 936-0271)

$4.99

$

In Stock, only 2 left!

0

MTD 8857-400-8

Hardware Pack

Note: (11851)

$

$

Currently unavailable

MTD 8859-400-8

Hardware Pack

Note: (11852)

$

$

Currently unavailable