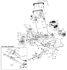
11A-508N099 - Craftsman Walk-Behind Mower (1998) (Sears) Parts & Diagrams Parts Lists & Diagrams

Walk-Behind Mower

11A-508N099 - Craftsman Walk-Behind Mower (1998) (Sears) > Parts Diagrams (3)