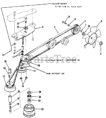
12-11BP02 (B-115) - Toro Lawn Tractor (1984) Parts & Diagrams Parts Lists & Diagrams

Lawn Tractor