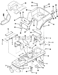
12-16BP01 (B-165) - Toro Lawn Tractor (1983) Parts & Diagrams Parts Lists & Diagrams

Lawn Tractor