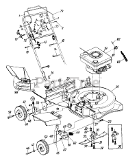
124-265D302 - MTD Walk-Behind Mower (1994) (Builder's Square) Parts & Diagrams Parts Lists & Diagrams

Walk-Behind Mower

124-265D302 - MTD Walk-Behind Mower (1994) (Builder's Square) > Parts Diagrams (2)