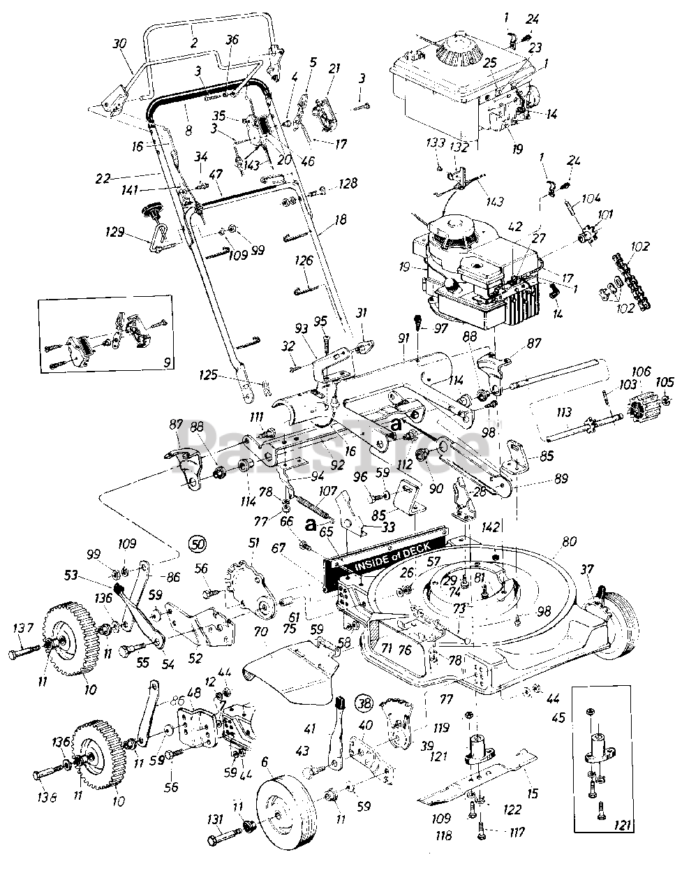
127-280-041 - Timberland Walk-Behind Mower (1987) Parts Parts Diagram

Walk-Behind Mower

Parts Parts Diagram

  • Title
1

MTD 12894

Casing Clamp

$

$

Not available

2

MTD 14321

Control Handle Ass'y.-L.H.

$

$

Not available

3

MTD 710-0796

Truss Mach. Hi-B Tap Scr. #12 x 1.5"

$5.99

$

In Stock, Qty 6

0

4

MTD 731-0524

Control Disc Pin

$

$

Not available

5

MTD 731-0528

Throttle Control Lever
(Superseded to 931-0972)

$10.99

$

In Stock, Qty 12

0

6

Front Wheel Ass'y. Comp.

$

$

Not available

MTD 734-0893

Waffle Tread (7 x 1.50)

$

$

Not available

MTD 734-0876

Twinline Tread (7 x 1.50)

$

$

Not available

MTD 734-0842

Smooth Tread (7 x 1.50)

$

$

Currently unavailable

MTD 734-0894

Waffle Tread (8 x 1.75)

$

$

Not available

MTD 734-0661

Twinline Tread (8 x 1.75)

$

$

Not available

MTD 734-0843

Smooth Tread (8 x 1.75)

$

$

Not available

MTD 736-0117

Fl-Wash. .38" I.D. x .620" O.D.
(Superseded to 936-0117)

Note: (280 Only)

$7.49

$

In Stock, only 1 left!

0

8

MTD 718-0145

Grip

Note: (Optional)

$

$

Currently unavailable

9

MTD 753-0430

Control Housing Comp.

$

$

Not available

10

MTD 734-1026

Rear Wheel Ass'y. Comp.

$

$

Not available

11

MTD 741-0180

Fl. Ball Brg 2 I.D.
(Superseded to 941-0180)

$18.99

$

Usually ships in 3-6 days

0

12

MTD 736-0169

L-Wash 3/8 I.D.

$3.99

$

In Stock, Qty 8

0

Hub Cap

$

$

Not available

14

MTD 735-0639

Spark Plug Insulator

$

$

Not available

15

MTD 742-0125

22" Blade
(Superseded to 942-0125B)

$

$

Not available

16

MTD 746-0625

Clutch Cable w/Spring-32"

$

$

Not available

17

MTD 746-0632

Throttle Wire-53"
(Superseded to 946-0671A)

$14.99

$

In Stock, Qty 5

0

18

MTD 749-0373

Lower Handle
(Superseded to 749-0928A)

$35.99

$

In Stock, only 2 left!

0

19

Engine

$

$

Not available

20

MTD 731-0816

Clutch Panel Half

$

$

Not available

21

MTD 731-0817

Control Panel Half

$

$

Not available

22

MTD 749-0536

Upper Handle
(Superseded to 749-0538E-0637)

$

$

Not available

23

MTD 710-0227

Hex AB-Tap Scr. #8 x .50"

$4.49

$

In Stock, Qty 20+

0

24

MTD 710-0429

Hex B-Tap Scr. #10 x .38"
(Superseded to 910-0429)

$3.99

$

Usually ships in 3-6 days

0

25

MTD 751-0442

Casing Clamp

$

$

Not available

26

MTD 736-0242

Bell-Wash. 5/16" I.D.

$4.99

$

In Stock, Qty 20+

0

27

MTD 710-0429

Hex "B"-Tap Scr. #10 x .38"
(Superseded to 910-0429)

$3.99

$

Usually ships in 3-6 days

0

28

MTD 12935

Handle Brkt. Ass'y-L.H.

$

$

Not available

29

MTD 710-0603

Hex B-Tap Scr. 5/16-18 x .5"

$5.49

$

Usually ships in 3-6 days

0

30

MTD 16391

S.P. Bail Ass'y.

$

$

Not available

31

MTD 746-0606

Barrel Cable Hold-Down R.H.

$

$

Not available

32

MTD 710-0429

B-Tap Scr. #10 x .38 Lg.
(Superseded to 910-0429)

$3.99

$

Usually ships in 3-6 days

0

33

MTD 12936

Handle Brkt. Ass'y-R.H.

$

$

Not available

34

MTD 710-0726

Hex Wash. AB-Tap Scr. 5/16 x .75"

$4.49

$

In Stock, Qty 20+

0

35

MTD 736-0370

Spr-Wash. .206 I.D. x .448

$

$

Not available

36

MTD 750-0649

Spacer .23 I.D. x .30 O.D.

$

$

Not available

37

MTD 14579

Front Height Adj. Ass'y.-L.H.
(Superseded to 753-06761)

Note: (282)

$69.99

$

In Stock, Qty 7

0

38

MTD 14578

Front Height Adj. Ass'y.-R.H.
(Superseded to 753-06761)

Note: (282)

$69.99

$

In Stock, Qty 7

0

39

MTD 15261

Height Adj. Plate
(Superseded to 787-01290A)

Note: (282)

$12.99

$

Usually ships in 3-6 days

0

40

MTD 15262

Pivot Bar
(Superseded to 15262B)

Note: (282)

$15.99

$

In Stock, only 1 left!

0

41

MTD 14832

Spring Lever Ass'y. w/Knob
(Superseded to 94832)

Note: (282)

$11.99

$

In Stock, only 2 left!

0

42

MTD 751-0369

Casing Clamp

$

$

Not available

43

MTD 738-0507

Shld. Bolt .50 Dia. x .430
(Superseded to 938-0507B)

Note: (282)

$4.99

$

In Stock, Qty 20+

0

44

MTD 712-0798

Hex Nut 3/8-16 Thd.

$4.49

$

In Stock, Qty 20+

0

45

MTD 736-0356

Bell-Wash. .39 I.D. x 1.38 0. D .
(Superseded to 936-0356)

$

$

Not available

46

MTD 777-5774

Control Label

$

$

Currently unavailable

47

MTD 777-5776

Instruction Label

$

$

Currently unavailable

48

MTD 14761

Wheel Brkt.

Note: (280 Only)

$

$

Currently unavailable

50

MTD 14762

Rear Height Adj. Ass'y.-R.H.

Note: (282)

$

$

Not available

MTD 14763

Rear Height Adj. Ass'y.-L.H.

Note: (Not Shown)

$

$

Currently unavailable

51

MTD 14764

Index Plate
(Superseded to 14764C)

Note: (282)

$8.99

$

Usually ships in 3-6 days

0

52

MTD 14765

Pivot Bar-R.H.

Note: (282)

$19.99

$

Usually ships in 3-6 days

0

MTD 14766

Pivot Bar-L.H.

Note: (282)

$19.99

$

Usually ships in 3-6 days

0

53

MTD 720-0190

Spring Lever Knob
(Superseded to 731-13116-1)

Note: (282)

$14.99

$

In Stock, only 2 left!

0

54

MTD 732-0417

Spring Lever
(Superseded to 732-0417A)

Note: (282)

$

$

Not available

55

MTD 738-0528

Shld. Bolt .50 Dia. x .433

Note: (282)

$

$

Not available

56

MTD 710-0216

Hex Bolt 3/8-16 x .75

$4.49

$

In Stock, Qty 13

0

57

MTD 712-0158

Hex Cent. L-Nut 5/16-18 Thd.
(Superseded to 912-0158)

$3.49

$

In Stock, Qty 14

0

58

MTD 712-0798

Hex Nut 3/8-16 Thd.

$4.49

$

In Stock, Qty 20+

0

59

MTD 736-0105

Bell-Wash. .40 I.D. x .88 O.D.

$4.99

$

In Stock, Qty 20+

0

61

MTD 750-0503

Spacer .383 I.D. x .503 O.D.
(Superseded to 950-0503)

$

$

Not available

65

MTD 14846

Retaining Strip

$

$

Not available

66

MTD 710-0776

Hex AB-Tap Scr. 1/4 x .62
(Superseded to 710-0896)

$4.49

$

In Stock, Qty 20+

0

67

MTD 731-0575

Rear Flap Ass'y.
(Superseded to 731-1029)

$

$

Not available

70

MTD 14944

Chute Deflector Ass'y.
(Superseded to 931-1034B)

$

$

Not available

71

MTD 11130

Adapter Plate

$

$

Not available

73

MTD 711-0555

Pivot Pin

$

$

Not available

74

MTD 726-0106

Push Nut 1/4"

$4.49

$

Usually ships in 3-6 days

0

75

MTD 732-0253

Torsion Spring

$

$

Not available

76

MTD 710-0289

Hex Bolt 1/4-20 x .50 Lg.*
(Superseded to 910-0289)

$3.99

$

In Stock, only 3 left!

0

77

MTD 712-0287

Hex Nut 1/4-20 Thd.
(Superseded to 912-0287)

$4.99

$

Usually ships in 3-6 days

0

78

MTD 736-0329

L-Wash. 1/4 I.D.*
(Superseded to 936-0329)

$4.99

$

In Stock, Qty 11

0

80

MTD 14999

22" Deck Ass'y

$

$

Not available

81

MTD 710-0654

Hex TT-Tap Scr. 3/8-16 x 1.0
(Superseded to 710-0654A)

$4.99

$

In Stock, Qty 20+

0

85

MTD 14759

Pivot Brkt.

$

$

Not available

86

MTD 14760

Link 4.58

$

$

Not available

87

MTD 14757

Axle Brkt.

$

$

Not available

88

MTD 741-0180

Fl. Ball Brg. 1/2" I.D.
(Superseded to 941-0180)

$18.99

$

Usually ships in 3-6 days

0

89

MTD 14877

Brg. Support

$

$

Currently unavailable

90

MTD 741-0180

Fl. Ball Brg. 1/2" I.D.
(Superseded to 941-0180)

$18.99

$

Usually ships in 3-6 days

0

91

MTD 16319

Pinion-Pivot Cover

$

$

Not available

92

MTD 16332

Drive Engagement Cam

$

$

Not available

93

MTD 16534

Engagement Arm-L.H.

$

$

Currently unavailable

94

MTD 16536

Spring Bracket

$

$

Currently unavailable

95

MTD 710-0134

Carriage Bolt '/4-20 x .62

$4.49

$

In Stock, Qty 20+

0

96

MTD 710-0168

Hex Bolt 3/8-16 x .50 Lg.

$4.49

$

Usually ships in 3-6 days

0

97

MTD 710-0776

Hex AB-Tap Scr. 1/4 x .62
(Superseded to 710-0896)

$4.49

$

In Stock, Qty 20+

0

98

MTD 710-0892

Hex AB-Tap '/4 x .62"
(Superseded to 910-0892)

$

$

Not available

99

MTD 712-0267

Hex Nut 5/16-18 Thd.
(Superseded to 912-3010)

$4.99

$

In Stock, Qty 20+

0

101

MTD 713-0308

10T Sprocket Ass'y.

$

$

Not available

102

MTD 713-0311

#48 Chain 1/2" Pitch 50 Links
(Superseded to 913-0311)

$31.99

$

Usually ships in 3-6 days

0

MTD 713-0122

Master Link

Note: (Service Only)

$

$

Not available

103

MTD 715-0246

Spring Pin Spir. 3/16 Dia. x 1 .25
(Superseded to 915-0246)

$7.49

$

In Stock, only 2 left!

0

104

MTD 715-0247

Spring Pin Spir. 3/16 Dia. x 1 .0
(Superseded to 915-0247)

$

$

Not available

105

MTD 716-0104

E-Ring For .500 Dia. Shaft
(Superseded to 916-0104)

$4.49

$

In Stock, Qty 19

0

106

MTD 731-0393

Drive Pinion
(Superseded to 931-0393)

$

$

Not available

107

MTD 732-0428

Extension Spring 4.25 Lg.
(Superseded to 732-0428B)

$12.99

$

In Stock, Qty 6

0

109

MTD 736-0119

L-Wash. 5/16 I.D.
(Superseded to 936-0119)

$4.99

$

In Stock, Qty 20+

0

111

MTD 738-0155

Shld. Bolt .437 Dia. x .162
(Superseded to 938-0155)

$7.49

$

Usually ships in 3-6 days

0

112

MTD 738-0529

Shld. Nut .625 Dia. x .165
(Superseded to 938-0529)

$11.99

$

In Stock, only 4 left!

0

113

MTD 738-0530

Pinion Shaft w/7T Sprocket

$

$

Not available

114

MTD 741-0484

Fl. Ball Brg. .501 I.D.
(Superseded to 941-0484)

$7.99

$

Usually ships in 3-6 days

0

117

MTD 710-0331

Hex Bolt 3/8-24 x 2.25

$7.49

$

In Stock, only 3 left!

0

118

MTD 710-0888

Hex Bolt 5/16-24 x 1.0-Spec.

$4.49

$

In Stock, Qty 20+

0

119

MTD 712-0123

Hex Nut 5/16-24 Thd.
(Superseded to 912-3057)

$7.49

$

In Stock, Qty 8

0

121

MTD 753-0348

Blade Adapter Kit

$

$

Currently unavailable

122

MTD 736-0217

L-Wash. 3/8 I.D.-H.D.

$4.49

$

In Stock, only 2 left!

0

125

MTD 714-0104

Intern. Cot. Pin 5/16 Dia.

$4.49

$

In Stock, Qty 20+

0

126

MTD 726-0240

Cable Tie
(Superseded to 725-0157)

$3.99

$

In Stock, Qty 20+

0

128

MTD 710-0671

Curved Carriage Bolt 5/16-18 x 1.38" Lg.

$

$

Not available

129

MTD 710-0842

Rope Guide Bolt

$

$

Not available

131

MTD 738-0102

Front Axle Bolt

Note: (282 Only)

$10.99

$

In Stock, only 3 left!

0

MTD 738-0213

Front Axle Bolt

Note: (280 Only)

$8.49

$

In Stock, only 2 left!

0

132

MTD 14924

Cable Bracket

$

$

Not available

133

MTD 728-0171

Pop Rivet .156" Dia. x .379

$

$

Not available

136

MTD 736-0192

Fl-Wash. .531 I.D. x .93 O.D.

$4.99

$

In Stock, Qty 16

0

137

MTD 738-0144

Rear Axle Bolt
(Superseded to 938-0144)

Note: (282 Only)

$

$

Not available

138

MTD 738-0533

Rear Axle Bolt

Note: (280 Only)

$8.49

$

Usually ships in 3-6 days

0

141

MTD 16309

Cable Brkt.
(Superseded to 16309A)

$

$

Not available

142

MTD 731-0564

Plastic Plug

$

$

Not available

143

MTD 746-0476

Control Cable-39" (Green)
(Superseded to 946-0476A)

$

$

Not available

MTD 8280-000-7

Hardware Pack

$

$

Currently unavailable