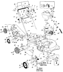
128-262R316 - Westminster III Walk-Behind Mower (1988) (W.E. Aubuchon) Parts & Diagrams Parts Lists & Diagrams

III Walk-Behind Mower

128-262R316 - Westminster III Walk-Behind Mower (1988) (W.E. Aubuchon) > Parts Diagrams (2)