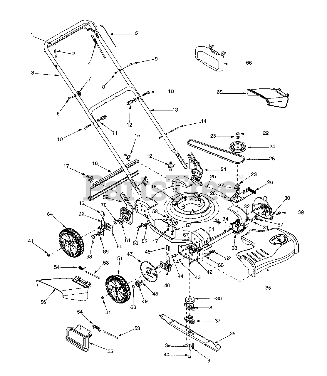
12A-264A132 - Yard Machines Walk-Behind Mower (2001) (Central Tractor) General Assembly Parts Diagram

Walk-Behind Mower

General Assembly Parts Diagram

  • Title
1

MTD 747-1214

Drive Control Handle

$24.99

$

In Stock, only 3 left!

0

2

MTD 747-1161A

Blade Control Handle

Variations

747-1161A-0637

MTD 747-1161A-0637

Operator Bail, Black - POWDER BLACK (0637)

$14.99

$

In Stock, only 4 left!

0

$14.99

$

In Stock, only 4 left!

0

3

MTD 749-1092A

Upper Handle

Variations

749-1092A-0637

MTD 749-1092A-0637

Upper Handle, Black - POWDER BLACK (0637)

$51.99

$

In Stock, only 2 left!

0

749-1092A-0638

MTD 749-1092A-0638

HANDLE-UPPER - MTD/TROY-BILT RED (0638)

$51.99

$

Usually ships in 3-6 days

0

$51.99

$

Usually ships in 3-6 days

0

4

MTD 746-1092A

Drive Control Cable
(Superseded to 946-1092A)

$

$

Not available

5

MTD 746-1113

Blade Control Cable - B&S
(Superseded to 946-1113A)

$20.99

$

In Stock, Qty 20+

0

5

MTD 746-1132

Blade Control Cable - B&S
(Superseded to 946-1132)

$23.99

$

In Stock, Qty 9

0

5

MTD 746-1114

Blade Control Cable- Tec
(Superseded to 946-1114)

$25.99

$

In Stock, only 2 left!

0

6

MTD 710-1205

Eye Bolt

$4.49

$

In Stock, Qty 20+

0

7

MTD 720-0279

Wing Nut 1/4-20

$4.99

$

In Stock, Qty 20+

0

8

MTD 712-0324

Hex Lock Nut 1/4-20

$3.99

$

In Stock, Qty 20+

0

9

MTD 710-0606

Hex Cap Screw 1 /4-20x 1.5

$5.99

$

In Stock, only 2 left!

0

10

MTD 710-1174

Carriage Bolt 5/16-18 x 2.0

$7.99

$

In Stock, Qty 10

0

11

MTD 736-0451

Shoulder Washer .320 ID x .93 OD

$4.99

$

In Stock, Qty 6

0

12

MTD 720-0284

Wing Nut 5/16-18

$7.49

$

In Stock, Qty 20+

0

13

MTD 749-1093B

Lower Handle
(Superseded to 749-04037)

Variations

749-1093B-0637

MTD 749-1093B-0637

Long Lower Handle - POWDER BLACK (0637)

$56.99

$

In Stock, only 2 left!

0

$56.99

$

In Stock, only 2 left!

0

14

MTD 725-0157

Cable Tie

$3.99

$

In Stock, Qty 20+

0

15

MTD 782-9065

Hinge Clip

$4.49

$

In Stock, only 3 left!

0

16

MTD 731-2322

Trail Shield
(Superseded to 731-04019)

$23.99

$

In Stock, Qty 10

0

17

MTD 710-0896

Hex Screw 1/4-14 x .625

$4.49

$

In Stock, Qty 15

0

18

MTD 710-0654A

Hex Washer Screw 3/8-16 x 1.0

$4.99

$

In Stock, Qty 20+

0

19

MTD 782-9063

Engine Belt Keeper Bracket
(Superseded to 782-9063B-0637)

$26.99

$

Usually ships in 3-6 days

0

20

MTD 682-0096

Deck Assembly
(Superseded to 687-02046)

Variations

682-0096-0665

MTD 682-0096-0665

DECK ASM-22" SIDE DISCHARGE - YARDMAN GREEN (0665)

$209.99

$

Usually ships in 3-6 days

0

682-0096-0629

MTD 682-0096-0629

No Longer Available DECK ASM-2 - SILVER FLAKE (0629)

$

$

Not available

682-0096-0638

MTD 682-0096-0638

No Longer Available - MTD/TROY-BILT RED (0638)

$

$

Not available

682-0096-0691

MTD 682-0096-0691

No Longer Available DECK ASM-2 - BLACK JACK (0691)

$

$

Not available

682-0096-0709

MTD 682-0096-0709

DECK ASM-22" SIDE DISCHARGE - MASTERCRAFT GREEN (0709)

$

$

Not available

682-0096-0717

MTD 682-0096-0717

No Longer Available DECK ASM-2 - SILVER MIST (0717)

$

$

Not available

$182.99

$

Usually ships in 3-6 days

0

21

MTD 682-3065

Handle Bracket Assembly - LH
(Superseded to 682-3065-0637)

Variations

682-3065-0637

MTD 682-3065-0637

BRACKET ASM-HNDL LH - POWDER BLACK (0637)

$42.99

$

Usually ships in 3-6 days

0

$42.99

$

Usually ships in 3-6 days

0

22

MTD 712-0240

Jam Nut 7/16-20
(Superseded to 912-0240)

$4.49

$

In Stock, Qty 20+

0

23

MTD 736-0407

Bell Washer .45 ID x 1.00 OD

$4.49

$

In Stock, only 2 left!

0

24

MTD 756-1167

Pulley

$

$

Not available

25

MTD 754-0483

V-Belt
(Superseded to 954-0483)

$17.99

$

In Stock, only 4 left!

0

26

MTD 732-0992

Compression Spring

$5.49

$

Usually ships in 3-6 days

0

27

MTD 710-0599

Hex Washer Screw 1/4-20 x .500

$4.49

$

In Stock, Qty 20+

0

28

MTD 782-9062

Transmission Belt Keeper Bracket

$

$

Not available

29

MTD 728-0199

Rivet

$4.99

$

In Stock, only 3 left!

0

30

MTD 782-0585

Forward Height Adjustment Plate - LH
(Superseded to 782-0585A-0637)

Variations

782-0585-0637

MTD 782-0585-0637

Height Adjust Plate - POWDER BLACK (0637)

$20.99

$

Usually ships in 3-6 days

0

$20.99

$

Usually ships in 3-6 days

0

31

MTD 716-0198

Retainer Ring

$4.99

$

In Stock, Qty 9

0

32

MTD 750-1209

Sleeve Spacer .550 ID x 2.5

$

$

Not available

33

MTD 618-0607

Transmission Assembly
(Superseded to 918-0607A)

$

$

Not available

34

MTD 750-1210

Sleeve Spacer .550 ID x 8.9

$

$

Not available

35

MTD 731-0073

Transmission Cover

$40.99

$

Usually ships in 3-6 days

0

36

MTD 756-1163

Drive Pulley

$48.99

$

Usually ships in 3-6 days

0

37

MTD 748-0426

Blade Adapter

$25.99

$

Usually ships in 3-6 days

0

38

MTD 742-0642A

Blade 22"
(Superseded to 942-0642A)

$27.99

$

In Stock, only 3 left!

0

38

MTD 742-0742A

Mulching Blade 22"
(Superseded to 942-0742A)

$26.99

$

In Stock, only 2 left!

0

39

MTD 736-0452

Bell Washer .396 ID x 1.140 OD

$4.99

$

In Stock, Qty 20+

0

40

MTD 710-1044

Hex Cap Screw 3/8-24 x 1.5

$4.49

$

In Stock, Qty 20+

0

41

MTD 712-0431

Lock Nut 3/8-16
(Superseded to 912-0431)

$5.49

$

In Stock, Qty 20+

0

42

MTD 782-0584

Forward Height Adjustment Plate - RH
(Superseded to 782-0584-0637)

Variations

782-0584-0637

MTD 782-0584-0637

Height Adjust Plate - POWDER BLACK (0637)

$24.99

$

Usually ships in 3-6 days

0

$24.99

$

Usually ships in 3-6 days

0

43

MTD 741-0710

Sleeve Bearing

$6.49

$

Usually ships in 3-6 days

0

44

MTD 710-0216

Hex Cap Screw 3/8-16 x .75

$4.49

$

In Stock, only 4 left!

0

45

MTD 720-0426

Adjustment Knob
(Superseded to 731-13116-1)

$14.99

$

In Stock, only 1 left!

0

46

MTD 682-0544

Spring Lever Assembly - LH* On FWD

Note: *In This Application

$43.99

$

Usually ships in 3-6 days

0

46

MTD 682-0545

Spring Lever Assembly - RH* On FWD

Note: *In This Application

$

$

Not available

47

MTD 731-2522

Wheel Dust Cover
(Superseded to 731-04643)

$8.99

$

In Stock, only 1 left!

0

48

MTD 715-0221

Pin
(Superseded to 915-0221)

$4.49

$

In Stock, Qty 11

0

49

MTD 717-1761

Spur Gear 14T - LH

$14.99

$

In Stock, only 2 left!

0

49

MTD 717-1762

Spur Gear 14T- RH

$14.99

$

In Stock, only 2 left!

0

50

MTD 736-0105

Washer Spacer .401 ID x .870 OD

$4.99

$

In Stock, Qty 20+

0

51

MTD 634-0190

Front Wheel Assembly 8 x 1.8
(Superseded to 634-0190A)

$43.99

$

In Stock, Qty 9

0

52

MTD 712-0130

Hex Lock Nut 3/8-16

$4.49

$

In Stock, only 2 left!

0

53

MTD 747-0710

Hinge Pin
(Superseded to 747-0710A)

$4.49

$

In Stock, Qty 20+

0

54

MTD 732-1014

Torsion Spring
(Superseded to 732-1014C)

$8.49

$

In Stock, Qty 20+

0

55

MTD 631-0098

Mulching Baffle

$

$

Currently unavailable

56

MTD 731-1034B

Side Discharge Assembly
(Superseded to 931-1034B)

$

$

Not available

57

MTD 736-0270

Bell Washer .265 ID x .75 OD

$4.49

$

In Stock, Qty 20+

0

58

MTD 731-1035A

Chute Hinge
(Superseded to 931-1034B)

$

$

Not available

59

MTD 682-3064

Handle Bracket Assembly - RH
(Superseded to 682-3064-0637)

Variations

682-3064-0637

MTD 682-3064-0637

BRACKET ASM-HNDL RH - POWDER BLACK (0637)

$

$

Not available

$

$

60

MTD 682-0113

Pivot Arm Assembly

$

$

Not available

61

MTD 741-0751

Height Adjustment Bearing

$9.49

$

In Stock, only 1 left!

0

62

MTD 732-1026

Spring Lever

$6.99

$

In Stock, only 3 left!

0

63

MTD 738-1173

Shoulder Screw 3/8-16

$7.49

$

In Stock, only 1 left!

0

64

MTD 734-1987

Rear Wheel 8 x 1.8

$24.99

$

In Stock, only 2 left!

0

65

MTD 731-2230

Snap Discharge Chute

$

$

Not available

66

MTD 731-1386C

Snap Mulching Plug
(Superseded to 731-1386D)

$

$

Not available

67

MTD 748-0390

Bearing Spacer

$5.99

$

In Stock, Qty 8

0

68

MTD 716-0865

Snap Ring .500

$4.99

$

In Stock, Qty 6

0

69

MTD 736-0741

Bell Washer .760 ID x 1.25 OD

$4.99

$

In Stock, only 1 left!

0

70

MTD 710-0514

Hex Cap Screw 3/8-16 x 1.0

$4.49

$

In Stock, Qty 20+

0