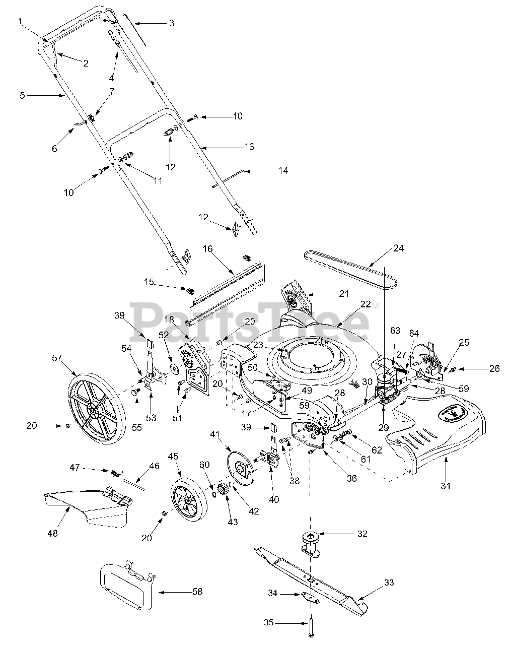
12A-524A731 - Huskee Walk-Behind Mower (2004) (Tractor Supply) General Assembly 524 Parts Diagram

Walk-Behind Mower

General Assembly 524 Parts Diagram

  • Title
1

MTD 747-1214

Drive Control Handle

$24.99

$

In Stock, only 3 left!

0

2

MTD 747-1161A

Blade Control Handle

Variations

747-1161A-0637

MTD 747-1161A-0637

Operator Bail, Black - POWDER BLACK (0637)

$14.99

$

In Stock, only 4 left!

0

$14.99

$

In Stock, only 4 left!

0

3

MTD 746-1113

Blade Control Cable - 37.75"
(Superseded to 946-1113A)

$20.99

$

In Stock, Qty 8

0

3

MTD 746-1132

Blade Control Cable - 40.75"
(Superseded to 946-1132)

$23.99

$

In Stock, Qty 9

0

3

MTD 746-1114

Blade Control Cable- 50.5"
(Superseded to 946-1114)

$25.99

$

In Stock, only 2 left!

0

4

MTD 746-04048

Drive Control Cable
(Superseded to 946-04048A)

$42.99

$

In Stock, only 1 left!

0

5

MTD 749-1092A

Upper Handle

Variations

749-1092A-0637

MTD 749-1092A-0637

Upper Handle, Black - POWDER BLACK (0637)

$51.99

$

In Stock, only 3 left!

0

749-1092A-0638

MTD 749-1092A-0638

HANDLE-UPPER - MTD/TROY-BILT RED (0638)

$51.99

$

Usually ships in 3-6 days

0

$51.99

$

Usually ships in 3-6 days

0

6

MTD 710-1205

Eye Bolt

$4.49

$

In Stock, Qty 8

0

7

MTD 720-0279

Wing Nut 1/4-20

$4.99

$

In Stock, Qty 5

0

10

MTD 710-1174

Carriage Bolt 5/16-18 x 2.0

$7.99

$

In Stock, Qty 10

0

11

MTD 736-0451

Shoulder Washer.320 ID x.93 OD

$4.99

$

In Stock, Qty 8

0

12

MTD 720-0284

Wing Nut

$7.49

$

In Stock, Qty 20+

0

13

MTD 749-04037

Lower Handle

Variations

749-04037-0637

MTD 749-04037-0637

Long Lower Handle, Black - POWDER BLACK (0637)

$56.99

$

In Stock, only 2 left!

0

$56.99

$

In Stock, only 2 left!

0

14

MTD 725-0157

Cable Tie

$3.99

$

In Stock, Qty 20+

0

15

MTD 17098

Hinge Clip
(Superseded to 17098P)

$

$

Not available

16

MTD 731-2537

Trail Shield

$21.99

$

Usually ships in 3-6 days

0

17

MTD 710-0599

Hex Screw 1/4-20 x.500

$4.49

$

In Stock, Qty 20+

0

18

MTD 682-3062A

Handle Bracket Assembly - RH
(Superseded to 982-3062A)

Variations

682-3062A-0637

MTD 682-3062A-0637

BRACKET-HANDLE RH - POWDER BLACK (0637)

$46.99

$

Usually ships in 3-6 days

0

$46.99

$

Usually ships in 3-6 days

0

20

MTD 712-0431

Lock Nut 3/8-16
(Superseded to 912-0431)

$5.49

$

In Stock, Qty 20+

0

21

MTD 682-3063A

Handle Bracket Assembly- LH

Variations

682-3063A-0637

MTD 682-3063A-0637

No Longer Available BRACKET-HANDLE - POWDER BLACK (0637)

$

$

Not available

$

$

22

MTD 687-02046

22" Deck Assembly

Variations

687-02046-0665

MTD 687-02046-0665

DECK ASM-22" SIDE DISCHARGE - YARDMAN GREEN (0665)

$209.99

$

Usually ships in 3-6 days

0

687-02046-0629

MTD 687-02046-0629

DECK ASM-22" SIDE DISCHARGE - SILVER FLAKE (0629)

$

$

Not available

687-02046-0638

MTD 687-02046-0638

DECK ASM-22" SIDE DISCHARGE - MTD/TROY-BILT RED (0638)

$

$

Not available

687-02046-0691

MTD 687-02046-0691

DECK ASM-22" SIDE DISCHARGE - BLACK JACK (0691)

$

$

Not available

687-02046-0709

MTD 687-02046-0709

DECK ASM-22" SIDE DISCHARGE - MASTERCRAFT GREEN (0709)

$

$

Not available

687-02046-0717

MTD 687-02046-0717

DECK ASM-22" SIDE DISCHARGE - SILVER MIST (0717)

$

$

Not available

$182.99

$

Usually ships in 3-6 days

0

23

MTD 710-0654A

Hex Washer Screw 3/8-16 x 1.0

$4.99

$

In Stock, Qty 20+

0

24

MTD 754-04003

V-Belt
(Superseded to 954-04003A)

$23.99

$

Usually ships in 3-6 days

0

25

MTD 782-0585A

Forward Height Adjustment Plate - LH
(Superseded to 782-0585A-0637)

Variations

782-0585A-0637

MTD 782-0585A-0637

Height Adjust Plate - POWDER BLACK (0637)

$20.99

$

Usually ships in 3-6 days

0

$20.99

$

Usually ships in 3-6 days

0

26

MTD 728-0199

Rivet

$4.99

$

In Stock, Qty 15

0

27

MTD 750-04120

Sleeve Spacer.550 ID x 3.3

$

$

Not available

28

MTD 716-0198

Retainer Ring

$4.99

$

In Stock, Qty 9

0

29

MTD 618-04025

Transmission Assembly Complete
(Superseded to 918-04025)

$217.99

$

Usually ships in 3-6 days

0

30

MTD 750-04119

Sleeve Spacer.550 ID x 7.95

$

$

Not available

31

MTD 731-0073

Transmission Cover

$40.99

$

Usually ships in 3-6 days

0

32

MTD 748-04016A

Blade Adapter

$62.99

$

In Stock, Qty 5

0

33

MTD 742-0742A

22" Mulching Blade
(Superseded to 942-0742A)

$26.99

$

In Stock, only 2 left!

0

34

MTD 736-0524A

Bell Blade Support
(Superseded to 736-0524B-1)

$6.49

$

In Stock, Qty 20+

0

35

MTD 710-1044

Hex Cap Screw 3/8-24 x 1.5

$4.49

$

In Stock, only 4 left!

0

36

MTD 782-0584

Forward Height Adjustment Plate - RH
(Superseded to 782-0584-0637)

Variations

782-0584-0637

MTD 782-0584-0637

Height Adjust Plate - POWDER BLACK (0637)

$24.99

$

Usually ships in 3-6 days

0

$24.99

$

Usually ships in 3-6 days

0

38

MTD 710-0514

Hex Cap Screw 3/8-16 x 1.00

$4.49

$

In Stock, Qty 10

0

39

MTD 720-0426

Adjustment Knob
(Superseded to 731-13116-1)

$14.99

$

In Stock, only 1 left!

0

40

MTD 682-0544

Spring Lever Assembly - RH* (FWD)

Note: *In This Application

$43.99

$

Usually ships in 3-6 days

0

40

MTD 682-0545

Spring Lever Assembly - LH* (FWD)

Note: *In This Application

$

$

Not available

41

MTD 731-2522

Wheel Dust Cover
(Superseded to 731-04643)

$8.99

$

In Stock, only 1 left!

0

42

MTD 715-0221

Pin
(Superseded to 915-0221)

$4.49

$

In Stock, Qty 11

0

43

MTD 717-1762

Spur Gear 14T - RH

$14.99

$

In Stock, only 2 left!

0

43

MTD 717-1761

Spur Gear 14T - LH

$14.99

$

In Stock, only 2 left!

0

45

MTD 634-0190

Front Wheel 8 x 1.8
(Superseded to 634-0190A)

$43.99

$

In Stock, Qty 9

0

46

MTD 747-0710

Hinge Pin
(Superseded to 747-0710A)

$4.49

$

In Stock, Qty 20+

0

47

MTD 732-1014

Torsion Spring
(Superseded to 732-1014C)

$8.49

$

In Stock, Qty 20+

0

48

MTD 731-1034B

Side Discharge Assembly
(Superseded to 931-1034B)

$

$

Not available

49

MTD 736-0270

Bell Washer.265 ID x.75 OD

$4.49

$

In Stock, Qty 20+

0

50

MTD 17032A

Deflector Chute Adapter

$

$

Not available

51

MTD 710-0216

Hex Cap Screw 3/8-16 x.75

$4.49

$

In Stock, only 4 left!

0

52

MTD 741-0717

Thrust Bearing.688 ID x 1.938 OD

$

$

Not available

53

MTD 732-0984B

Spring Lever

$

$

Not available

54

MTD 687-02080

Rear Pivot Arm Assembly - RH

$

$

Not available

54

MTD 687-02079

Rear Pivot Arm Assembly - LH

$16.99

$

Usually ships in 3-6 days

0

55

MTD 738-1127

Shoulder Screw 3/8-16
(Superseded to 738-1127B)

$7.99

$

In Stock, only 2 left!

0

57

MTD 734-04082

Rear Wheel 12 x 1.8

$48.99

$

In Stock, only 2 left!

0

58

MTD 631-04045

Snap Mulching Plug

$20.99

$

In Stock, Qty 8

0

59

MTD 748-0390

Bearing Support Spacer

$5.99

$

In Stock, Qty 8

0

60

MTD 716-0865

Snap Ring.500

$4.99

$

In Stock, Qty 6

0

61

MTD 736-0105

Bell Washer.375 x.870 x.063

$4.99

$

In Stock, Qty 13

0

62

MTD 712-0130

Hex Lock Nut 3/8-16

$4.49

$

In Stock, only 2 left!

0

63

$

$

Not available

64

MTD 732-04049

Extension Spring.47 OD x 2.50

$4.99

$

In Stock, only 1 left!

0