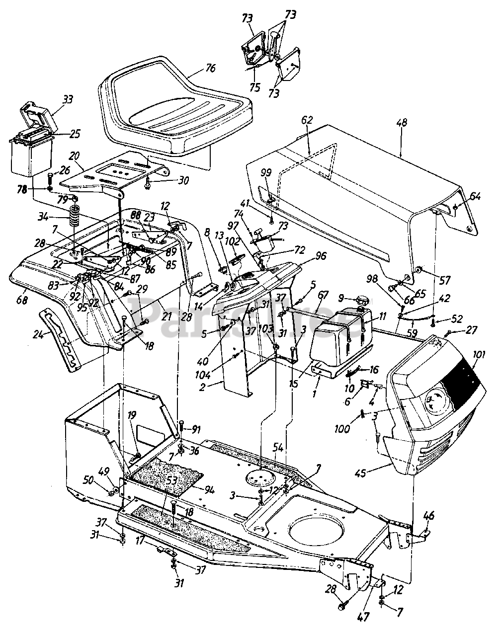
131-441-000 - MTD Lawn Tractor, Style 1 (1991) Parts Parts Diagram

Lawn Tractor, Style 1

Parts Parts Diagram

  • Title
1

MTD 17932

Gas Tank Support Brkt.
(Superseded to 17932-0637)

Variations

17932-0637

MTD 17932-0637

BRACKET-TANK SUPPO - POWDER BLACK (0637)

$

$

Not available

$

$

2

MTD 17933

Pedestal
(Superseded to 17933A)

$

$

Not available

3

MTD 710-0118

Hex Bolt 5/16-18 x .75" Lg.
(Superseded to 710-3008)

$4.49

$

In Stock, Qty 20+

0

4

MTD 725-0963

Bulb
(Superseded to 925-0963)

$7.99

$

In Stock, Qty 20+

0

5

MTD 710-0258

Hex Bolt 1/4 x .62" Lg.
(Superseded to 710-0751)

$4.49

$

In Stock, Qty 20+

0

6

MTD 725-1458

Socket

$

$

Not available

7

MTD 712-0267

Hex Nut 5/16-18 Thd.
(Superseded to 912-3010)

$4.99

$

In Stock, Qty 20+

0

8

MTD 725-0634

Light Switch
(Superseded to 925-0634)

$18.99

$

In Stock, only 2 left!

0

9

MTD 751-3071

Gas Cap
(Superseded to 751-0603B)

$24.99

$

In Stock, Qty 5

0

10

MTD 726-0205

Hose Clamp

$4.49

$

In Stock, Qty 15

0

11

MTD 726-0209

Cable Tie
(Superseded to 726-0230)

$28.99

$

Usually ships in 3-6 days

0

12

MTD 736-0119

L-Wash. 5/16" I.D.
(Superseded to 936-0119)

$4.99

$

In Stock, Qty 20+

0

13

MTD 725-0267

Ignition Switch
(Superseded to 925-0267B)

$37.99

$

In Stock, Qty 12

0

14

MTD 725-0201

Ignition Key
(Superseded to 925-0201)

$9.99

$

In Stock, only 1 left!

0

15

MTD 751-0553

Fuel Tank
(Superseded to 751-0555B)

$

$

Not available

16

MTD 751-0535-15

Gas Line 15" Long
(Superseded to 751-10349-16)

$33.99

$

In Stock, Qty 8

0

17

MTD 761-0194

Blade Brake Ass'y.
(Superseded to 961-0194A)

$

$

Not available

18

MTD 710-0134

Carriage Bolt 1/4-20 x .62"

$4.49

$

In Stock, Qty 5

0

19

MTD 710-0793

Ribbed Neck Bolt 3/8-24 x .8"

$

$

Not available

20

MTD 15607D

Seat Pivot Brkt.
(Superseded to 783-0039A)

$71.99

$

Usually ships in 3-6 days

0

21

MTD 17590

Rear Fender

Variations

17590-0483

MTD 17590-0483

No Longer Available FENDER-RR - CHARCOAL GRAY (0483)

$

$

Not available

17590-0638

MTD 17590-0638

No Longer Available FENDER-RR - MTD/TROY-BILT RED (0638)

$

$

Not available

17590-0648

MTD 17590-0648

No Longer Available FENDER-RR - TECH GRAY (0648)

$

$

Not available

17590-0662

MTD 17590-0662

No Longer Available FENDER-RR - OYSTER GRAY (0662)

$

$

Not available

17590-0665

MTD 17590-0665

No Longer Available FENDER-RR - YARDMAN GREEN (0665)

$

$

Not available

$

$

22

MTD 17704

Seat Hinge Support Brkt.-R.H.

Variations

17704-0637

MTD 17704-0637

No Longer Available BRACKET-SE - POWDER BLACK (0637)

$

$

Not available

$

$

23

MTD 17703

Seat Hinge Support Brkt.-L.H.

Variations

17703-0637

MTD 17703-0637

No Longer Available - POWDER BLACK (0637)

$

$

Not available

$

$

24

MTD 17553

Deck Lift Index Brkt.

$

$

Not available

25

MTD 725-0514A

Battery
(Superseded to 753-0607)

$170.99

$

Usually ships in 3-6 days

0

26

MTD 710-0817

Hex Self-Tap Screw 5/6-18 x 1.25" Lg.

$6.99

$

In Stock, Qty 11

0

27

MTD 710-0255

Truss Mach. Scr. 1/4-20 x .75" Lg.
(Superseded to 710-0924)

$4.99

$

In Stock, Qty 20+

0

28

MTD 710-0726

Hex AB-Tap Scr. 5/16 x .75" Lg.

$4.49

$

In Stock, Qty 11

0

29

MTD 710-1017

Torx Mach. AB-Tap Scr. 1/4 x .62" Lg.

$8.99

$

In Stock, Qty 5

0

30

MTD 710-0623

Hex Self-Tap Scr. 3/8-16 x .75" Lg.

$4.49

$

In Stock, Qty 12

0

31

MTD 712-0287

Hex Nut 1/4-20 Thd.
(Superseded to 912-0287)

$4.99

$

Usually ships in 3-6 days

0

33

MTD 731-0871A

Battery Box w/Cover
(Superseded to 731-0871B)

$

$

Not available

34

MTD 732-0588

Compression Spring

$15.99

$

In Stock, only 2 left!

0

36

MTD 736-0242

Bell-Wash. 5/16" I.D.

$4.99

$

In Stock, Qty 20+

0

37

MTD 736-0329

L-Wash. 1/4" I.D.
(Superseded to 936-0329)

$4.99

$

In Stock, Qty 12

0

40

MTD 736-0270

Bell-Wash. .265" I.D. x .75"

$4.49

$

In Stock, Qty 20+

0

41

MTD 710-3009

Pan Hd. Scr. 10-24 x .75" Lg.

$7.99

$

Usually ships in 3-6 days

0

42

MTD 736-0400

Fl-Wash. .218" I.D. x .62"

$5.99

$

In Stock, Qty 10

0

45

MTD 17931

Grille
(Superseded to 17940B)

$

$

Not available

46

MTD 17595

Grille Mtg. Brkt.-L.H.

$

$

Not available

47

MTD 17596

Grille Mtg. Brkt.-R.H.

$

$

Not available

48

MTD 17941

Hood

Variations

17941-0483

MTD 17941-0483

No Longer Available HOOD - CHARCOAL GRAY (0483)

$

$

Not available

17941-0629

MTD 17941-0629

No Longer Available HOOD - SILVER FLAKE (0629)

$

$

Not available

17941-0638

MTD 17941-0638

No Longer Available HOOD - MTD/TROY-BILT RED (0638)

$

$

Not available

17941-0648

MTD 17941-0648

No Longer Available HOOD - TECH GRAY (0648)

$

$

Not available

17941-0650

MTD 17941-0650

No Longer Available HOOD - RED METALLIC (0650)

$

$

Not available

17941-0662

MTD 17941-0662

No Longer Available HOOD - OYSTER GRAY (0662)

$

$

Not available

17941-0665

MTD 17941-0665

No Longer Available HOOD - YARDMAN GREEN (0665)

$

$

Not available

17941-0667

MTD 17941-0667

No Longer Available HOOD - MIDNIGHT BLUE (0667)

$

$

Not available

17941-0686

MTD 17941-0686

No Longer Available HOOD - SIMPLICITY ORANGE (0686)

$

$

Not available

$

$

49

MTD 736-0217

L-Wash. 3/8" I.D.-H.D.

$4.49

$

In Stock, only 1 left!

0

50

MTD 712-0241

Hex L-Nut 3/8-24 Thd.

$4.99

$

In Stock, only 2 left!

0

52

MTD 710-0473

Truss Mach. Scr. #10-24 x .5" Lg.

$4.49

$

In Stock, only 2 left!

0

53

MTD 723-0308B

Foot Pad-R.H.

$

$

Not available

54

MTD 723-0309B

Foot Pad-L.H.

$

$

Not available

57

MTD 712-0380

Lock Nut 1/4-28 Thd.

$3.99

$

Usually ships in 3-6 days

0

59

MTD 723-0302

Hood Stop

$13.99

$

Usually ships in 3-6 days

0

62

MTD 732-0559

Hood Spring

$

$

Not available

64

MTD 712-0272

Hex Sems Nut #10-24 Thd.

$4.49

$

In Stock, only 2 left!

0

65

MTD 736-0413

Spr. Wash. .39" I.D. x .62" O.D.

$7.49

$

In Stock, only 2 left!

0

66

MTD 738-0724

Shld. Bolt
(Superseded to 938-0952A)

$7.49

$

In Stock, only 2 left!

0

67

MTD 749-0722B

Grille Support

Variations

749-0722B-0637

MTD 749-0722B-0637

Grille Support - POWDER BLACK (0637)

$

$

Not available

$

$

68

MTD 731-0511-81

Trim Strip 81" Lg.

$111.99

$

Usually ships in 3-6 days

0

72

MTD 746-0616A

Choke Control
(Superseded to 946-0616A)

$28.99

$

In Stock, only 2 left!

0

73

MTD 831-0823A

Throttle Control Box

$34.99

$

Usually ships in 3-6 days

0

74

MTD 710-0779A

Truss AB-Tap Scr. #10 x .5"

$4.99

$

In Stock, Qty 7

0

75

MTD 746-0501

Throttle Wire

Note: (B&S)

$18.99

$

In Stock, Qty 5

0

MTD 746-0638

Throttle Wire
(Superseded to 946-0638)

Note: (Tec.)

$10.99

$

In Stock, only 2 left!

0

76

MTD 757-0345

Seat Assembly
(Superseded to 957-0378)

Note: (Low Back)

$

$

Not available

MTD 757-0338

Seat Assembly
(Superseded to 957-0360A)

Note: (High Back)

$

$

Not available

78

MTD 736-0159

Fl-Wash. .344" I.D. x .88" O.D.

$4.49

$

In Stock, Qty 20+

0

79

MTD 722-0160

Bushing

$

$

Not available

83

MTD 710-0227

Hex Tap Scr. #8 x .5" Lg.

$4.49

$

In Stock, Qty 20+

0

84

MTD 725-1439

Safety Switch

Note: (Seat)

$8.99

$

In Stock, Qty 6

0

85

MTD 732-0581

Ext. Spring 5.31" Lg.
(Superseded to 932-0581B)

$15.99

$

In Stock, only 2 left!

0

86

MTD 17239A

Seat Lift Brkt.
(Superseded to 17239C)

$

$

Not available

87

MTD 726-0278

Insulator Boss Plate

$7.49

$

In Stock, Qty 9

0

88

MTD 738-0155

Shld. Bolt .437" Dia. x .162" Lg.
(Superseded to 938-0155)

$7.49

$

Usually ships in 3-6 days

0

89

MTD 738-0296

Shld. Bolt .437" Dia. x .268" Lg.

$4.49

$

In Stock, Qty 5

0

90

MTD 736-0141

Spr. Wash. .445" I.D. x .75" O.D.
(Superseded to 936-0141)

$7.49

$

In Stock, only 2 left!

0

91

MTD 710-0604

Hex Wash. Hd. Scr. 5/16-18 x .62" Lg.
(Superseded to 710-0604A)

$4.99

$

In Stock, Qty 8

0

92

MTD 726-0279

Insulator Plate

$3.99

$

In Stock, Qty 6

0

94

MTD 723-0423

Center Foot Pad

$

$

Not available

95

MTD 725-1303

Safety Switch
(Superseded to 925-1303)

Note: (Seat)

$6.99

$

In Stock, only 4 left!

0

96

MTD 731-1228

Dash Panel

$

$

Not available

97

MTD 17782

Retainer Clip

$

$

Not available

98

MTD 710-0351

Truss Mach. B-Tap Scr. #10 x .5" Lg.

$4.99

$

In Stock, Qty 20+

0

99

MTD 726-0130

Speed Nut
(Superseded to 926-0130)

$

$

Not available

100

MTD 714-0104

Internal Cotter Pin 5/16" Dia.

$4.49

$

In Stock, Qty 12

0

101

MTD 731-1099A

Lens
(Superseded to 931-1099A)

$98.99

$

Usually ships in 3-6 days

0

102

MTD 725-0925

Ammeter
(Superseded to 925-0925)

$31.99

$

Usually ships in 3-6 days

0

103

MTD 712-3007

Hex Jam Nut 5/16-18 Thd.

$7.49

$

In Stock, only 4 left!

0

104

MTD 710-0599

Hex Wash. Hd. Tap Scr. 1/4-20 x .5" Lg.

$4.49

$

In Stock, Qty 20+

0