131-512-050 - MasterCut by MTD Lawn Tractor (1991) (AAFES) Parts03 Parts Diagram

Lawn Tractor

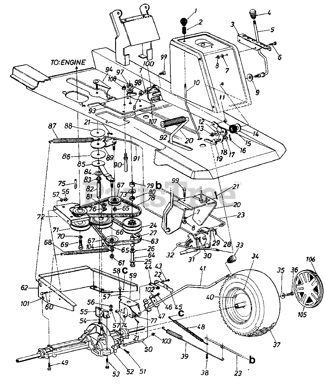
Parts03 Parts Diagram

  • Title
1

MTD 720-0187

Ball Knob 1/4-20 Thd. 1.25"

$10.99

$

Usually ships in 3-6 days

0

2

MTD 732-0437

Compression Spring

$10.99

$

In Stock, Qty 5

0

3

MTD 16389

Speed Index Bracket

Variations

16389-0498

MTD 16389-0498

No Longer Available - OLD CUB YELLOW (0498)

$

$

Not available

16389-0637

MTD 16389-0637

No Longer Available - POWDER BLACK (0637)

$

$

Not available

16389-0638

MTD 16389-0638

No Longer Available - MTD/TROY-BILT RED (0638)

$

$

Not available

$

$

4

MTD 720-0232

Shift Knob
(Superseded to 920-0232)

$11.99

$

In Stock, Qty 6

0

5

MTD 747-0652

Speed Control Lever

$

$

Not available

6

MTD 710-0323

Truss Mach. Scr. 5/16-18 x .75" Lg.

$4.99

$

In Stock, only 2 left!

0

7

MTD 736-0119

L-Wash. 5/16" I.D.
(Superseded to 936-0119)

$4.99

$

In Stock, Qty 20+

0

8

MTD 712-0267

Hex Nut 5/16-18 Thd.
(Superseded to 912-3010)

$4.99

$

In Stock, Qty 20+

0

9

MTD 736-0253

Bell-Wash. .345" I.D. x .88"

$4.49

$

In Stock, Qty 20+

0

10

MTD 747-0427

Brake Locking Rod

Note: (510, 520, 530 & 550)

$

$

Not available

MTD 747-0450

Brake Locking Rod

Note: (511, 521, 531 & 551)

$

$

Not available

11

$

$

Not available

12

MTD 736-0242

Bell-Wash. .345" I.D. x .08"

$4.99

$

In Stock, Qty 20+

0

13

MTD 712-0158

Hex Cent. L-Nut 5/16-18 Thd.
(Superseded to 912-0158)

$3.49

$

In Stock, Qty 11

0

14

MTD 736-0100

Fl-Wash. .531" I.D. x 1.25" O.D.

$7.49

$

In Stock, only 3 left!

0

15

MTD 735-0219

Rubber Washer

$

$

Not available

16

MTD 714-0145

Intern. Cotter Pin 1/2" Dia.

$5.49

$

In Stock, Qty 20+

0

17

MTD 736-0275

Fl-Wash. .34" I.D. x .68" O.D.

$7.49

$

Usually ships in 3-6 days

0

18

MTD 16396

Speed Control Lever Brkt. Ass'y.

$

$

Not available

19

MTD 711-0677

Ferrule-Engagement
(Superseded to 911-0677)

$18.99

$

Usually ships in 3-6 days

0

20

MTD 17677

Clutch/Brake Pedal Ass'y.

$

$

Not available

21

MTD 714-0507

Cotter Pin 3/32" Dia. x .75"

$4.99

$

In Stock, Qty 12

0

22

MTD 736-0426

Plastic Washer

$

$

Not available

23

MTD 747-0431

Brake Rod

$

$

Not available

24

MTD 717-0884

Variable Speed Pulley Ass'y.

$232.99

$

Usually ships in 3-6 days

0

25

MTD 736-0247

Fl-Wash. .4" I.D. x 1.25" O.D.

$10.99

$

In Stock, Qty 10

0

26

MTD 741-0405

Thrust Brg. 1.25" O.D. x .56" I.D
(Superseded to 941-0405)

$

$

Not available

27

MTD 750-0705

Spacer Sleeve 2.71"

$

$

Not available

28

MTD 714-0115

Cotter Pin 1/8" Dia. x 1.25"

$4.49

$

In Stock, only 2 left!

0

29

MTD 736-0275

Fl-Wash. .34" I.D. x .60" O.D.

$7.49

$

Usually ships in 3-6 days

0

30

MTD 714-0104

Intern. Cot-Pin 5/16" Dia.

$4.49

$

In Stock, Qty 20+

0

31

MTD 736-0275

Fl-Wash. .34" I.D. x .60" O.D.

$7.49

$

Usually ships in 3-6 days

0

32

MTD 747-0394A

Speed Control Link

$

$

Not available

33

MTD 720-0232

Shift Knob
(Superseded to 920-0232)

$11.99

$

In Stock, Qty 6

0

34

MTD 734-0594

Rear Wheel Rim Only
(Superseded to 634-0138)

Variations

734-0594-0499

MTD 734-0594-0499

Rim Assembly, 8.0 X 5.38 with Valve - CUB BEIGE (0499)

$71.99

$

Usually ships in 3-6 days

0

734-0594-0629

MTD 734-0594-0629

RIM ASSEMBLY-8 X 5 - SILVER FLAKE (0629)

$71.99

$

Usually ships in 3-6 days

0

734-0594-0662

MTD 734-0594-0662

RIM ASSEMBLY-8 X 5 - OYSTER GRAY (0662)

$71.99

$

Usually ships in 3-6 days

0

734-0594-0674

MTD 734-0594-0674

No Longer Available RIMASSEMBL - YARDMAN YELLOW (0674)

$

$

Not available

$150.99

$

Usually ships in 3-6 days

0

35

MTD 736-0242

Bell-Wash. .345" I.D. x .88"

$4.99

$

In Stock, Qty 20+

0

36

MTD 710-0627

Hex L-Bolt 5/16-24 x .75" Lg.

$4.49

$

In Stock, Qty 20+

0

37

MTD 734-0591

Rear Wheel Ass'y.-Comp.
(Superseded to 634-0139)

Variations

734-0591-0911

MTD 734-0591-0911

Wheel Assembly, Gray - Carlisle Gray (0911)

$339.99

$

Usually ships in 3-6 days

0

734-0591-0912

MTD 734-0591-0912

Wheel Assembly, Gray - Dico Gray (0912)

$339.99

$

Usually ships in 3-6 days

0

734-0591-0931

MTD 734-0591-0931

WHEEL ASM-COMPLETE - Carlisle Beige (0931)

$339.99

$

Usually ships in 3-6 days

0

734-0591-0932

MTD 734-0591-0932

Wheel Assembly, Gray - Dico Beige (0932)

$339.99

$

Usually ships in 3-6 days

0

$275.99

$

Usually ships in 3-6 days

0

MTD 734-0275

Tire Only

Variations

734-0275-0901

MTD 734-0275-0901

TIRE-16X6.5 - Carlisle (0901)

$

$

Not available

734-0275-0902

MTD 734-0275-0902

TIRE-16X6.5 - Dico (0902)

$

$

Not available

734-0275-0905

MTD 734-0275-0905

TIRE-16X6.5 - Duro (0905)

$

$

Not available

$114.99

$

Usually ships in 3-6 days

0

38

MTD 714-0470

Cotter Pin 1/8" Dia. x 1.25"*

$4.49

$

In Stock, Qty 20+

0

39

MTD 732-0389

Extension Spring 17.0" Lg.

$

$

Not available

40

MTD 734-0255

Air Valve
(Superseded to 934-0255)

$4.49

$

In Stock, Qty 20+

0

41

MTD 16475

Shift Lever Ass'y.

Variations

16475-0637

MTD 16475-0637

No Longer Available LEVER ASM- - POWDER BLACK (0637)

$

$

Not available

$

$

43

MTD 710-0227

Hex Wash. Hd. Scr. #8 x .5" Lg.

$4.49

$

In Stock, Qty 20+

0

44

MTD 726-0222

Insulator Nut
(Superseded to 926-0320)

$7.49

$

In Stock, Qty 9

0

45

MTD 732-0615

Spring Switch

$

$

Not available

46

MTD 710-0289

Hex Bolt 1/4-20 x .50" Lg.
(Superseded to 910-0289)

$3.99

$

In Stock, only 3 left!

0

47

MTD 16476

Shift Lever Adjusting Link

$

$

Not available

48

MTD 732-0487

Ext. Spring 8-1/4" Lg.

$

$

Not available

49

MTD 710-0378

Hex Bolt 5/16-18 x 2.5" Lg.

$4.99

$

Usually ships in 3-6 days

0

50

MTD 747-0668

Shift Rod

$

$

Not available

51

MTD 714-0149B

Intern. Cotter Pin

$4.99

$

In Stock, only 2 left!

0

52

Transaxle

Note: (See Breakdowns)

$

$

Not available

53

MTD 710-0136

Hex Bolt 1/4-20 x 1.75" Lg.

$4.49

$

In Stock, Qty 11

0

54

MTD 710-0180

Hex Bolt 3/8-24 x .75" Lg.

$7.49

$

In Stock, Qty 5

0

55

MTD 15564A

Torque Rod Bracket

Variations

15564A-0637

MTD 15564A-0637

No Longer Available BRACKET-TO - POWDER BLACK (0637)

$

$

Not available

$

$

56

MTD 712-0287

Hex Nut 1/4-20 Thd.
(Superseded to 912-0287)

$4.99

$

Usually ships in 3-6 days

0

57

MTD 736-0329

L-Wash. 1/4" I.D.
(Superseded to 936-0329)

$4.99

$

In Stock, Qty 8

0

58

MTD 710-0965

Self-Tap Mach. Scr. Type "C" 1/4-20 x 1.37" Lg.

$

$

Not available

59

MTD 17515

Shift Lever Support Brkt.

$

$

Not available

60

MTD 710-0597

Hex Bolt 1/4-20 x 1.00" Lg.

$4.49

$

Usually ships in 3-6 days

0

61

MTD 712-0262

Hex L-Nut 3/8-24 Thd.

$4.49

$

In Stock, Qty 9

0

62

MTD 15552

Transaxle Support Ass'y.

Variations

15552-0637

MTD 15552-0637

No Longer Available SUPPORT AS - POWDER BLACK (0637)

$

$

Not available

$

$

63

MTD 754-0240

V-Belt
(Superseded to 954-0240)

$40.99

$

In Stock, only 2 left!

0

64

MTD 710-0693

Hex Bolt 3/8-16 x 4.5" Lg.

$15.99

$

In Stock, only 2 left!

0

65

MTD 712-0116

Hex Ins. L-Nut 3/8-24 Thd.

$4.99

$

In Stock, only 2 left!

0

66

MTD 756-0390

V-Pulley

Note: (717-0775 Trans.)

$

$

Not available

MTD 756-0579

"V" Pulley
(Superseded to 656-0002)

Note: (618-0025 Trans.)

$80.99

$

Usually ships in 3-6 days

0

67

MTD 756-0116

V-Belt Idler .38" I.D. x 3.06"
(Superseded to 756-04209)

$23.99

$

In Stock, Qty 20+

0

68

MTD 732-0308

Ext. Spring .50" O.D. x 6.37"
(Superseded to 732-0308A)

$11.99

$

In Stock, only 2 left!

0

69

MTD 710-0314

Hex Bolt 7/16-20 x 1.00" Lg.

$4.99

$

In Stock, Qty 13

0

70

MTD 736-0171

L-Wash. 7/16" I.D.

$4.99

$

In Stock, only 4 left!

0

71

MTD 756-0391

Engine Pulley

Note: (30" Deck)

$166.99

$

Usually ships in 3-6 days

0

MTD 756-0509

Engine Pulley

Note: (32" Deck)

$

$

Not available

MTD 756-0512

Engine Pulley

Note: (38" Deck)

$

$

Not available

72

MTD 15623

Upper Eng. Belt Guard

$

$

Not available

73

MTD 736-0219

Bell-Wash. .4" I.D. x 1.12" O.D.
(Superseded to 936-0219)

$4.49

$

In Stock, only 1 left!

0

74

MTD 750-0686

Spacer .256" I.D. x .50" O.D.

$

$

Not available

75

MTD 714-0114

Sq.-Key 1/4" x 2.00" Lg.
(Superseded to 914-0114)

$4.49

$

Usually ships in 3-6 days

0

76

MTD 736-0921

L-Wash. 1/2" I.D.

Note: (717-0775 Trans.)

$4.99

$

In Stock, Qty 8

0

MTD 736-0427

Bell-Wash. .567" I.D. x 1.125"
(Superseded to 936-0427)

Note: (618-0025 Trans.)

$

$

Not available

77

MTD 736-0226

Fl-Wash. .469" I.D. x .88" O.D.
(Superseded to 936-0226)

$4.49

$

In Stock, only 2 left!

0

78

MTD 754-0241

V-Belt
(Superseded to 954-05040)

$48.99

$

In Stock, Qty 20+

0

79

MTD 750-0706

Spacer 1.00" x .380" O.D.
(Superseded to 950-0706)

$

$

Not available

80

MTD 741-0405

Thrust Wash. .56" I.D. x 1.25" O.D.
(Superseded to 941-0405)

$

$

Not available

81

MTD 712-0922

Hex Nut 1/2-20 Thd.
(Superseded to 712-3029)

$7.49

$

In Stock, Qty 8

0

MTD 712-3035

Hex Jam Nut 9/16-18 Thd.

Note: (618-0025 Trans.)

$7.49

$

Usually ships in 3-6 days

0

82

MTD 711-0676

Torque Rod

$

$

Not available

83

MTD 748-0294

Flange Bearing .378

$

$

Not available

84

MTD 736-0187

Fl-Wash. .640" I.D. x 1.24

$4.99

$

In Stock, Qty 20+

0

85

MTD 15569A

Idler Bracket Ass'y.
(Superseded to 15569B)

$

$

Not available

86

MTD 736-0283

Thrust Wash. .635" I.D.

$

$

Not available

87

MTD 732-0556

Extension Spring 7.58" Lg.
(Superseded to 932-0556)

$22.99

$

In Stock, only 4 left!

0

88

MTD 736-0284

Thrust Wash. .385" I.D.

$

$

Not available

89

MTD 15585

Idler Bracket Ass'y. For Clutch

$

$

Not available

90

MTD 711-0640

Belt Guard Pin 3/8-16 x 2.75" Lg.

$8.49

$

Usually ships in 3-6 days

0

91

MTD 747-0560

Clutch Rod

$

$

Not available

92

MTD 735-0196

Foot Pad
(Superseded to 735-0239A)

$12.99

$

In Stock, Qty 8

0

93

MTD 783-0005

Variable Speed Mtg. Plate

Variations

783-0005-0637

MTD 783-0005-0637

No Longer Available PLATE-V/S - POWDER BLACK (0637)

$

$

Not available

$

$

94

MTD 15642

Weld Bolt Brkt. Ass'y.

Variations

15642-0637

MTD 15642-0637

No Longer Available BRACKET AS - POWDER BLACK (0637)

$

$

Not available

$

$

97

MTD 712-0798

Hex Nut 3/8-16

$4.49

$

In Stock, Qty 20+

0

98

MTD 736-0217

L-Wash. 3/8 Heavy Duty

$4.49

$

In Stock, only 2 left!

0

99

MTD 710-0118

Hex Bolt 5/16-18 x .75" Lg.
(Superseded to 710-3008)

$4.49

$

In Stock, Qty 20+

0

100

MTD 17839

Speed Control Rod Brkt.
(Superseded to 783-1016B)

$

$

Not available

101

MTD 712-0265

Hex Sems Nut 5/16-18 Thd.

$3.99

$

Usually ships in 3-6 days

0

102

MTD 736-0270

Bell-Wash. .265" I.D. x .75" O.D.

$4.49

$

In Stock, Qty 20+

0

103

MTD 726-0231

Push on Retaining Ring
(Superseded to 926-0106)

$

$

Not available

104

MTD 747-0758

Belt Guard

$

$

Not available

105

MTD 734-1614

Hub Cap-Beige

Note: (Optional)

$

$

Not available

MTD 734-1504

Hub Cap-Grey
(Superseded to 734-1615A)

Note: (Optional)

$34.99

$

Usually ships in 3-6 days

0

106

MTD 727-0425

Spring Clip
(Superseded to 927-0425A)

Note: (Used w/Ref. #105)

$

$

Not available

107

MTD 732-0525

Comp. Spring Clip

$10.99

$

In Stock, only 2 left!

0

108

MTD 712-0181

Hex Top L-Jam Nut 3/8-16 Thd.

$4.49

$

In Stock, only 3 left!

0