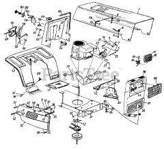
131-658G206 - Ranch King Lawn Tractor (1991) Parts & Diagrams Parts Lists & Diagrams

Lawn Tractor