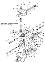
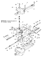
131-659F - MTD Lawn Tractor (1991) Parts & Diagrams Parts Lists & Diagrams

Lawn Tractor

131-659F - MTD Lawn Tractor (1991) > Parts Diagrams (10)