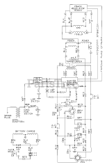
1313-1 - Generac 3,500 Watt Portable Generator Parts & Diagrams Parts Lists & Diagrams

3,500 Watt Portable Generator

1313-1 - Generac 3,500 Watt Portable Generator > Parts Diagrams (5)