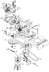
135O765N013 - MTD Lawn Tractor (1995) (Costco) Parts & Diagrams Parts Lists & Diagrams

Lawn Tractor