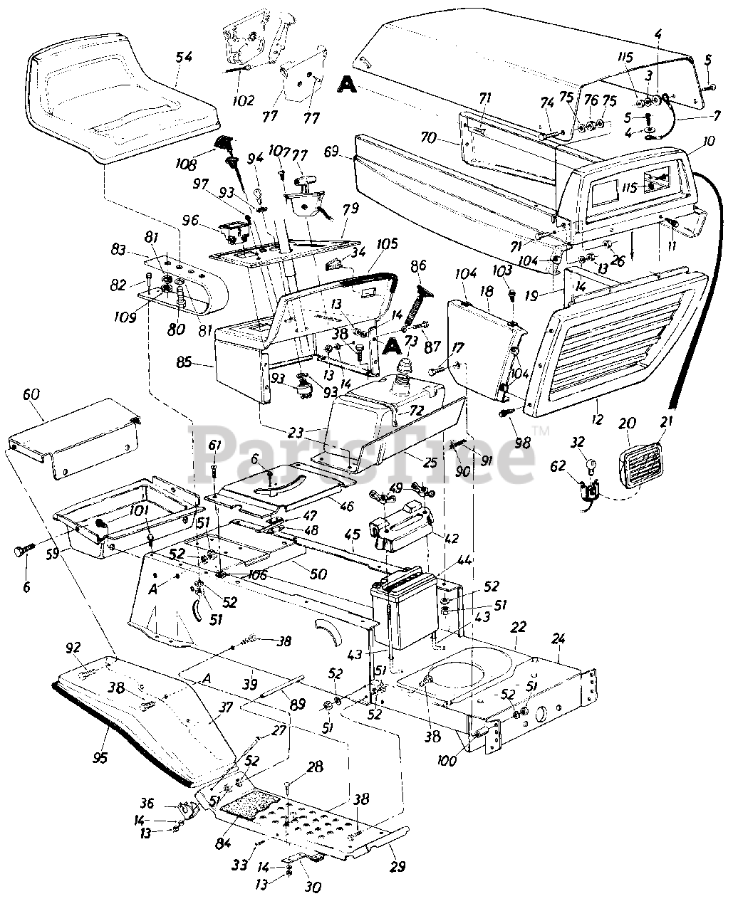
136-656-000 - MTD Lawn Tractor (1986) Parts Peerless Transaxle Parts Diagram

Lawn Tractor

Parts Peerless Transaxle Parts Diagram

  • Title

MTD 12780

Hood

Variations

12780-0629

MTD 12780-0629

No Longer Available HOOD-FRONT - SILVER FLAKE (0629)

$

$

Not available

12780-0650

MTD 12780-0650

No Longer Available HOOD-FRONT - RED METALLIC (0650)

$

$

Not available

$

$

MTD 712-0102

Hex L-Nut #10-24 Thd.
(Superseded to 712-0102A)

$4.49

$

Usually ships in 3-6 days

0

3

MTD 736-0722

L-Wash. #10 I.D.

$7.49

$

Usually ships in 3-6 days

0

4

MTD 736-0463

Fl-Wash. .25" I.D. x .62" O.D.

$4.99

$

In Stock, Qty 14

0

5

MTD 710-0192

Truss Scr. #10-24 x .375" Lg.

$3.99

$

In Stock, Qty 12

0

6

MTD 710-0473

Truss Hd. Scr. #10-24 x .50" Lg.

$4.49

$

In Stock, only 2 left!

0

7

MTD 727-0199

Hood Stop

$

$

Not available

10

MTD 15871

Front Grille Upper Ass'y.

$

$

Not available

11

MTD 710-0227

Hex AB-Tap Scr. #8 x .50" Lg.

$4.49

$

In Stock, Qty 20+

0

12

MTD 15872

Lower Grille

Variations

15872-0629

MTD 15872-0629

No Longer Available PANEL-GRIL - SILVER FLAKE (0629)

$

$

Not available

15872-0638

MTD 15872-0638

No Longer Available PANEL-GRIL - MTD/TROY-BILT RED (0638)

$

$

Not available

$

$

13

MTD 712-0287

Hex Nut 1/4-20 Thd.*
(Superseded to 912-0287)

$4.99

$

Usually ships in 3-6 days

0

14

MTD 736-0329

L-Wash. 1/4" I.D.
(Superseded to 936-0329)

$4.99

$

In Stock, Qty 11

0

17

MTD 710-0442

Hex Bolt 5/16-18 x 1.50" Lg.
(Superseded to 710-0805A)

$4.99

$

In Stock, Qty 20+

0

18

MTD 15544

R.H. Lower Side Panel

$

$

Currently unavailable

19

MTD 15545

L.H. Lower Side Panel

$

$

Not available

20

MTD 731-0705

Headlight Housing
(Superseded to 931-0705)

$

$

Not available

21

MTD 731-0706

Headlight Lens
(Superseded to 931-0706)

$

$

Not available

22

MTD 14606

Lower Frame

$

$

Currently unavailable

23

MTD 751-0172

Fuel Tank
(Superseded to 753-0503)

$

$

Not available

24

MTD 14619

Front Pivot Brkt.

$

$

Currently unavailable

25

MTD 14603

Fuel Tank Support

$

$

Not available

26

MTD 712-0375

Hex Cent. L-Nut 3/8-16 Thd.

$4.99

$

In Stock, Qty 11

0

27

MTD 710-0524

Truss Hd. Scr. 1/4-20 x 1.75" Lg.*

$

$

Currently unavailable

28

MTD 710-0134

Carriage Bolt 1/4-20 x .62" Lg.*

$4.49

$

In Stock, Qty 20+

0

29

MTD 14604

Running Board

Note: (R.H. & L.H.)

$

$

Currently unavailable

30

MTD 761-0169

Blade Brake Ass'y.
(Superseded to 961-0197)

$

$

Not available

32

MTD 725-0963

Head Lampt
(Superseded to 925-0963)

$7.99

$

In Stock, Qty 20+

0

33

MTD 710-0323

Truss Mach. Scr. 5/16-18 x .75" Lg.

$4.99

$

In Stock, only 2 left!

0

34

MTD 725-0634

Light Switch
(Superseded to 925-0634)

$18.99

$

In Stock, only 2 left!

0

36

MTD 14671

Fender Clamp

$

$

Not available

37

MTD 14666

Fender

Note: (R.H. & L.H.)

Variations

14666-0629

MTD 14666-0629

No Longer Available FENDER - SILVER FLAKE (0629)

$

$

Not available

$

$

MTD 15350

Fender

Note: (R.H. & L.H.)

Variations

15350-0638

MTD 15350-0638

No Longer Available FENDER - MTD/TROY-BILT RED (0638)

$

$

Not available

$

$

38

MTD 710-0118

Hex Bolt 5/16-18 x .75" Lg.
(Superseded to 710-3008)

$4.49

$

In Stock, Qty 20+

0

39

MTD 14602

R.H. Side Frame
(Superseded to 14602G-0637)

$

$

Not available

42

MTD 731-0708

Battery Cover

$

$

Not available

43

MTD 711-0222

Battery Hold Down Rod
(Superseded to 911-0222A)

$11.99

$

In Stock, only 1 left!

0

44

MTD 725-0514

12-V Battery
(Superseded to 753-0607)

$170.99

$

Usually ships in 3-6 days

0

45

MTD 14603

L.H. Side Frame

$

$

Not available

46

MTD 15824

Transmission Panel

$

$

Currently unavailable

47

MTD 725-0759

Reverse Safety Switch
(Superseded to 753-0579)

$

$

Not available

48

MTD 726-0222

Insulator Nut Plate
(Superseded to 926-0320)

$7.49

$

In Stock, Qty 9

0

49

MTD 712-0113

Wing Nut 1/4-20
(Superseded to 912-0113)

$7.49

$

In Stock, only 2 left!

0

50

MTD 14607

Hitch Plate

$

$

Currently unavailable

51

MTD 712-0267

Hex Nut 5/16-18 Thd.
(Superseded to 912-3010)

$4.99

$

In Stock, Qty 20+

0

52

MTD 736-0119

L-Wash. 5/16" I.D.
(Superseded to 936-0119)

$4.99

$

In Stock, Qty 20+

0

54

MTD 757-0264

Seat Ass'y.

Note: (Used w/Hex Nut)

$

$

Not available

MTD 757-0322

Seat with Safety Swtich

$

$

Not available

MTD 757-0299

Seat Ass'y.

Note: (Used w/Hex Bolts)

$

$

Currently unavailable

MTD 757-0318

Seat with Safety Switch

$

$

Not available

59

MTD 731-0561

Tool Tray

$

$

Currently unavailable

60

MTD 14789

Fender Panel

Variations

14789-0637

MTD 14789-0637

No Longer Available PANEL-FEND - POWDER BLACK (0637)

$

$

Not available

$

$

61

MTD 710-0351

Truss Mach. Tap Screw #10 x .50"

$4.99

$

In Stock, Qty 19

0

62

MTD 725-1058

Head Lamp Socket
(Superseded to 925-1058A)

$

$

Not available

69

MTD 12784

Side Panel-R.H.

$

$

Not available

70

MTD 12785

Side Panel-L.H.

$

$

Currently unavailable

71

MTD 710-0258

Hex Bolt 1/4-20 x .62" Lg.
(Superseded to 710-0751)

$4.49

$

In Stock, Qty 20+

0

72

MTD 726-0153

Tie Strap
(Superseded to 726-0230)

$28.99

$

Usually ships in 3-6 days

0

73

MTD 723-0155

Fuel Cap Gauge

$

$

Not available

74

MTD 710-0253

Hex Bolt 3/8-16 x 1.00" Lg.
(Superseded to 710-0514)

$4.49

$

In Stock, Qty 20+

0

75

MTD 736-0101

Fl-Wash. .380" I.D. x 1.00" O.D.
(Superseded to 936-0101)

$4.99

$

Usually ships in 3-6 days

0

76

MTD 735-0126

Rubber Wash. .33" I.D. x .87" O.D.
(Superseded to 735-0126A)

$

$

Not available

77

MTD 831-0823

Throttle Control Box Ass'y.
(Superseded to 831-0823A)

$34.99

$

Usually ships in 3-6 days

0

79

MTD 731-0804

Dash Panel Insert

$

$

Not available

80

MTD 710-0493

Hex Bolt 1/2-13 x 1.00" Lg.
(Superseded to 710-3131)

$5.99

$

In Stock, only 1 left!

0

81

MTD 736-0921

L-Wash. 1/2" I.D.

$4.99

$

In Stock, Qty 8

0

82

MTD 710-0376

Hex Bolt 5/16-18 x 1.00"

$4.49

$

In Stock, Qty 20+

0

83

MTD 732-0458

Seat Spring

$

$

Not available

84

MTD 723-0360

Foot Pad

$

$

Not available

85

MTD 15895

Dash Panel Ass'y.

Variations

15895-0637

MTD 15895-0637

No Longer Available DASH - POWDER BLACK (0637)

$

$

Not available

$

$

86

MTD 723-0296

Hood Latch Ass'y.

$

$

Not available

87

MTD 710-0289

Hex Bolt 1/4-20 x .50" Lg.
(Superseded to 910-0289)

$3.99

$

In Stock, only 3 left!

0

89

MTD 738-0526

Running Board Rod

$

$

Not available

90

MTD 726-0207

Hose Clamp

$

$

Not available

91

MTD 751-0173

Fuel Line
(Superseded to 751-10349-16)

$33.99

$

In Stock, Qty 8

0

92

MTD 710-0599

Thread Rolling Scr. 1/4-20 x .50" Lg.

$4.49

$

In Stock, Qty 20+

0

93

MTD 725-0267

Ignition Switch
(Superseded to 925-0267B)

$37.99

$

In Stock, Qty 10

0

94

MTD 725-0201

Ignition Key
(Superseded to 925-0201)

$9.99

$

In Stock, only 2 left!

0

95

MTD 731-0516

Trim Strip
(Superseded to 731-0511)

$3.99

$

Usually ships in 3-6 days

0

96

MTD 725-0925

Ammeter
(Superseded to 925-0925)

$31.99

$

Usually ships in 3-6 days

0

97

MTD 710-0227

Hex "AB"-Tap Scr. #8 x .50" Lg.

$4.49

$

In Stock, Qty 20+

0

98

MTD 710-0224

Hex AB-Tap #10 x .50" Lg.
(Superseded to 910-0224)

$3.99

$

In Stock, Qty 9

0

100

MTD 22550

Spacer .344" I.D. x 1.0" O.D. x .75" Lg.

$

$

Not available

101

MTD 710-0726

Hex Wash. Hd. AB-Tap Scr. 5/16 x .75" Lg.

$4.49

$

In Stock, Qty 20+

0

102

MTD 746-0505

Throttle Control Wire

Note: (B&S)

$

$

Not available

MTD 746-0637

Throttle Control Wire
(Superseded to 946-0638)

Note: (Tec.)

$10.99

$

In Stock, only 2 left!

0

103

MTD 710-0651

Hex Wash. Hd. Self-Tap Scr.

$3.99

$

Usually ships in 3-6 days

0

104

MTD 726-0139

Speed Nut #10Z

$7.49

$

In Stock, only 2 left!

0

105

MTD 757-0272

Trim Strip-15"

$

$

Currently unavailable

106

MTD 726-0139

Speed Nut #10Z

$7.49

$

In Stock, only 2 left!

0

107

MTD 710-0779

Truss Mach. AB-Tap Scr. #10 x .50" Lg.
(Superseded to 710-0779A)

$4.99

$

In Stock, Qty 7

0

108

MTD 746-0615

Choke Control 29" Lg.
(Superseded to 946-0615A)

$50.99

$

Usually ships in 3-6 days

0

109

MTD 712-0206

Hex Nut 1/2-13 Thd.

$4.99

$

Usually ships in 3-6 days

0

115

UNKNOWN

$

$

Not available