1365 GN - Husqvarna Portable Generator (2003-07) Wiring Diagram Parts Diagram

Portable Generator

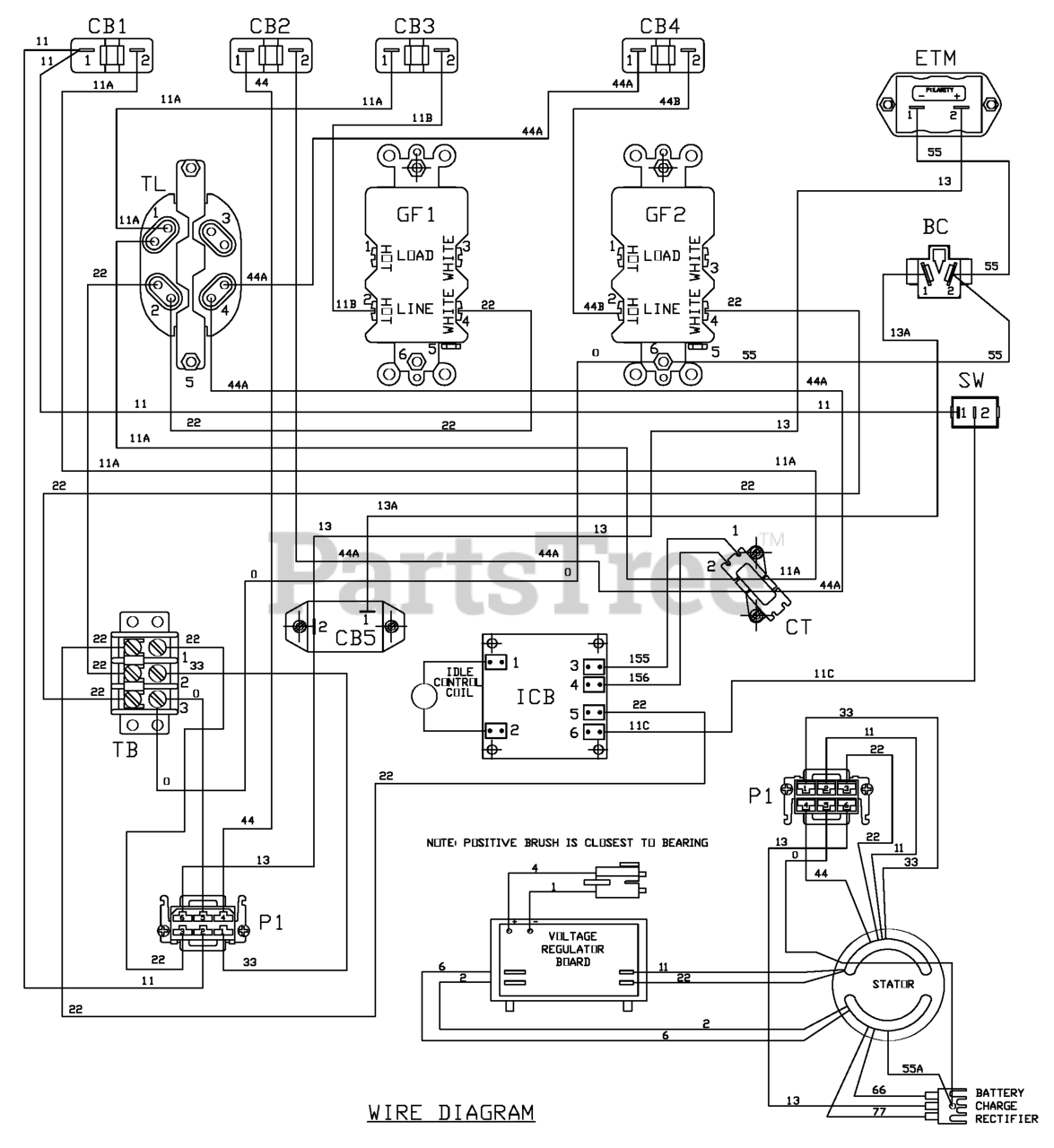
Wiring Diagram Parts Diagram

  • Title