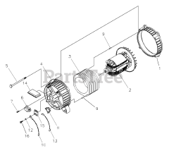
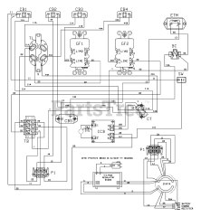
1365 GN - Husqvarna Portable Generator (2004-06) Parts & Diagrams Parts Lists & Diagrams

Portable Generator

1365 GN - Husqvarna Portable Generator (2004-06) > Parts Diagrams (6)