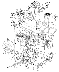
13AH450F722 - Lawn Chief Lawn Tractor (1997) (Cotter & Company) Parts & Diagrams Parts Lists & Diagrams

Lawn Tractor