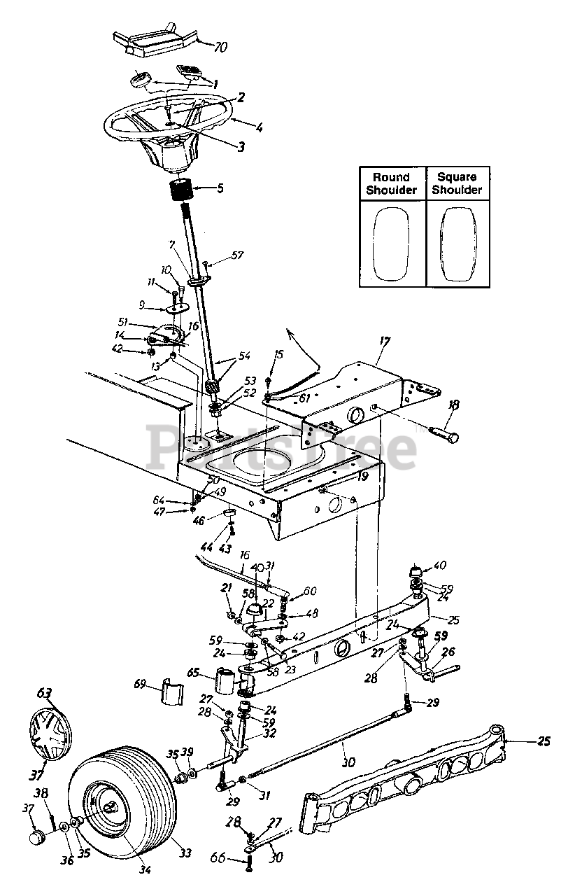
13BH660F016 - Statesman Lawn Tractor (2001) (Southern States) Axle & Wheels Front, Steering Assembly Parts Diagram

Lawn Tractor

Axle & Wheels Front, Steering Assembly Parts Diagram

  • Title
1

MTD 731-0220

Steering Wheel Cap
(Superseded to 931-0220)

$9.99

$

In Stock, only 2 left!

0

MTD 731-1459A

Steering Wheel Cap (Sq.-MTD)

$8.99

$

Usually ships in 3-6 days

0

MTD 731-1460

Steering Wheel Cap (Sq.-No logo)

$

$

Not available

2

MTD 710-0643

Hex Bolt 5/16-18 x 1" Lg.

$7.49

$

In Stock, Qty 10

0

3

MTD 736-0242

Belleville Wash. .345" I.D.

$4.99

$

In Stock, Qty 20+

0

4

MTD 731-1693

Steering Wheel (3 Spoke)
(Superseded to 931-0027A)

Note: Uses Round Steering Wheel Cap

$103.99

$

Usually ships in 3-6 days

0

MTD 731-1687

Steering Wheel (3 Spoke)
(Superseded to 931-1687)

Note: Uses Square Steering Wheel Cap

$

$

Not available

MTD 631-0027

Steering Wheel (4 Spoke)
(Superseded to 931-0027A)

$103.99

$

Usually ships in 3-6 days

0

5

MTD 731-0559A

Steering Bellow-4.5" (Style A)
(Superseded to 731-0559B)

$

$

Not available

MTD 731-0954

Steering Bellow-9" (Style 0, 1, 3, 4, 5, 6, 8, 9)
(Superseded to 931-0954)

$

$

Not available

MTD 731-1542

Steering Bellow-3.25" (Style 7)

$

$

Not available

?6

MTD 712-0240

Hex Jam Nut 7/16-20 Thd.
(Superseded to 912-0240)

$4.49

$

In Stock, Qty 20+

0

7

MTD 741-0587

Flange Bearing .628" I.D. x 1.36 O.D.

$4.99

$

In Stock, only 4 left!

0

?8

MTD 723-0448

Ball Joint 7/16-20 Thd.
(Superseded to 923-0448A)

$25.99

$

In Stock, Qty 20+

0

9

MTD 17198A

Retainer Plate
(Superseded to 783P08577A)

$7.99

$

In Stock, only 3 left!

0

10

MTD 738-0141

Shoulder Bolt .437 x .35 Lg. 5/16-18
(Superseded to 938-0141)

$

$

Not available

11

MTD 710-0152

Hex Bolt 3/8-24 x 1.0" Lg. (Gr. 5)
(Superseded to 710-1039)

$4.99

$

In Stock, Qty 14

0

13

MTD 750-0535

Spacer .380" I.D. x .625" O.D. x
(Superseded to 950-0535)

$4.99

$

In Stock, Qty 5

0

14

MTD 736-0217

L-Wash. 3/8" I.D. (H.D.)

$4.49

$

In Stock, only 2 left!

0

15

MTD 710-0726

Hex Wash. Hd. Self-Tap Scr.

$4.49

$

In Stock, Qty 20+

0

16

MTD 711-1107

Steering Drag Link
(Superseded to 911-1107)

$41.99

$

In Stock, Qty 5

0

17

MTD 783-0041B

Front Pivot Brkt.
(Superseded to 783-0041C)

Variations

783-0041B-0483

MTD 783-0041B-0483

Pivot Bar Bracket - CHARCOAL GRAY (0483)

$

$

Not available

783-0041B-0637

MTD 783-0041B-0637

BRACKET-PIVOT BAR - POWDER BLACK (0637)

$

$

Not available

783-0041B-0638

MTD 783-0041B-0638

No Longer Available BRACKET-PI - MTD/TROY-BILT RED (0638)

$

$

Not available

783-0041B-0648

MTD 783-0041B-0648

No Longer Available BRACKET-PI - TECH GRAY (0648)

$

$

Not available

783-0041B-0650

MTD 783-0041B-0650

BRACKET-PIVOT BAR - RED METALLIC (0650)

$

$

Not available

783-0041B-0665

MTD 783-0041B-0665

No Longer Available - YARDMAN GREEN (0665)

$

$

Not available

$77.99

$

Usually ships in 3-6 days

0

18

MTD 738-0527

Shoulder Bolt

$9.49

$

In Stock, Qty 10

0

19

MTD 712-0431

Flanged L-Nut 3/8-16 Thd.
(Superseded to 912-0431)

Note: Purchase locally

$5.49

$

In Stock, Qty 20+

0

21

MTD 712-0411

Hex L-Nut 5/16-24 Thd.

$4.49

$

In Stock, Qty 20+

0

22

MTD 16481A

Steering Arm Front Axle
(Superseded to 983-0055-0637)

$50.99

$

In Stock, Qty 8

0

23

MTD 710-0593

Hex Bolt 5/16-24 x 2.25" Lg.

$

$

Not available

24

MTD 741-0659

Hex Flg. Brg. .632 I.D.
(Superseded to 941-0659)

$5.49

$

In Stock, Qty 20+

0

25

MTD 683-0128A

Pivot Bar Ass'y. (Steel)
(Superseded to 683-0128B)

Variations

683-0128A-0498

MTD 683-0128A-0498

Steel Axle Pivot Bar Assembly - OLD CUB YELLOW (0498)

$102.99

$

In Stock, Qty 15

0

683-0128A-0637

MTD 683-0128A-0637

Steel Axle Pivot Bar Assembly - POWDER BLACK (0637)

$102.99

$

In Stock, Qty 15

0

683-0128A-0665

MTD 683-0128A-0665

Steel Axle Pivot Bar Assembly - YARDMAN GREEN (0665)

$102.99

$

In Stock, Qty 15

0

683-0128A-0691

MTD 683-0128A-0691

Steel Axle Pivot Bar Assembly - BLACK JACK (0691)

$102.99

$

In Stock, Qty 15

0

$95.99

$

Usually ships in 3-6 days

0

MTD 719-0342A

Pivot Bar Ass'y. (Cast Iron)

$

$

Not available

MTD 737-0212A

Grease Plug 15" X 6" (Round & Square Shoulder)

$

$

Not available

26

MTD 683-0127

Front Axle Ass'y-L.H. 15" X 6" (Round & Square Shoulder)
(Superseded to 983-0127)

$107.99

$

In Stock, only 2 left!

0

26

MTD 683-0124

Front Axle Ass'y-L.H. (46" Deck) 15" X 6" (Round & Square Shoulder)
(Superseded to 983-0124)

$169.99

$

Usually ships in 3-6 days

0

27

MTD 712-0241

Hex Nut 3/8-24 Thd.

Note: Purchase locally

$4.99

$

In Stock, only 2 left!

0

28

MTD 736-0169

L-Wash. 3/8" I.D.

Note: Purchase locally

$3.99

$

In Stock, only 2 left!

0

29

MTD 723-3018

Ball Joint 3/8-24 Thd.
(Superseded to 923-3018)

$17.99

$

In Stock, Qty 20+

0

30

MTD 747-0753

Tie Rod (Adjustable)

$36.99

$

In Stock, Qty 7

0

MTD 747-0861

Tie Rod (Non-Adjustable)
(Superseded to 747-0861-0637)

Variations

747-0861-0637

MTD 747-0861-0637

Non-Adjustment Tie Rod, Black - POWDER BLACK (0637)

$32.99

$

In Stock, only 4 left!

0

$32.99

$

In Stock, only 4 left!

0

31

MTD 712-0711

Hex Jam Nut 3/8-24 Thd.

Note: Purchase locally

$4.49

$

In Stock, Qty 6

0

32

MTD 683-0126

Front Axle Ass'y-R.H. 15" X 6" (Round & Square Shoulder)
(Superseded to 983-0126)

$

$

Not available

32

MTD 683-0125

Front Axle Ass'y-R.H. (46" Deck) 15" X 6" (Round & Square Shoulder)
(Superseded to 983-0125)

$169.99

$

Usually ships in 3-6 days

0

33

MTD 634-0056A

Wheel Ass'y comp. 15" X 6" (Round Shoulder)
(Superseded to 634-0056B-0911)

Variations

634-0056A-0911

MTD 634-0056A-0911

Tire and Wheel Assembly - Carlisle Gray (0911)

$264.99

$

In Stock, only 1 left!

0

634-0056A-0912

MTD 634-0056A-0912

Tire and Wheel Assembly - Dico Gray (0912)

$264.99

$

In Stock, only 1 left!

0

634-0056A-0914

MTD 634-0056A-0914

Tire and Wheel Assembly - Cheng Gray (0914)

$264.99

$

In Stock, only 1 left!

0

634-0056A-0916

MTD 634-0056A-0916

Tire and Wheel Assembly - Kenda Gray (0916)

$264.99

$

In Stock, only 1 left!

0

634-0056A-0931

MTD 634-0056A-0931

WHEEL ASM-W/TIRE - Carlisle Beige (0931)

$214.99

$

Usually ships in 3-6 days

0

634-0056A-0941

MTD 634-0056A-0941

Tire and Wheel Assembly - Carlisle Yellow (0941)

$264.99

$

In Stock, only 1 left!

0

634-0056A-0981

MTD 634-0056A-0981

Tire and Wheel Assembly - Carlisle Green (0981)

$264.99

$

In Stock, only 1 left!

0

$264.99

$

In Stock, only 1 left!

0

33

MTD 634-0105A

Wheel Ass'y comp. 15" X 6" (Square Shoulder)
(Superseded to 634-0105B)

Variations

634-0105A-0911

MTD 634-0105A-0911

Wheel Assembly, Gray - Carlisle Gray (0911)

$264.99

$

In Stock, only 3 left!

0

634-0105A-0912

MTD 634-0105A-0912

Wheel Assembly, Gray - Dico Gray (0912)

$264.99

$

In Stock, only 3 left!

0

634-0105A-0914

MTD 634-0105A-0914

Wheel Assembly, Gray - Cheng Gray (0914)

$264.99

$

In Stock, only 3 left!

0

634-0105A-0915

MTD 634-0105A-0915

Wheel Assembly, Gray - Duro Gray (0915)

$264.99

$

In Stock, only 3 left!

0

634-0105A-0916

MTD 634-0105A-0916

Wheel Assembly, Gray - Kenda Gray (0916)

$264.99

$

In Stock, only 3 left!

0

634-0105A-0931

MTD 634-0105A-0931

Wheel Assembly, Complete - Carlisle Beige (0931)

$

$

Not available

634-0105A-0941

MTD 634-0105A-0941

WHEEL ASM-COMPLETE - Carlisle Yellow (0941)

$

$

Not available

634-0105A-0945

MTD 634-0105A-0945

WHEEL ASM-COMPLETE - Duro Yellow (0945)

$

$

Not available

$214.99

$

Usually ships in 3-6 days

0

MTD 734-0864

Tire Only 15" X 6" (Round Shoulder)

Variations

734-0864-0901

MTD 734-0864-0901

TIRE 15 X 6 - Carlisle (0901)

$145.99

$

Usually ships in 3-6 days

0

734-0864-0902

MTD 734-0864-0902

TIRE 15 X 6 DICO T - Dico (0902)

$145.99

$

Usually ships in 3-6 days

0

734-0864-0904

MTD 734-0864-0904

TIRE 15 X 6 - Cheng (0904)

$145.99

$

Usually ships in 3-6 days

0

734-0864-0905

MTD 734-0864-0905

Tire, 15 X 6 Square Tread - Duro (0905)

$52.99

$

Usually ships in 3-6 days

0

734-0864-0906

MTD 734-0864-0906

TIRE-15X6 KENDA - Kenda (0906)

$

$

Not available

$117.99

$

Usually ships in 3-6 days

0

MTD 734-1731

Tire Only 15" X 6" (Square Shoulder)

Variations

734-1731-0901

MTD 734-1731-0901

Tire, 15 X 6 Square Tread - Carlisle (0901)

$52.99

$

Usually ships in 3-6 days

0

734-1731-0902

MTD 734-1731-0902

TIRE-MULTI TRAC 15 - Dico (0902)

$47.99

$

In Stock, Qty 9

0

734-1731-0904

MTD 734-1731-0904

Tire, 15 X 6 Square Tread - Cheng (0904)

$52.99

$

Usually ships in 3-6 days

0

734-1731-0905

MTD 734-1731-0905

Tire, 15 X 6 Square Tread - Duro (0905)

$52.99

$

Usually ships in 3-6 days

0

734-1731-0906

MTD 734-1731-0906

Tire, 15 X 6 Square Tread - Kenda (0906)

$52.99

$

Usually ships in 3-6 days

0

$117.99

$

Usually ships in 3-6 days

0

MTD 634-0024

Rim Only 15" X 6" (Round & Square Shoulder)
(Superseded to 753-0838-0662)

Variations

634-0024-0499

MTD 634-0024-0499

KIT-WHEEL RIM - CUB BEIGE (0499)

$

$

Not available

634-0024-0629

MTD 634-0024-0629

Wheel Rim Kit, Grey - SILVER FLAKE (0629)

$

$

Not available

634-0024-0662

MTD 634-0024-0662

Wheel Rim Kit, Grey - OYSTER GRAY (0662)

$

$

Not available

634-0024-0674

MTD 634-0024-0674

KIT-WHEEL RIM - YARDMAN YELLOW (0674)

$

$

Not available

634-0024-0688

MTD 634-0024-0688

Wheel Rim Kit, Grey - SPRING GREEN (0688)

$

$

Not available

$

$

MTD 741-0487A

Bearing 15" X 6" (Round & Square Shoulder)
(Superseded to 741-0487C)

$7.99

$

In Stock, Qty 20+

0

MTD 734-0255

Air Valve 15" X 6" (Round & Square Shoulder)
(Superseded to 934-0255)

$4.49

$

In Stock, Qty 20+

0

34

MTD 634-0024

Rim Only 15" X 6" (Round & Square Shoulder)
(Superseded to 753-0838-0662)

Variations

634-0024-0499

MTD 634-0024-0499

KIT-WHEEL RIM - CUB BEIGE (0499)

$

$

Not available

634-0024-0629

MTD 634-0024-0629

Wheel Rim Kit, Grey - SILVER FLAKE (0629)

$

$

Not available

634-0024-0662

MTD 634-0024-0662

Wheel Rim Kit, Grey - OYSTER GRAY (0662)

$

$

Not available

634-0024-0674

MTD 634-0024-0674

KIT-WHEEL RIM - YARDMAN YELLOW (0674)

$

$

Not available

634-0024-0688

MTD 634-0024-0688

Wheel Rim Kit, Grey - SPRING GREEN (0688)

$

$

Not available

$

$

35

MTD 741-0487A

Bearing 15" X 6" (Round & Square Shoulder)
(Superseded to 741-0487C)

$7.99

$

In Stock, Qty 20+

0

36

MTD 736-0285

Fl-Wash 635 I.D. x 1.59" O.D.

$4.49

$

In Stock, Qty 20+

0

37

MTD 731-0484A

Front Wheel Hub Cap
(Superseded to 931-0484A)

$6.99

$

In Stock, Qty 20+

0

MTD 731-1787A

Spoked Hub Cap (Yellow-Opt.)

$

$

Currently unavailable

MTD 734-1613A

Spoked Hub Cap (Gray-Opt.)

$

$

Not available

MTD 734-1612A

Spoked Hub Cap (Beige-Opt.)

$

$

Not available

38

MTD 714-0470

Cotter Pin 1/8" Dia. x 1.25"

$4.49

$

In Stock, Qty 20+

0

39

MTD 736-0162

Fl-Wash. .640" I.D. x 1.24" O.D.

$4.49

$

In Stock, Qty 15

0

40

MTD 726-0214

Push Cap 5/8" Dia. Rod

$11.99

$

In Stock, Qty 20+

0

42

MTD 712-0262

Hex Jam Nut 3/8-24 Thd.

$4.49

$

In Stock, Qty 9

0

43

MTD 710-1309

Hex Patch Bolt 5/16-18 x .62"

$4.49

$

In Stock, Qty 20+

0

44

UNKNOWN

$

$

Not available

46

MTD 748-0389

Cap
(Superseded to 948-0389)

$5.49

$

In Stock, Qty 20+

0

47

MTD 712-0214

Hex Cent. L-Nut 3/8-24 Thd.

$6.99

$

In Stock, Qty 15

0

48

MTD 736-0169

L-Wash. 3/8" I.D.

$3.99

$

In Stock, only 2 left!

0

49

MTD 712-0158

Hex Cent. L-Nut 5/16-18 Thd.
(Superseded to 912-0158)

$3.49

$

In Stock, only 3 left!

0

50

MTD 736-0119

L-Wash. 5/16" I.D.
(Superseded to 936-0119)

$4.99

$

In Stock, Qty 20+

0

51

MTD 717-0622A

Steering Gear Segment
(Superseded to 717-0622C)

$56.99

$

In Stock, Qty 7

0

52

MTD 741-0656

Hex Fig. Brg. .634 I.D.
(Superseded to 941-0656A)

$5.49

$

In Stock, Qty 20+

0

53

MTD 736-0187

Fl-Wash. (Hardened)

$4.99

$

In Stock, Qty 20+

0

54

MTD 738-0919

Steering Shaft
(Superseded to 738-0919B)

$62.99

$

In Stock, Qty 20+

0

57

MTD 710-0837

Oval Hd. Cr.-Sunk Scr. (Style A)

$4.99

$

In Stock, only 3 left!

0

58

MTD 736-3081

Wave-Wash. .32" I.D. x .60" O.D.

$3.99

$

In Stock, only 3 left!

0

59

MTD 736-0187

Fl-Wash. (Hardened)

$4.99

$

In Stock, Qty 20+

0

60

MTD 723-0448

Drag Link Ball Joint 7/16-20 Thd.
(Superseded to 923-0448A)

$25.99

$

In Stock, Qty 20+

0

61

UNKNOWN

$

$

Not available

63

MTD 727-0425A

Spring Clip (Used w/Spoked Hub Cap)
(Superseded to 927-0425A)

$

$

Not available

64

MTD 736-0356

Bell-Wash. .39" I.D. x 1.38" O.D.
(Superseded to 936-0356)

$

$

Not available

65

MTD 731-1291A

Pivot Bar End Cap
(Superseded to 931-1291A)

Note: (Optional)

$16.99

$

In Stock, Qty 10

0

66

MTD 710-0459

Hex Bolt 3/8-24 x 1.5" Lg. (Gr. 5)
(Superseded to 710-0459A)

$7.49

$

In Stock, only 2 left!

0

69

MTD 731-1649

Axle Cap

$

$

Not available

70

MTD 731-0955

Steering Wheel Insert
(Superseded to 931-0955)

Note: (Optional)

$

$

Not available