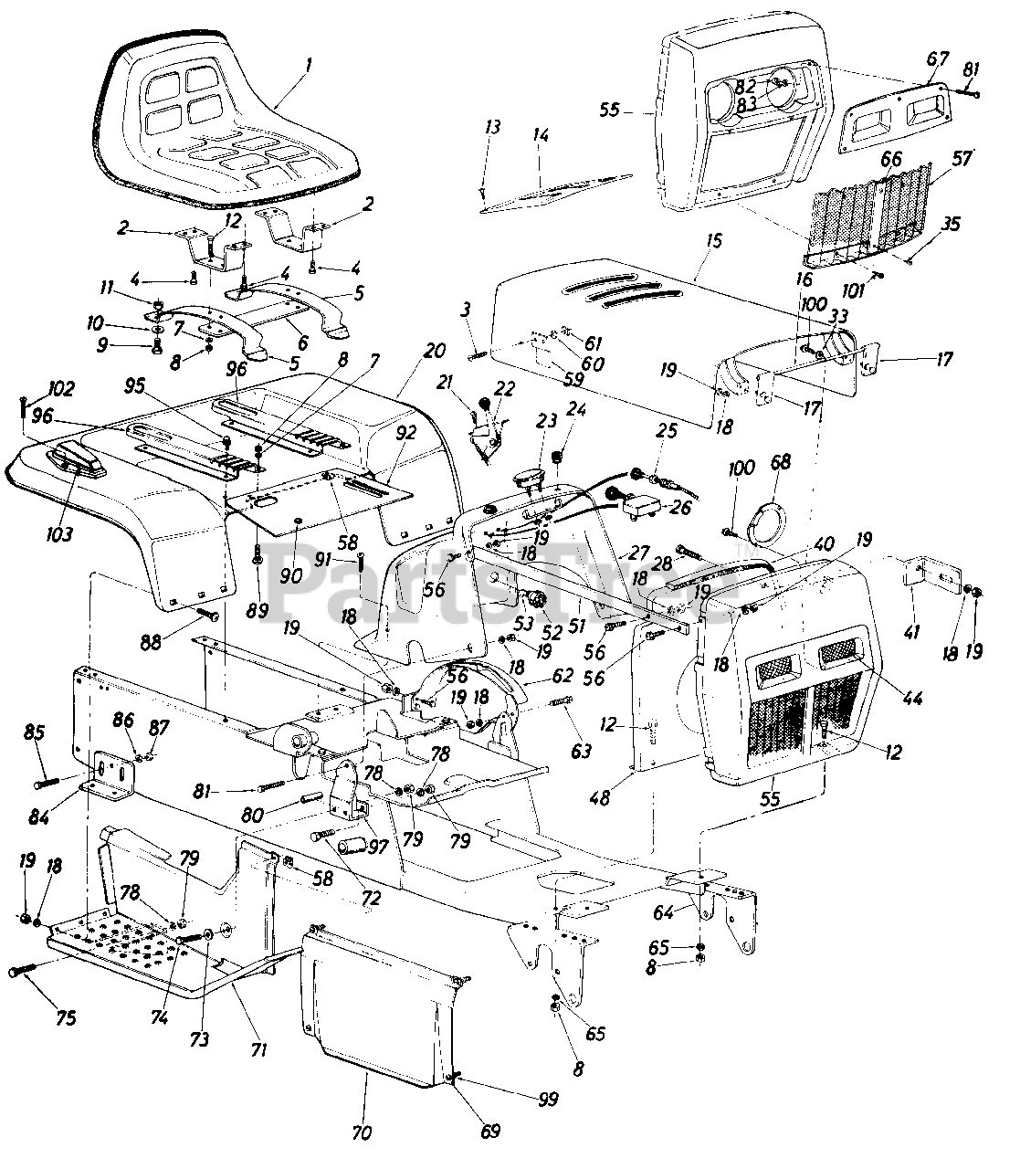
146-995-000 - MTD Garden Tractor (1986) Parts Parts Diagram

Garden Tractor

Parts Parts Diagram

  • Title
1

MTD 757-0308

Seat Ass'y. Comp.

$

$

Currently unavailable

MTD 757-0318

Seat with Safety Switch

$

$

Not available

2

MTD 14225

Seat Support Brkt.

$

$

Not available

3

MTD 710-0192

Truss Hd. Mach. Scr. #10-24 x.38" Lg.

$3.99

$

In Stock, Qty 12

0

4

MTD 710-0623

Hex Wash. Hd. Self-Tap Scr. 3/8-16 x .75" Lg.

$4.49

$

In Stock, Qty 11

0

5

MTD 13123

Seat Spring

Variations

13123-0637

MTD 13123-0637

Seat Spring - POWDER BLACK (0637)

$

$

Not available

$

$

6

MTD 13214

Seat Support Plate

$

$

Currently unavailable

7

MTD 736-0119

L-Wash. 5/16" Scr.
(Superseded to 936-0119)

$4.99

$

In Stock, Qty 20+

0

8

MTD 712-0267

Hex Nut 5/16-18 Thd.
(Superseded to 912-3010)

$4.99

$

In Stock, Qty 20+

0

9

MTD 710-0689

Nylon Scr 1/2-13 x .75" Lg.

$7.49

$

Usually ships in 3-6 days

0

10

MTD 736-0160

Fl-Wash .531 I.D. x .930 O.D.

$4.49

$

In Stock, only 1 left!

0

11

MTD 712-0384

Hex Cent. L-Nut 1/2-13 Thd.
(Superseded to 912-0384)

$7.49

$

In Stock, only 3 left!

0

12

MTD 710-0118

Hex Scr. 5/16-18 x .75" Lg.
(Superseded to 710-3008)

$4.49

$

In Stock, Qty 20+

0

13

MTD 710-0697

Self-Tap Oval Hd. Scr. 1/2" Lg.

$

$

Not available

14

MTD 731-0568

Dash Panel Cover

$

$

Not available

15

MTD 13772

Hood Ass'y.

$

$

Currently unavailable

16

MTD 747-0231

Hinge Rod

$

$

Not available

17

MTD 13581

Hood Hinge Ass'y.

$

$

Not available

18

MTD 736-0329

L-Wash. 1/4" Scr.
(Superseded to 936-0329)

$4.99

$

In Stock, Qty 7

0

19

MTD 712-0287

Hex Nut 1/4-20 Thd.
(Superseded to 912-0287)

$4.99

$

Usually ships in 3-6 days

0

20

MTD 13106

Rear Fender

$

$

Currently unavailable

21

MTD 710-0721

Fl-Hd. Truss Scr. #10 x .62" Lg.

$

$

Currently unavailable

22

MTD 746-0342

Throttle Control

$

$

Currently unavailable

23

MTD 725-0119

Ammeter
(Superseded to 925-3141)

$66.99

$

In Stock, only 3 left!

0

24

MTD 735-0199

Rubber Bumper
(Superseded to 935-0199A)

$8.49

$

In Stock, only 1 left!

0

25

MTD 746-0343

Choke Control

$

$

Not available

26

MTD 725-0670

Light Switch

$

$

Not available

27

MTD 731-0463

Dash Panel

$

$

Not available

28

MTD 710-0258

Hex Scr. 1/4-20 x .62" Lg.
(Superseded to 710-0751)

$4.49

$

In Stock, Qty 20+

0

MTD 13689

Hood Support Brkt. Ass'y.-R.H.

$

$

Not available

33

MTD 736-0211

Fl-Wash. .250 I.D. x 1.25 O.D.

$7.49

$

In Stock, only 3 left!

0

35

UNKNOWNW

$

$

Not available

MTD 710-0294

Hex Scr. 1/4-20 x .38" Lg.

$3.49

$

Usually ships in 3-6 days

0

40

MTD 722-0136

Foam Strip

$

$

Not available

41

MTD 13724

Heat Shield Brkt.

$

$

Currently unavailable

44

MTD 725-0222

Head Lamp
(Superseded to 925-0222)

$62.99

$

In Stock, only 2 left!

0

48

MTD 13569

Heat Shield

$

$

Not available

MTD 710-0286

Truss Mach. Scr. 1/4-20 x .75" Lg.

$4.99

$

In Stock, only 4 left!

0

51

MTD 13725

Grille Strap

$

$

Not available

52

MTD 725-0267

Ignition Switch
(Superseded to 925-0267B)

$37.99

$

In Stock, Qty 9

0

53

MTD 725-0201

Ignition Key
(Superseded to 925-0201)

$9.99

$

In Stock, only 2 left!

0

55

MTD 13200

Grille

$

$

Currently unavailable

56

MTD 710-0252

Hex Scr. 1/4-20 x .75" Lg.
(Superseded to 710-3015)

$4.49

$

In Stock, Qty 7

0

57

MTD 13273

Grille Screen

$

$

Currently unavailable

58

MTD 726-0169

Clip-On Receptacle

$

$

Currently unavailable

59

MTD 732-0391

Hood Spring

$

$

Not available

60

MTD 736-0722

L-Wash. #10

$7.49

$

Usually ships in 3-6 days

0

61

MTD 712-0121

Hex Nut #10-24

$4.99

$

In Stock, Qty 19

0

62

MTD 13528

Speed Control Guide

$

$

Not available

63

MTD 710-0255

Truss Mach. Scr. 1/4-20 x .75" Lg.
(Superseded to 710-0924)

$4.99

$

In Stock, Qty 20+

0

64

MTD 13509

Frame Ass'y.

$

$

Not available

65

MTD 736-0242

Bell-Wash. 5/16" Scr.

$4.99

$

In Stock, Qty 20+

0

66

MTD 723-0337

Moulding

$

$

Currently unavailable

67

MTD 731-0399

Headlight Bezel

$

$

Currently unavailable

68

MTD 09960

Headlight Retainer

$

$

Not available

69

MTD 726-0167

1/4-Turn Stud

$

$

Currently unavailable

70

MTD 13525

Hood Lower Side Panel

$

$

Not available

71

MTD 13576

Foot Step Panel Ass'y.-R.H.

$

$

Not available

MTD 13577

Foot Step Panel Ass'y.- L.H.

Note: (Not Shown)

$

$

Not available

72

MTD 710-0253

Hex Scr. 3/8-16 x 1.00" Lg. Grade 5
(Superseded to 710-0514)

$4.49

$

In Stock, Qty 20+

0

73

MTD 736-0117

Fl-Wash. .385 I.D. x .62 O.D.
(Superseded to 936-0117)

$7.49

$

In Stock, only 1 left!

0

74

MTD 710-0194

Hex Scr. 3/8-16 x 3.00" Lg.

$

$

Not available

75

MTD 710-0253

Hex Scr. 3/8-16 x 1.00" Lg. Grade 5
(Superseded to 710-0514)

$4.49

$

In Stock, Qty 20+

0

78

MTD 736-0169

L-Wash. 3/8" Scr.

$3.99

$

In Stock, only 2 left!

0

79

MTD 712-0798

Hex Nut 3/8-16 Thd.

$4.49

$

In Stock, Qty 20+

0

80

MTD 750-0261

Spacer .375 I.D. x .62 O.D. x 2.00" Lg.

$

$

Not available

81

MTD 710-0467

Truss Mach. Scr. #10-24 x 1.0" Lg.

$

$

Not available

82

MTD 712-0425

Sq. Nut #10-24 Thd.
(Superseded to 912-0121)

$4.99

$

In Stock, Qty 19

0

83

MTD 736-0147

Ext. L-Wash. #10 I.D.
(Superseded to 936-0147)

$3.49

$

Usually ships in 3-6 days

0

84

MTD 13066

Transaxle Support Brkt.

$

$

Not available

85

MTD 710-0617

Rd. Hd. Rib Neck Scr. 3/8-24

$4.49

$

Usually ships in 3-6 days

0

86

MTD 736-0217

L-Wash. 3/8" Scr.

$4.49

$

In Stock, only 2 left!

0

87

MTD 712-0241

Hex Nut 3/8-24 Thd.

$4.99

$

In Stock, only 2 left!

0

88

MTD 710-0167

Carr. Bolt 1/4-20 x .50" Lg.
(Superseded to 710-05177)

$5.49

$

Usually ships in 3-6 days

0

89

MTD 710-0260

Carr.- Bolt 5/16-18 x .62" Lg.
(Superseded to 710-0260A)

$4.49

$

Usually ships in 3-6 days

0

90

MTD 731-0405

Snap Bushing

$

$

Not available

91

MTD 710-0618

Fl-Hd. Self-Tap Scr. 1/4-20 x .62" Lg.

$

$

Not available

92

MTD 13529

Transmission Cover

Variations

13529-0483

MTD 13529-0483

No Longer Available - CHARCOAL GRAY (0483)

$

$

Not available

13529-0637

MTD 13529-0637

No Longer Available COVER-CONT - POWDER BLACK (0637)

$

$

Not available

13529-0648

MTD 13529-0648

No Longer Available COVER-CONT - TECH GRAY (0648)

$

$

Not available

13529-0665

MTD 13529-0665

No Longer Available COVER-CONT - YARDMAN GREEN (0665)

$

$

Not available

$

$

95

MTD 710-0601

Hex Wash. Hd. Self-Tap Scr. 5/16-24 x .75" Lg.
(Superseded to 710-1260A)

$3.99

$

In Stock, Qty 20+

0

96

MTD 13124

Seat Adjustment Brkt.

$

$

Not available

97

MTD 13536

Dash Panel Mtg. Brkt.

Variations

13536-0637

MTD 13536-0637

No Longer Available BRACKET AS - POWDER BLACK (0637)

$

$

Not available

$

$

99

MTD 726-0168

Retainer

$

$

Currently unavailable

100

MTD 710-0599

Thread Rolling Scr. 1/4"

$4.49

$

In Stock, Qty 20+

0

101

MTD 728-0148

Drive Scr. #7

$

$

Currently unavailable

102

MTD 710-0535

Fl. C-Sunk AB-Tap Scr. #10x 1.0" Lg.
(Superseded to 710-0841)

$4.99

$

Usually ships in 3-6 days

0

103

MTD 725-0612

Taillight

$

$

Not available