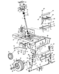
146P820H205 - Ranch King Garden Tractor (1996) Parts & Diagrams Parts Lists & Diagrams

Garden Tractor