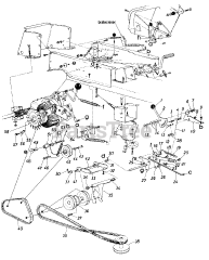
14843C - MTD Garden Tractor (1986) Parts & Diagrams Parts Lists & Diagrams

Garden Tractor