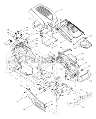
14AU807P352 - Yard Machines Garden Tractor (2002) (Walmart) Parts & Diagrams Parts Lists & Diagrams

Garden Tractor