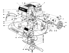
16073 - Toro Whirlwind Walk-Behind Mower (SN: 006000001 - 006999999) (1976) Parts & Diagrams Parts Lists & Diagrams

Whirlwind Walk-Behind Mower