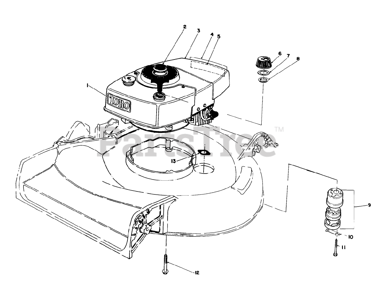
16165 C - Toro Walk-Behind Mower (SN: 006000001 - 006999999) (1986) Engine Assembly Parts Diagram

Walk-Behind Mower

Engine Assembly Parts Diagram

  • Title
1

Toro 44-0510

See Supercession: 70-2200
(Superseded to 70-2200)

$5.99

$

Usually ships in 3-6 days

0

2

Toro 38-1481

DISCONTINUED

$

$

Not available

3

Toro 46-8362

Engine

$

$

Currently unavailable

4

Toro 46-9300

DISCONTINUED

$

$

Not available

5

Toro 40-2950

DISCONTINUED

$

$

Not available

6

Toro 42-0682

DISCONTINUED

$

$

Not available

7

Toro 2210-144

GASKET

$

$

Not available

8

Toro 2210-143

DISCONTINUED

$

$

Not available

9

Toro 5-4769

MUFFLER ASM

$67.99

$

Usually ships in 3-6 days

0

10

Toro 3-5094

CLIP - LOCKING

$12.99

$

Usually ships in 3-6 days

0

11

Toro 321-20

SCREW-HH

$7.99

$

Usually ships in 3-6 days

0

12

Toro 11-0580

3/8-16 X 2-3/4 CAPSCR

$

$

Not available

13

Toro 11-9580

DISCONTINUED

$

$

Not available

Toro 39-5930

DISCONTINUED

Note: Not illustrated

$

$

Not available