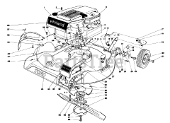
16173 - Toro Whirlwind Walk-Behind Mower (SN: 005000001 - 005999999) (1975) Parts & Diagrams Parts Lists & Diagrams

Whirlwind Walk-Behind Mower