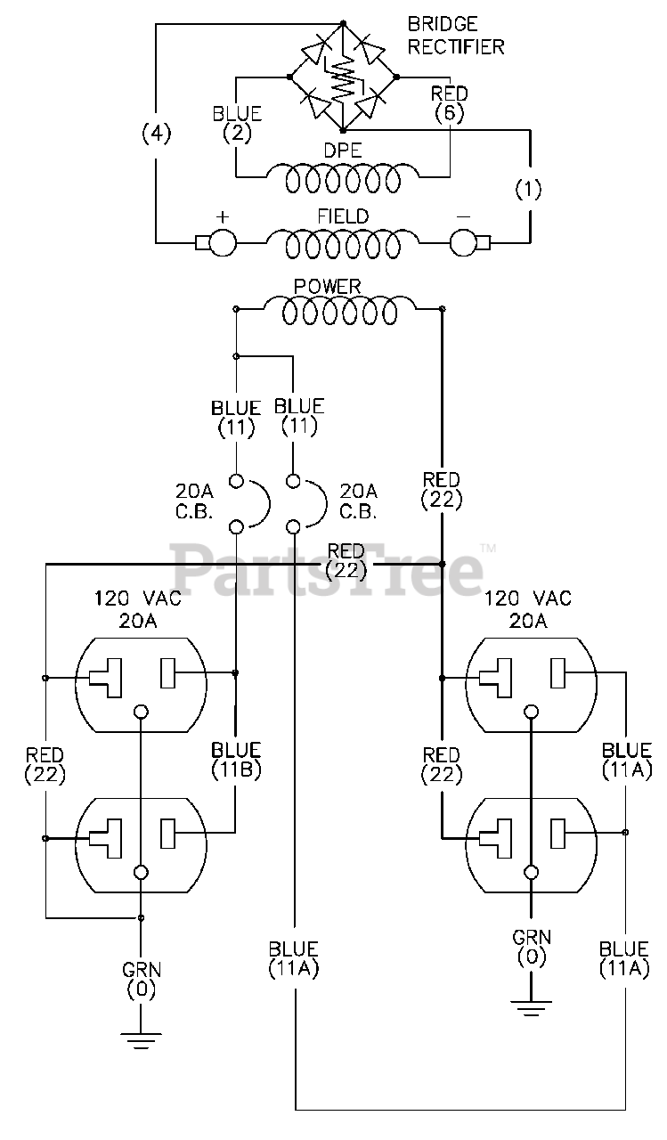
1649-0 - PowerBoss 3,250 Watt Portable Generator Wiring Schematic Parts Diagram

3,250 Watt Portable Generator

Wiring Schematic Parts Diagram

  • Title