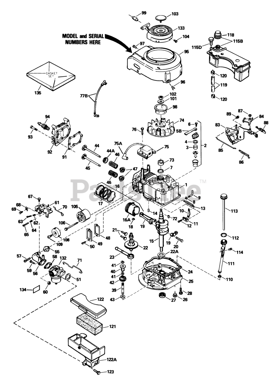
16575 - Toro Walk-Behind Mower (SN: 009000001 - 009999999) (1989) ENGINE TECUMSEH MODEL NO. TVS100-44016B Parts Diagram

Walk-Behind Mower

ENGINE TECUMSEH MODEL NO. TVS100-44016B Parts Diagram

  • Title
1

Tecumseh 35010

Cylinder Assembly (Incl. Ref. #7 & 14)
(Superseded to 36479A)

$

$

Not available

2

Tecumseh 34214A

Breather Assembly (Incl. Ref. #3-6)
(Superseded to 34214B)

$

$

Not available

3

Tecumseh 33734

Element-Breather

$1.99

$

In Stock, Qty 20+

0

4

Tecumseh 33735

Gasket-Breather

$1.99

$

In Stock, only 1 left!

0

5B

Tecumseh 33886

Tube, Breaker

$

$

Not available

6

Tecumseh 30200

Screw (10-24 x 9/16)

$1.49

$

In Stock, Qty 20+

0

7

Tecumseh 32600

Seal-Oil

$

$

Not available

8

Tecumseh 28277

Washer-Flat

$1.99

$

In Stock, only 2 left!

0

9

Tecumseh 30589

Rod-Governor (Incl. Ref. #8)

$5.49

$

In Stock, only 2 left!

0

10

Tecumseh 31383A

Governor Lever

$1.99

$

In Stock, Qty 5

0

11

Tecumseh 31335

Clamp-Lever, Governor

$1.99

$

In Stock, Qty 5

0

12

Tecumseh 650548

Screw
(Superseded to 651018)

$1.99

$

In Stock, only 2 left!

0

13

Tecumseh 31361

Spring Governor

$1.99

$

In Stock, Qty 14

0

14

Tecumseh 26727

Pin-Dowel

$1.99

$

In Stock, Qty 5

0

15

Tecumseh 35482

Crankshaft

$

$

Not available

16

Tecumseh 35544

Piston-Pin & Ring Assy. (Std.) (Incl. Ref. #16A, 17 & 18)
(Superseded to 35544A)

$60.99

$

Usually ships in 3-12 days

0

16

Tecumseh 35545

Piston-Pin & Ring Assembly (.010 oversize) (Incl. Ref. #16A, 17 & 18)
(Superseded to 35545A)

$

$

Not available

16

Tecumseh 35546

Piston-Pin & Ring Assembly (.020 oversize) (Incl. Ref. #16A, 17 & 18)

$

$

Not available

16A

Tecumseh 35541

Piston & Pin Assembly (Std.) (Incl. Ref. #18)

$45.99

$

In Stock, only 1 left!

0

16A

Tecumseh 35542

Piston & Pin Assembly (.010 oversize) (Incl. Ref. #18)

$

$

Not available

16A

Tecumseh 35543

Piston & Pin Assembly (.020 oversize) (Incl. Ref. #18)

$

$

Not available

17

Tecumseh 35547

Ring Set-Piston (Std.)
(Superseded to 35547A)

$

$

Not available

17

Tecumseh 35548

Ring Set, Piston(.0100versize)
(Superseded to 35548A)

$

$

Not available

17

Tecumseh 35549

Ring Set (.020" OS)

$

$

Not available

18

Tecumseh 20381

Ring-Retaining, Piston Pin

$1.99

$

Usually ships in 3-12 days

0

19

Tecumseh 30963B

Rod Assembly-Connecting (Incl. Ref. #20)

$29.99

$

In Stock, only 2 left!

0

20

Tecumseh 32610A

Bolt-Rod, Connecting

$1.99

$

In Stock, only 4 left!

0

21

Tecumseh 27241

Lifter-Valve

$5.49

$

In Stock, Qty 6

0

22

Tecumseh 33553

Camshaft(Mech.Comp. Release)
(Superseded to 35992)

$72.99

$

Usually ships in 3-12 days

0

22A

Tecumseh 32323

Washer-Thrust

$8.49

$

In Stock, only 2 left!

0

23

Tecumseh 29914

Oil Pump ASM

$9.49

$

Usually ships in 3-12 days

0

24

Tecumseh 35261

Gasket
(Superseded to 37609)

$2.99

$

Usually ships in 3-12 days

0

25

Tecumseh 34311B

Flange-Mounting (Incl. Ref. #26, 27 & 39)
(Superseded to 37608A)

$77.99

$

In Stock, only 2 left!

0

26

Tecumseh 27244

Plug Oil Drain
(Superseded to 36083)

$6.99

$

In Stock, only 3 left!

0

27

Tecumseh 27897

Seal-Oil

$8.49

$

In Stock, Qty 11

0

28

Tecumseh 650488

Screw (1/4-20 x 1-1/4)

$1.99

$

Usually ships in 3-12 days

0

39

Tecumseh 30574

Shaft-Governor
(Superseded to 30574A)

$7.49

$

Usually ships in 3-12 days

0

40

Tecumseh 30588A

Spool-Governor

$1.99

$

In Stock, Qty 10

0

41

Tecumseh 29193

Ring-Retaining

$1.99

$

In Stock, Qty 15

0

42

Tecumseh 30591

Gear Assembly-Governor (Incl. Ref. #43)

$13.99

$

In Stock, only 2 left!

0

43

Tecumseh 35479

Washer
(Superseded to 651080)

$1.99

$

In Stock, Qty 8

0

44

Tecumseh 29314B

Valve-Intake (Std.) (Incl. Ref. #47)
(Superseded to 29314C)

$5.99

$

In Stock, Qty 7

0

44

Tecumseh 29315C

Valve-Intake (1 /32" oversize) (Incl. Ref. #47)

$

$

Not available

44A

Tecumseh 35390

Seal Assy., Intake

$

$

Not available

45

Tecumseh 29313C

Valve-Exhaust (Std.) (Incl. Ref. #47)

$

$

Not available

45

Tecumseh 29315C

Valve-Exhaust (1/32" oversize) (Incl. Ref. #47)

$

$

Not available

46

Tecumseh 31672

Spring-Valve

$1.99

$

In Stock, only 3 left!

0

47

Tecumseh 31673

Cap-Valve, Spring

$1.99

$

In Stock, Qty 20+

0

48

Tecumseh 27234A

Gasket-Cover, Valve

$5.99

$

In Stock, only 2 left!

0

49

Tecumseh 32755

Cover-Valve

$5.49

$

Usually ships in 3-12 days

0

50

$5.49

$

In Stock, Qty 12

0

51

Tecumseh 34338

Gasket-Cleaner, Air

$1.99

$

In Stock, only 2 left!

0

55

Tecumseh 34690A

Gasket-Intake Pipe

$4.49

$

In Stock, only 3 left!

0

56

Tecumseh 31384A

Pipe-Intake (Incl. Ref. #55)

$21.99

$

In Stock, only 2 left!

0

57

Tecumseh 650451

Screw (1/4-20 x 1)

$1.99

$

In Stock, Qty 20+

0

58

$2.99

$

In Stock, Qty 20+

0

59

Tecumseh 6201

Screw (1/4-28 x 7/8)

$

$

Not available

60

Tecumseh 29752

Nut and Lock Washer (1/4-28)

$1.99

$

In Stock, Qty 8

0

61

Tecumseh 33131A

Bracket Assembly-Control (Incl. Ref. #62-65)

$33.99

$

Usually ships in 3-12 days

0

62

Tecumseh 33802

61709/GIL1515A/95-5
(Superseded to 36482)

$3.99

$

Usually ships in 3-12 days

0

63

Tecumseh 650777

Screw
(Superseded to 651019)

$1.99

$

In Stock, Qty 5

0

64

Tecumseh 31342

Spring-Compression

$5.99

$

In Stock, only 4 left!

0

65

Tecumseh 650549

Screw
(Superseded to 651029)

$1.99

$

In Stock, Qty 8

0

67

Tecumseh 30200

Screw (10-24 x 9/16)

$1.49

$

In Stock, Qty 20+

0

68

Tecumseh 27793

Conduit

$1.99

$

In Stock, Qty 5

0

69

Tecumseh 28942

Screw (10-32 x 3/8)

$1.49

$

In Stock, Qty 18

0

70

Tecumseh 34337

2035A67 ADD.ASSEMBL

$1.99

$

In Stock, Qty 7

0

71

Tecumseh 34336

Link-Throttle
(Superseded to 34336A)

$1.99

$

In Stock, Qty 20+

0

72

Tecumseh 611004

Key-Flywheel

$1.49

$

In Stock, Qty 14

0

73

$1.99

$

In Stock, Qty 7

0

74

Tecumseh 611112

Flywheel

$

$

Not available

75

Tecumseh 34443A

Solid State
(Superseded to 34443D)

$44.99

$

In Stock, Qty 6

0

75A

Tecumseh 610118

Cover-Spark Plug

$6.49

$

In Stock, only 2 left!

0

76

Tecumseh 650814

Screw
(Superseded to 651007)

$1.99

$

In Stock, Qty 16

0

77B

Tecumseh 34961

Ground Wire
(Superseded to 37047)

$1.99

$

In Stock, Qty 6

0

83

Tecumseh 35015A

Bracket-S.E. Brake
(Superseded to 35015B)

$31.99

$

Usually ships in 3-12 days

0

84

Tecumseh 34968

Lever-Brake
(Superseded to 35831)

$12.99

$

In Stock, only 1 left!

0

85

Tecumseh 34966

Link-Control

$1.99

$

In Stock, only 1 left!

0

86

Tecumseh 34965

Spring-Extension

$3.99

$

Usually ships in 3-12 days

0

87

Tecumseh 32309

Ring-Retaining

$1.99

$

Usually ships in 3-12 days

0

88

Tecumseh 610973

Terminal

$3.99

$

In Stock, Qty 11

0

89

Tecumseh 650839

Screw (1/4-20 x 3/8)

$1.99

$

Usually ships in 3-12 days

0

91

Tecumseh 33015A

Gasket-Cylinder Head

$11.99

$

In Stock, only 2 left!

0

92

Tecumseh 34342

Head-Cylinder
(Superseded to 36476)

$32.99

$

Usually ships in 3-12 days

0

93

Tecumseh 6021A

Screw (5/16-18x1-1/2)

$1.99

$

In Stock, Qty 17

0

94

Tecumseh 35395

Spark Plug-Resistor (R J19 L M)

$3.99

$

In Stock, Qty 20+

0

95

Tecumseh 35484

Housing-Blower

$

$

Not available

96

Tecumseh 650831

Screw (1/4-20 x 1/2)

$1.99

$

In Stock, only 4 left!

0

97

Tecumseh 30200

Screw (10-24 x 9/16)

$1.49

$

In Stock, Qty 20+

0

98

Tecumseh 35000

Hub-Starter
(Superseded to 35000A)

$9.49

$

In Stock, only 2 left!

0

99

Tecumseh 34985

Retainer-Starter Rope
(Superseded to 36412)

$1.49

$

Usually ships in 3-12 days

0

101

Tecumseh 650815

Washer-Belleville

$1.99

$

In Stock, only 3 left!

0

102

Tecumseh 650816

Nut-Flywheel

$4.49

$

In Stock, only 4 left!

0

103

Tecumseh 35392

Plug Starter

$1.99

$

In Stock, only 2 left!

0

104

Tecumseh 650884

Screw, Hex Hd.
(Superseded to 650926)

$1.49

$

In Stock, Qty 20+

0

105

Tecumseh 27181B

Muffler Assembly (Incl. Ref. #106)
(Superseded to 27181C)

$10.99

$

In Stock, only 2 left!

0

106

$1.99

$

In Stock, only 2 left!

0

108

Tecumseh 32431

Cover-Muffler

$5.49

$

Usually ships in 3-12 days

0

109

Tecumseh 650760

Screw (8-32 x 3/8)

$1.99

$

In Stock, Qty 5

0

110

$2.49

$

In Stock, Qty 7

0

111

Tecumseh 35577

Oil Fill Tube
(Superseded to 35577A)

$3.99

$

In Stock, only 2 left!

0

112

$1.49

$

In Stock, Qty 20+

0

113

Tecumseh 35578

Dipstick

$5.49

$

In Stock, only 2 left!

0

114

Tecumseh 650562

Screw (10-32 x 1/2)

$1.99

$

In Stock, only 2 left!

0

115B

Tecumseh 34476

Tank Assembly (Incl. Ref. #118 & 120)
(Superseded to 34476A)

$

$

Not available

115D

Tecumseh 28763

Screw (10-32 x 35/64)

$1.99

$

In Stock, Qty 6

0

118

Tecumseh 33032

Cap-Fuel

$7.49

$

In Stock, only 1 left!

0

119

Tecumseh 30705

Line-Fuel

$16.99

$

In Stock, Qty 12

0

120

Tecumseh 26460

Clamp-Line, Fuel

$1.49

$

In Stock, Qty 7

0

121

Tecumseh 34340

Filter-Air Cleaner

$4.99

$

In Stock, only 3 left!

0

122

Tecumseh 34341A

Cover-Air Cleaner
(Superseded to 34341B)

$5.49

$

In Stock, only 2 left!

0

122A

Tecumseh 34858

Body Air cleaner

$9.49

$

Usually ships in 3-12 days

0

123

$1.99

$

In Stock, only 1 left!

0

132

Tecumseh 632098

Carburetor (Incl. Ref. #58)
(Superseded to 632795A)

$109.99

$

In Stock, Qty 8

0

133

Tecumseh 590621

Starter-Rewind
(Superseded to 590785)

$41.99

$

In Stock, only 2 left!

0

134

Tecumseh 34144

Decal-Primer

$

$

Not available

135

Tecumseh 33238D

Gasket Set (Incl. Items Marked)
(Superseded to 33238E)

$50.99

$

Usually ships in 3-12 days

0