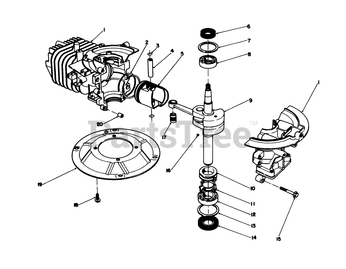
16585 C - Toro Walk-Behind Mower (SN: 008000001 - 008999999) (1988) Crankshaft Assembly (model No. 47ph7) Parts Diagram

Walk-Behind Mower

Crankshaft Assembly (model No. 47ph7) Parts Diagram

  • Title
1

Toro 81-2800

DISCONTINUED

$

$

Not available

2

Toro 81-0590

RING SET

$71.99

$

Usually ships in 3-6 days

0

3

$10.99

$

Usually ships in 3-6 days

0

4

Toro 81-0600

PIN-PISTON

$

$

Not available

5

Toro 81-0580

See Supercession: 81-2140
(Superseded to 81-2140)

$208.99

$

Usually ships in 3-6 days

0

6

Toro 81-0720

OIL SEAL

$19.99

$

Usually ships in 3-6 days

0

7

Toro 81-0710

WASHER-UPPER

$23.99

$

Usually ships in 3-6 days

0

8

Toro 81-0690

BEARING-UPPER

$147.99

$

In Stock, only 1 left!

0

9

Toro 81-4600

DISCONTINUED
(Superseded to 81-4680)

$

$

Not available

10

Toro 81-0770

SPACER

$

$

Not available

11

Toro 81-0750

BRACKET

$

$

Not available

12

Toro 81-0700

LOWER BRG

$92.99

$

In Stock, only 1 left!

0

13

Toro 81-0730

WASHER-LOWER

$

$

Not available

14

Toro 81-0740

SEAL-OIL

$28.99

$

In Stock, only 2 left!

0

15

$

$

Not available

16

$

$

Not available

17

Toro 81-0610

BEARING

$

$

Not available

18

$9.99

$

In Stock, only 3 left!

0

19

Toro 81-0560

PLATE-MOUNTING

$248.99

$

Usually ships in 3-6 days

0

20

$

$

Not available

Toro 12-7699

See Supercession: 12-8099
(Superseded to 12-8099)

$

$

Not available