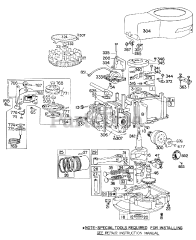
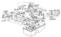
16600 - Toro Walk-Behind Mower (SN: 008000001 - 008999999) (1978) Parts & Diagrams Parts Lists & Diagrams

Walk-Behind Mower