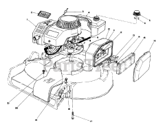
16785 - Toro Walk-Behind Mower (SN: 006000001 - 006999999) (1986) Parts & Diagrams Parts Lists & Diagrams

Walk-Behind Mower