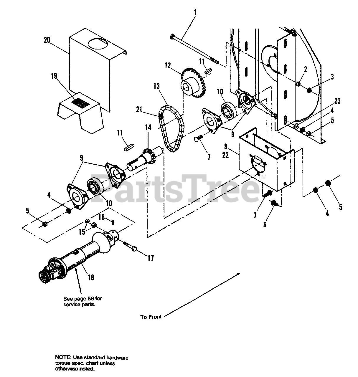
1691360 - Simplicity 46" Snow Thrower Attachment 46" Snowthrower, Drive Group (Prior to Serial No. 00309) Parts Diagram

46" Snow Thrower Attachment

46" Snowthrower, Drive Group (Prior to Serial No. 00309) Parts Diagram

  • Title
1

Simplicity 936288

CAPSCREW, Hex Hd., 1/4-20 x 7-1/2

$

$

Not available

2

Simplicity 1916964SM

LOCKWASHER, 1/4
(Superseded to 704133)

$3.99

$

Usually ships in 2-12 days

0

3

Simplicity 1916622SM

NUT, Hex, 1/4-20
(Superseded to 703127)

$3.49

$

In Stock, Qty 13

0

4

Simplicity 1917356SM

LOCKWASHER, 5/16
(Superseded to 5025170SM)

$4.49

$

In Stock, Qty 8

0

5

Simplicity 1917372SM

NUT, Hex, 5/16-18
(Superseded to 7091511SM)

$3.49

$

In Stock, Qty 12

0

6

Simplicity 1960282SM

BOLT, Carriage, 5/16-18 x 3/4
(Superseded to 5025145X6SM)

$3.99

$

In Stock, Qty 16

0

7

Simplicity 1921332SM

BOLT, Carriage, 5/16-18 x 5/8
(Superseded to 5025011X6SM)

$3.99

$

In Stock, Qty 18

0

8

Simplicity 1701080SM

BOX ASSY., Reduction

Note: (Incl. Ref. Nos. 4 & 5, Qty. 6, 7, 8, 9, 10, 14 & 22.)

$387.99

$

Usually ships in 2-12 days

0

9

Simplicity 1701083SM

BEARING, Flange

$

$

Not available

10

Simplicity 1701045SM

BEARING, 1" I.D. w/Locking Screw
(Superseded to 1733105SM)

$61.99

$

In Stock, only 3 left!

0

11

Simplicity 2154096SM

KEY, Parallel, Plain, 1/4 x 1/4 x 1-1/4

$7.49

$

In Stock, Qty 12

0

12

$

$

Not available

$

$

Not available

14

Simplicity 1701082SM

SHAFT, Assy., Drive, w/Sprocket

$

$

Not available

15

Simplicity 1923358SM

NUT, Hex Lock, 1/4-20
(Superseded to 703954)

$5.49

$

In Stock, only 2 left!

0

16

Simplicity 1930540SM

SETSCREW, Sq. Hd., 5/16-18 x 5/8

$4.99

$

In Stock, only 1 left!

0

17

Simplicity 1925688SM

CAPSCREW, Hex Hd., 1/4-20 x 2-1/2
(Superseded to 704209)

$3.99

$

In Stock, only 2 left!

0

18

Simplicity 1717484SM

DRIVE SHAFT

Note: See "42" & 46" Snowthrower, Drive Shaft" Illustration and part list.

$676.99

$

Usually ships in 2-12 days

0

19

Simplicity 1679461SM

DECAL, Danger

$9.99

$

Usually ships in 2-12 days

0

20

Simplicity 1701086

SHIELD, P.T.O.

$

$

Not available

21

Simplicity 1704893SM

MASTER LINK, Chain #40

$4.99

$

In Stock, only 1 left!

0

22

Simplicity 1701081SM

BOX, Reduction

$

$

Not available

23

Simplicity 1919381SM

WASHER
(Superseded to 703298)

$4.49

$

In Stock, only 2 left!

0